Click Here to enter Utsource site
Category
Buy(0)
Inquiry(0)
Dear customers, due to the implementation of the GDPR policy in Europe, UTSOURCE has also made adjustment accordingly to meet the policy requirements. Please read the new privacy policy carefully and this window will no longer pop up after you accept it.
Delivery Address
+ Add Address
The new shipping address
* Please fill in the cell phone number correctly to make sure that you can receive the tracking info in time.
Country Code
YAGEO AC1210FR-0782R5L(20pcs)
KOA Speer Elec RK73B1JTTD914J(100pcs)
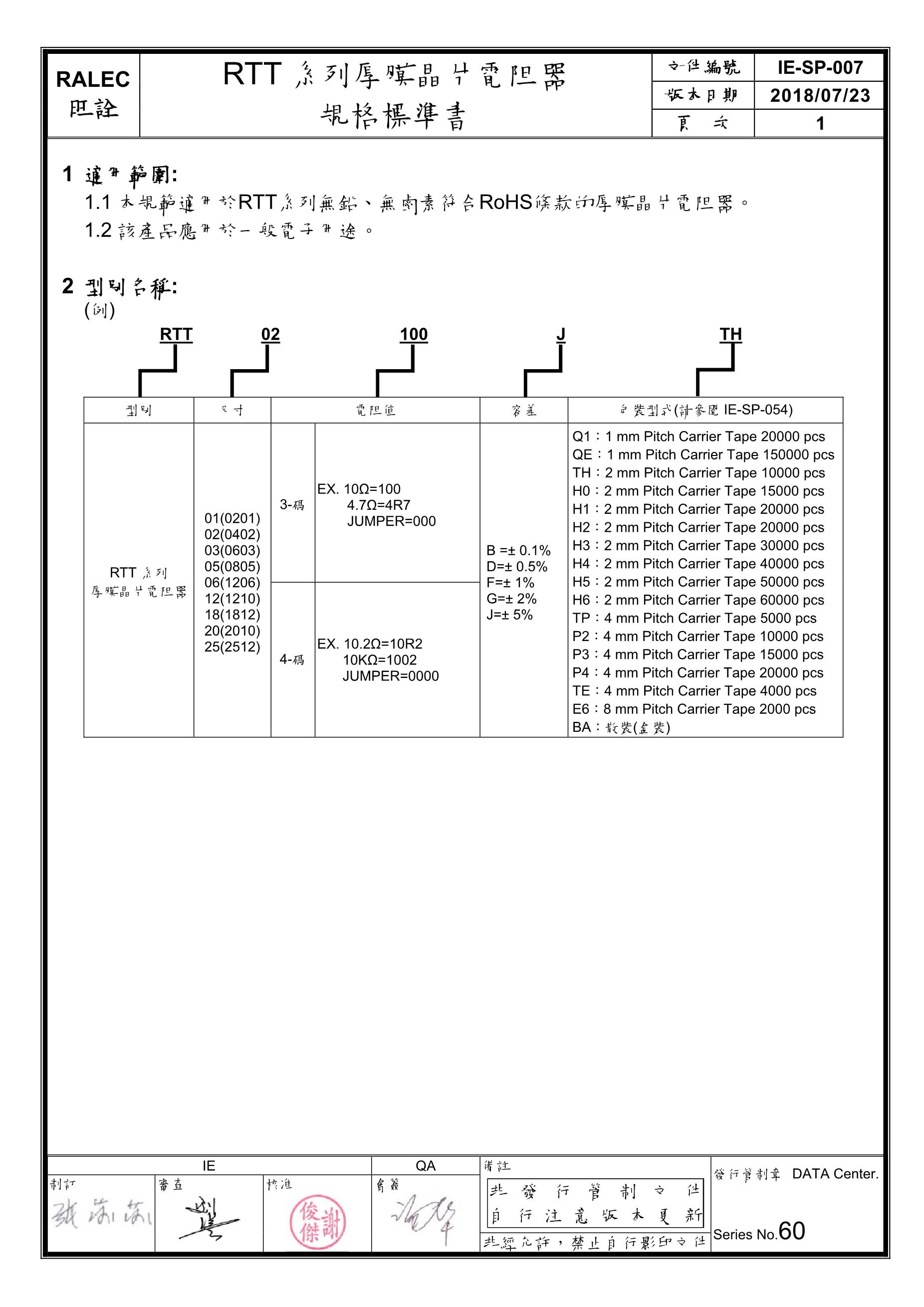
RALEC RTT12R030FTP(20pcs)
Jimson MEA106K250D02
SSM2275
Gantong GPSR0420-100M(5pcs)
NJM062L
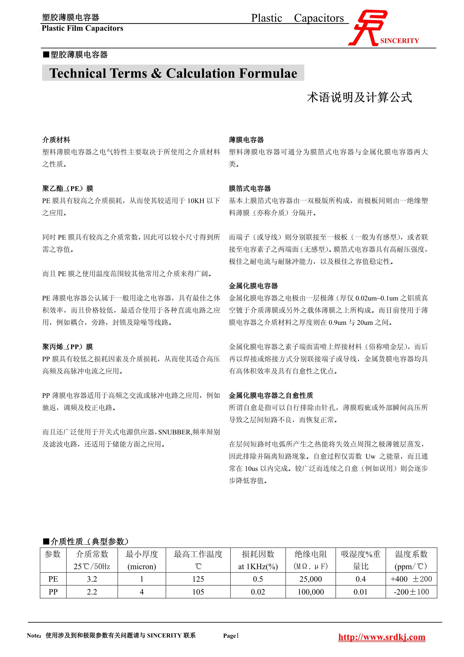
SRD(Shenzhen Sincerity Tech) MPP224J4190407LC(10pcs)
ResistorToday PTFR0805B130KN9
Ever Ohms Tech CR0603F357KP05(100pcs)
Lelon VUA101M1HTR-1010
YAGEO AC0603JR-071R3L(100pcs)
COP8SCR9HVA8
PANASONIC ETQP3M6R8KVP
Rubycon 35ZL1000MEFCG412.5X25
LT1105IN
Walsin Tech Corp 0402N680F500CT(50pcs)
TDK CGA5L1X7R1C335KT0Y0N