Clique Aqui para entrar no site da Utsource
Tipo
Comprar(0)
Inquérito(0)
Dear customers, due to the implementation of the GDPR policy in Europe, UTSOURCE has also made adjustment accordingly to meet the policy requirements. Please read the new privacy policy carefully and this window will no longer pop up after you accept it.
Delivery Address
+ Adicionar endereço
Novo endereço de transporte de carga
* Por favor, preencha o número do telefone celular corretamente para ter certeza de que você pode receber as informações de rastreamento a tempo.
Código do país
Guangdong Fenghua Advanced Tech RC-01W2002FT(100pcs)
YAGEO CC0805KRX7R9BB562(50pcs)
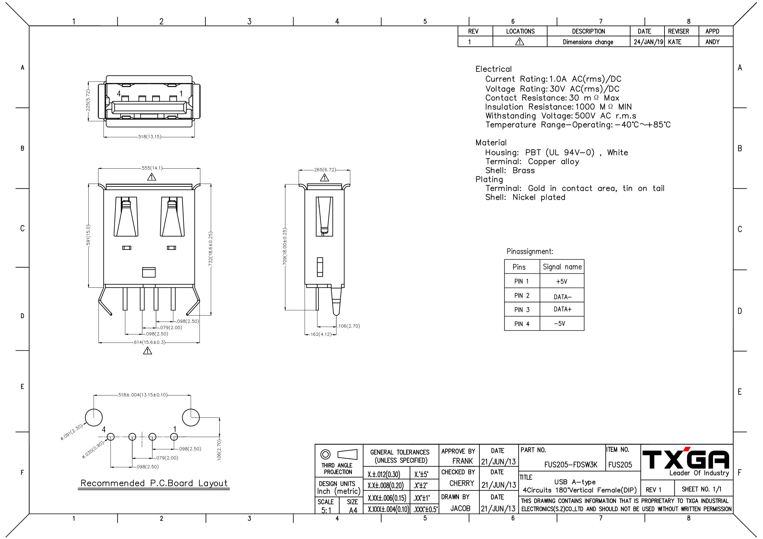
TXGA FUS205-FDSW3K
Cixi Kefa Elec KF2EDGVM-3.81-6P
Walsin Tech Corp WR02X7501FAL(100pcs)
STP12NM50
Nichicon UUR2A330MNL1GS
XIAMEN FARATRONIC C242E223J20A201(10pcs)
XFCN M2508R-04P
Guangdong Fenghua Advanced Tech RS-03K7681FT(100pcs)
SamYoung Electronics NXH 100V560 18*31.5
Walsin Tech Corp WR10X1001FTL(20pcs)
Xunda RK2281EMF255RB(5pcs)
Changjiang Connectors A2012H-5P(10pcs)
ResistorToday AECR0603F240KK9(50pcs)
Viking Tech CR-05FL7--240R(100pcs)
PANASONIC ERJ6GEYJ2R0V(50pcs)
SN74HC08DBR