Clique Aqui para entrar no site da Utsource
Tipo
Comprar(0)
Inquérito(0)
Dear customers, due to the implementation of the GDPR policy in Europe, UTSOURCE has also made adjustment accordingly to meet the policy requirements. Please read the new privacy policy carefully and this window will no longer pop up after you accept it.
Delivery Address
+ Adicionar endereço
Novo endereço de transporte de carga
* Por favor, preencha o número do telefone celular corretamente para ter certeza de que você pode receber as informações de rastreamento a tempo.
Código do país
TA-I Tech RMS04FT4021(100pcs)
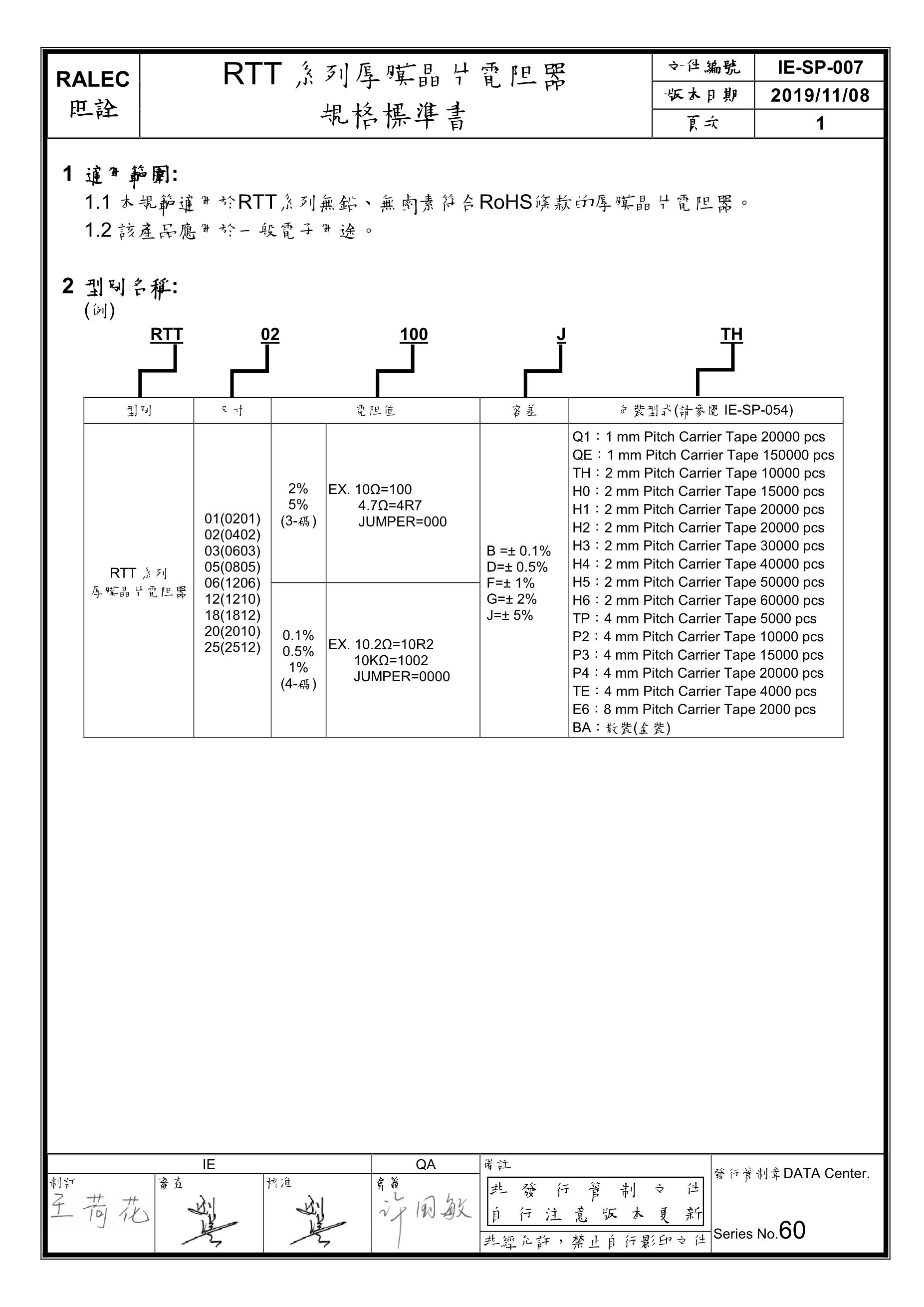
RALEC RTT205101FTE(50pcs)
KNSCHA MPX102K31C2KN15600(10pcs)
PANASONIC ERJ2GEJ564X(50pcs)
YJYCOIN YP0503-221M(10pcs)
NE555DE4
YJYCOIN YPRH0703-102M
1423674-5
TDK NLCV32T-R47M-PF(10pcs)
PANASONIC ERJ2RKF1603X(50pcs)
Shenzhen Yezhan Elec. ASR-F-5-2F
LIZ Elec CR0603FA33R2G(100pcs)
Guangdong Fenghua Advanced Tech RS-05L5R62FT(50pcs)
Ymin VKMD1001C471MV(5pcs)
Sunlord WPN3012HS100MT(5pcs)
Nichicon UVR1A472MHD
UNI-ROYAL(Uniroyal Elec) 010500J0470TDE(50pcs)
PANASONIC ERJ3EKF8451V(50pcs)