Clique Aqui para entrar no site da Utsource
Tipo
Comprar(0)
Inquérito(0)
Dear customers, due to the implementation of the GDPR policy in Europe, UTSOURCE has also made adjustment accordingly to meet the policy requirements. Please read the new privacy policy carefully and this window will no longer pop up after you accept it.
Delivery Address
+ Adicionar endereço
Novo endereço de transporte de carga
* Por favor, preencha o número do telefone celular corretamente para ter certeza de que você pode receber as informações de rastreamento a tempo.
Código do país
UNI-ROYAL(Uniroyal Elec) 0201WMF3302TEE(100pcs)
Taiyo Yuden LBMF1608T220K(5pcs)
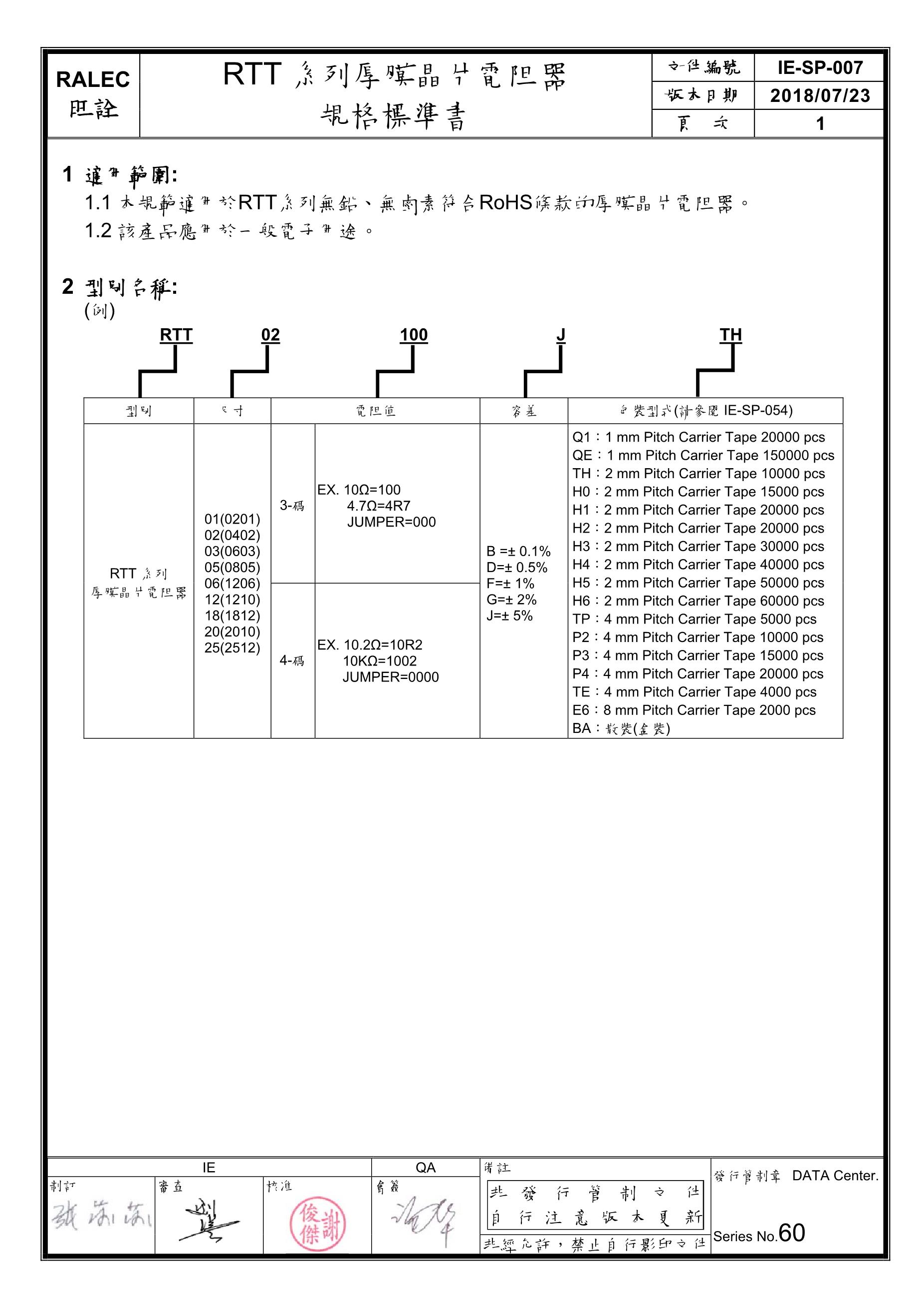
RALEC RTT02R150FTH(50pcs)
YJYCOIN YPRH0704-471M
Sunlord MWSA0603S-100MT
Changjiang Connectors A2001H-8P(50pcs)
Viking Tech AR05BTCW2611(10pcs)
PANASONIC ERJ6RBD5100V(20pcs)
AT32UC3C2256C-Z2ZT
E28F400CV-T80
DIBO DB2EVM-5.08-5P
HX(Zhejiang Yueqing Hongxing Elec) HX20012-4WA black(10pcs)
TAITEC HPC3010A-100M(10pcs)
Resistor.Today TCTR0805F100KF4460T(5pcs)
Guangdong Fenghua Advanced Tech RS-06K5903FT(50pcs)
SMCJ40CA-13-F
KOA Speer Elec RK73H1JTTD1050F(100pcs)
YAGEO AC1210FR-07453KL(20pcs)