Klicken Sie hier um zur Utsource -Website zu gelangen.
Typ
Kaufen(0)
Anfrage(0)
Dear customers, due to the implementation of the GDPR policy in Europe, UTSOURCE has also made adjustment accordingly to meet the policy requirements. Please read the new privacy policy carefully and this window will no longer pop up after you accept it.
Delivery Address
+ Adresse hinzufügen
neue Frachtadresse
* Bitte geben Sie die Handynummer korrekt ein, um sicherzustellen, dass Sie die Tracking-Informationen rechtzeitig erhalten.
Ländercode
Guangdong Fenghua Advanced Tech RS-05K4120FT(50pcs)
HN27C256HG-85
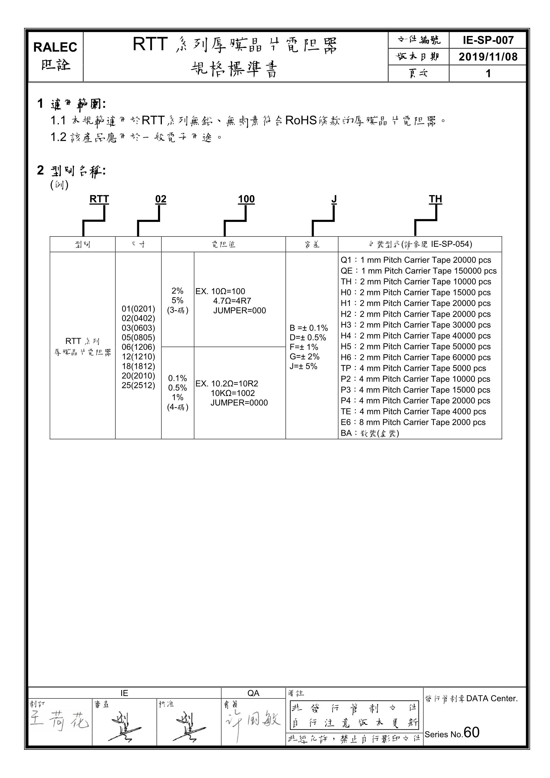
RALEC RTT25R560FTE(20pcs)
Viking Tech AR05BTCW6201(10pcs)
Lelon VEJ221M1ATR-0806(5pcs)
Shenzhen SCTF Elec S7D14.745600A20F30T
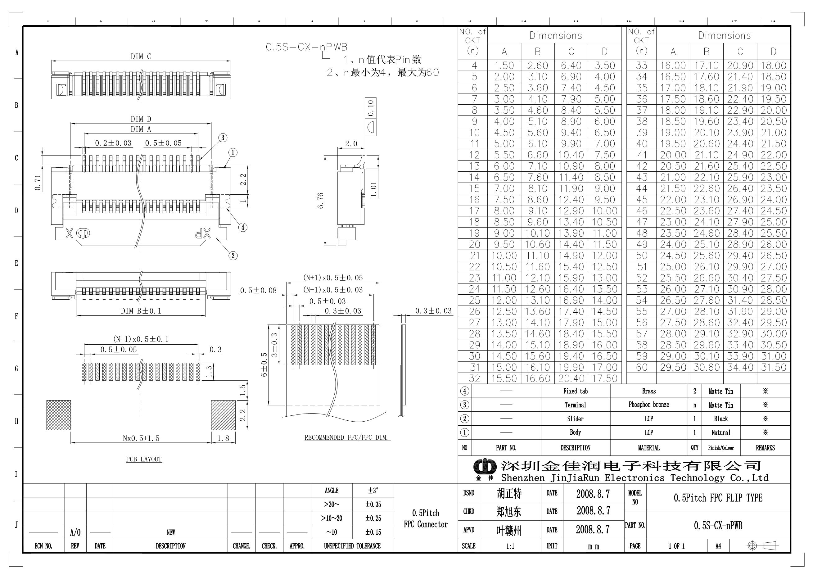
JINJIA 0.5S-CX-6PWB(5pcs)
-- XY2500R-D-5.08-8P
WEIPU WS28K24/ZQ
Nichicon UUD1C681MNL1GS
RALEC RTT051784FTP(50pcs)
Sunlord SDWL1005C7N1JSTFM01(10pcs)
Rubycon 450BXW82MEFR18X30
RALEC RTT251021FTE(10pcs)
YJYCOIN YP0402-151M(10pcs)
M66240FP
KOA Speer Elec RK73H2ATTD12R1F(50pcs)
Walsin Tech Corp WR04X2740FTL(100pcs)