Klicken Sie hier um zur Utsource -Website zu gelangen.
Typ
Kaufen(0)
Anfrage(0)
Dear customers, due to the implementation of the GDPR policy in Europe, UTSOURCE has also made adjustment accordingly to meet the policy requirements. Please read the new privacy policy carefully and this window will no longer pop up after you accept it.
Delivery Address
+ Adresse hinzufügen
neue Frachtadresse
* Bitte geben Sie die Handynummer korrekt ein, um sicherzustellen, dass Sie die Tracking-Informationen rechtzeitig erhalten.
Ländercode
GLE GCNR5020-470MC(10pcs)
YAGEO RC0603FR-07261KL(100pcs)
Ever Ohms Tech CR0603F18R2P05(100pcs)
ResistorToday EWWR0008J120RT9
Holy Stone Enterprise C1206N102J631T(10pcs)
ResistorToday EWWR0006JR330T9
3L COILS SNR3015K-470M(5pcs)
LNK563DG
Rubycon 400BXF47M16X20
MOLEX 50375143(5pcs)
UNI-ROYAL(Uniroyal Elec) TC0225F1022TCC(50pcs)
Viking Tech ARG03BTC5601(10pcs)
1-66358-6
Ymin VKMB1001A151MV(10pcs)
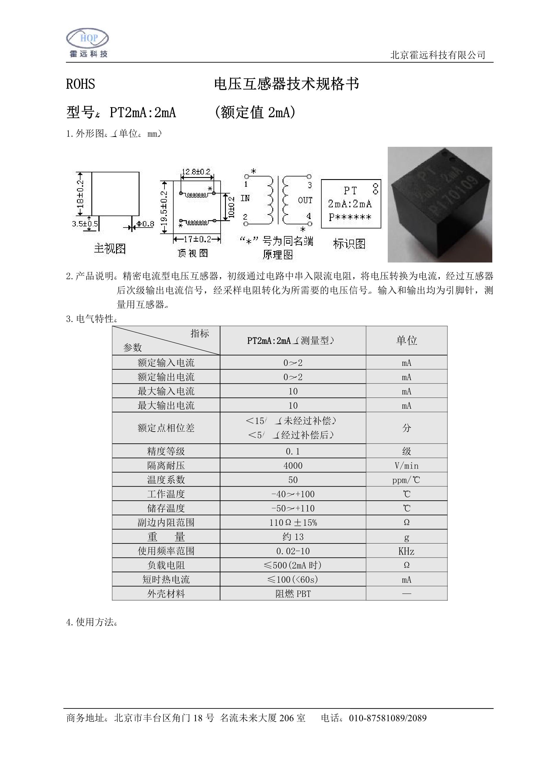
Beijing Hop Tech PT2MA:2MA
ResistorToday AECR0805F110KK9(50pcs)
MOLEX 559594030
TyoHM RMC08052.25%N(100pcs)