Klicken Sie hier um zur Utsource -Website zu gelangen.
Typ
Kaufen(0)
Anfrage(0)
Dear customers, due to the implementation of the GDPR policy in Europe, UTSOURCE has also made adjustment accordingly to meet the policy requirements. Please read the new privacy policy carefully and this window will no longer pop up after you accept it.
Delivery Address
+ Adresse hinzufügen
neue Frachtadresse
* Bitte geben Sie die Handynummer korrekt ein, um sicherzustellen, dass Sie die Tracking-Informationen rechtzeitig erhalten.
Ländercode
Guangdong Fenghua Advanced Tech RS-06K1372FT(50pcs)
Uniroyal Elec 0805W8F2554T5E(100pcs)
Walsin Tech Corp WR04X512 JTL(100pcs)
Walsin Tech Corp WR02X473 JAL(100pcs)
ResistorToday AECR0805F160RK9(50pcs)
BOURNS CR0805-FX-5230ELF(50pcs)
Guangdong Fenghua Advanced Tech VHF100505HQ68NJT(100pcs)
AD620BRZ
Walsin Tech Corp WR06X153JTL(100pcs)
DIBO DB2EKM-5.08-11P
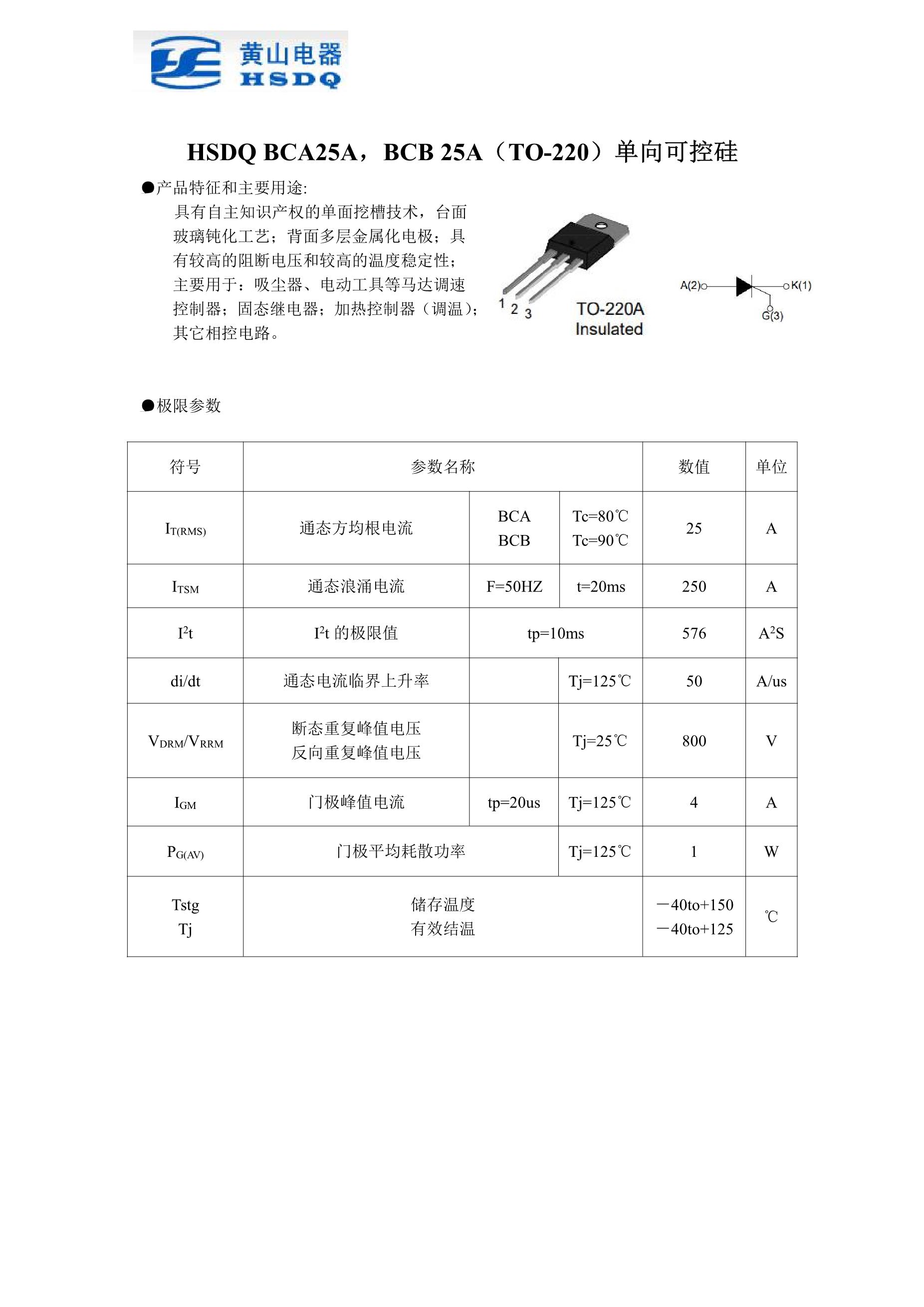
BCA25
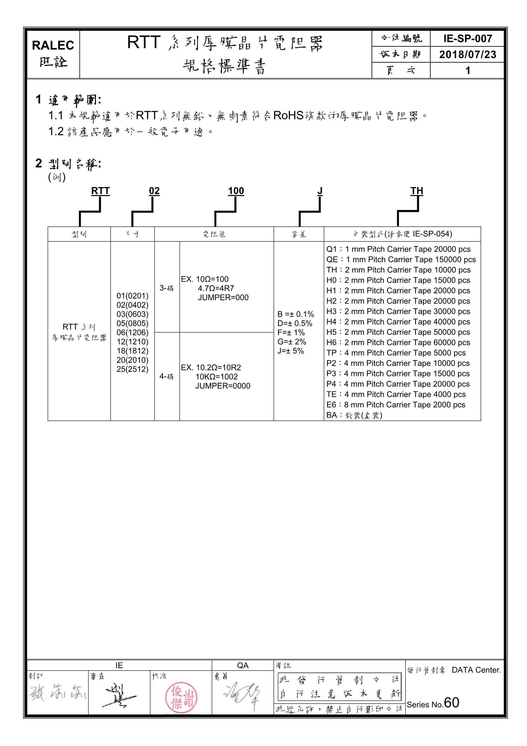
RALEC RTT031274FTP(50pcs)
RALEC RTT122211FTP(50pcs)
TA-I Tech RMS12FT2701(50pcs)
Prosperity Dielectrics FEC0603CP-82NG-LRH(10pcs)
KOA Speer Elec RK73H2ATTD1R10F(50pcs)
Ymin LKMJ2502H680MF
ResistorToday AECR0603F12R0K9(50pcs)