Klicken Sie hier um zur Utsource -Website zu gelangen.
Typ
Kaufen(0)
Anfrage(0)
Dear customers, due to the implementation of the GDPR policy in Europe, UTSOURCE has also made adjustment accordingly to meet the policy requirements. Please read the new privacy policy carefully and this window will no longer pop up after you accept it.
Delivery Address
+ Adresse hinzufügen
neue Frachtadresse
* Bitte geben Sie die Handynummer korrekt ein, um sicherzustellen, dass Sie die Tracking-Informationen rechtzeitig erhalten.
Ländercode
3L COILS SNR6045K-680M
PANASONIC ERJ2GEJ820X(50pcs)
PANASONIC EEEFK1C680P
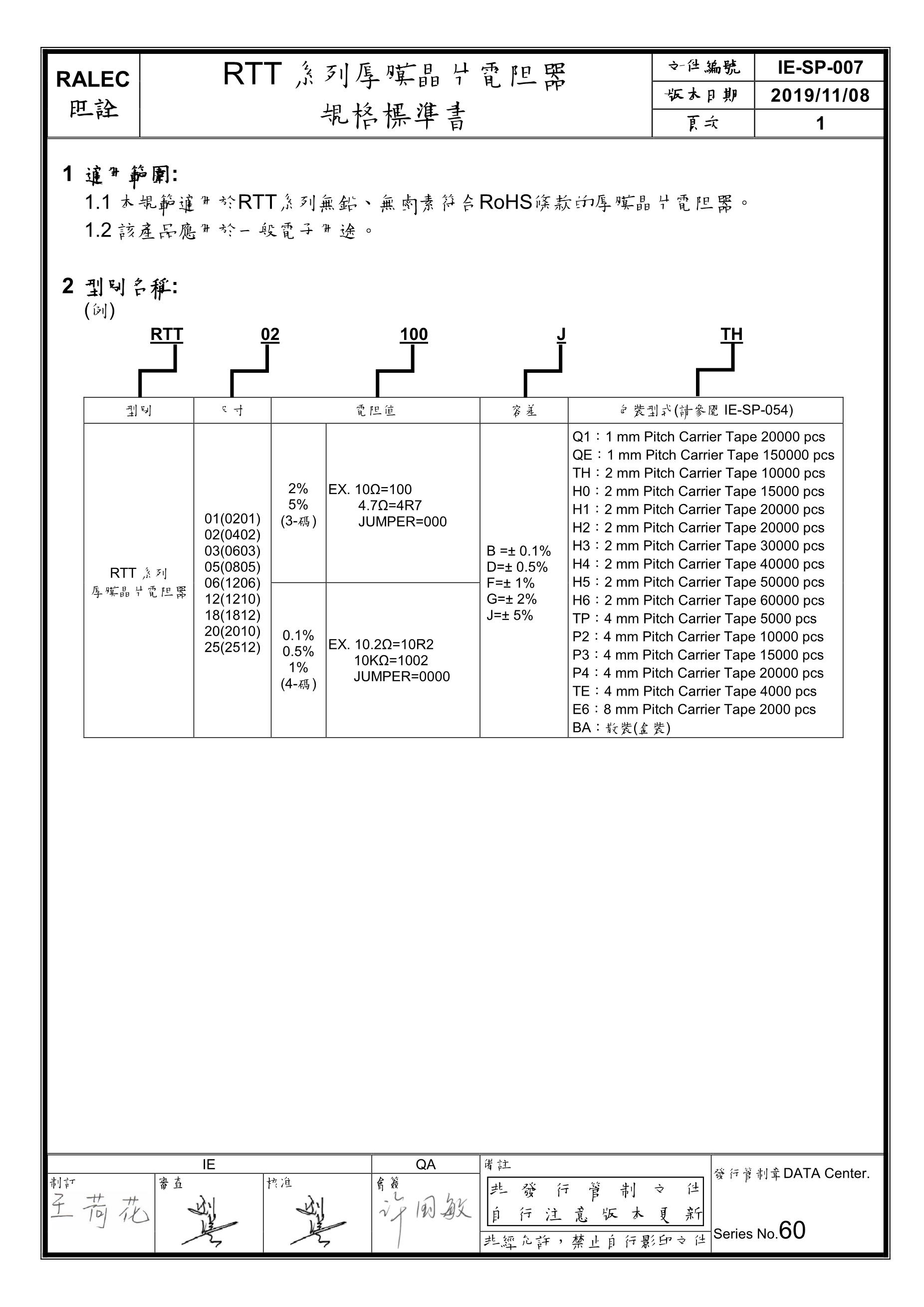
RALEC RTT257503FTE(20pcs)
Thunder Component MELF-MFR02041/4WS1.02KΩFT50(20pcs)
Cixi Kefa Elec KF2EDGKA-5.08-2P
Uniroyal Elec 201007F3602T4E(50pcs)
YAGEO RC1210FR-076K8L(50pcs)
BOURNS CR1206-FX-1070ELF(50pcs)
Viking Tech AR03FTC6803(50pcs)
TE Connectivity 965785-1
Milliohm HoT(0.45*1.5)-8.2-0R-I(50pcs)
TA75S01F
YJYCOIN YNR4020-4R7M(10pcs)
Guangdong Fenghua Advanced Tech RC-01W33R0FT(100pcs)
MC3403
Walsin Tech Corp WR10X1401FTL(50pcs)
KNSCHA MMK683J3AE4KN208G0