Presione aquí para acceder a la página de Utsource
Tipo
Comprar(0)
Pida su cotización(0)
Dear customers, due to the implementation of the GDPR policy in Europe, UTSOURCE has also made adjustment accordingly to meet the policy requirements. Please read the new privacy policy carefully and this window will no longer pop up after you accept it.
Delivery Address
+ Añadir dirección
Nueva dirección de transporte
* Por favor, complete el número de teléfono celular correctamente para asegurarse de que puede recibir la información de seguimiento a tiempo.
Código de país
HUI JU NV0805B102K102CPBN(50pcs)
LM2904DRG4
Sunlord MWSA1206S-150MT
PANASONIC ERJ3EKF1962V(50pcs)
ResistorToday PTFR0805B47R0N9
CITIZEN HC-49/U-S20000000ABJB
Ever Ohms Tech CR0603F14R3P05(100pcs)
Guangdong Fenghua Advanced Tech VHF060303HQ8N2KT(100pcs)
Walsin Tech Corp 0603B333K160CT(50pcs)
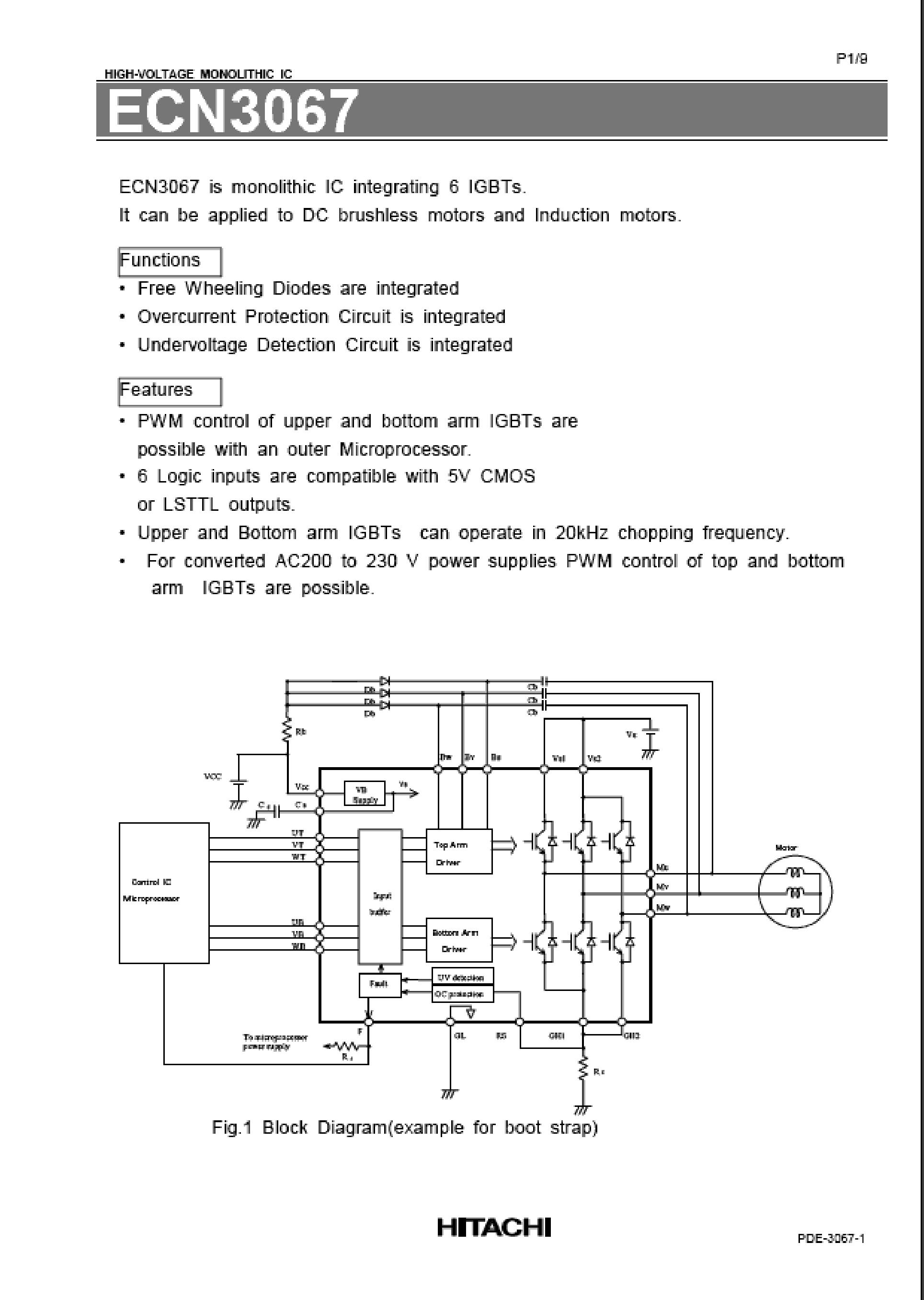
ECN3067SLR
STHDLS101QTR
YJYCOIN YP0302-331M(10pcs)
microgate MPIT5020-100M-LF(5pcs)
YJYCOIN YSPI0530-1R0M
Uniroyal Elec 0805W8D1431T5E(50pcs)
UNI-ROYAL(Uniroyal Elec) 0201WMF976JTEE(100pcs)
PCF8574TS
ResistorToday EWWR0010J500RT9