Presione aquí para acceder a la página de Utsource
Tipo
Comprar(0)
Pida su cotización(0)
Dear customers, due to the implementation of the GDPR policy in Europe, UTSOURCE has also made adjustment accordingly to meet the policy requirements. Please read the new privacy policy carefully and this window will no longer pop up after you accept it.
Delivery Address
+ Añadir dirección
Nueva dirección de transporte
* Por favor, complete el número de teléfono celular correctamente para asegurarse de que puede recibir la información de seguimiento a tiempo.
Código de país
AA103
YAGEO CC0805GRNPO9BN330(20pcs)
Viking Tech CR-05FL7---6K2(100pcs)
Uniroyal Elec 25121WF301KT4E(20pcs)
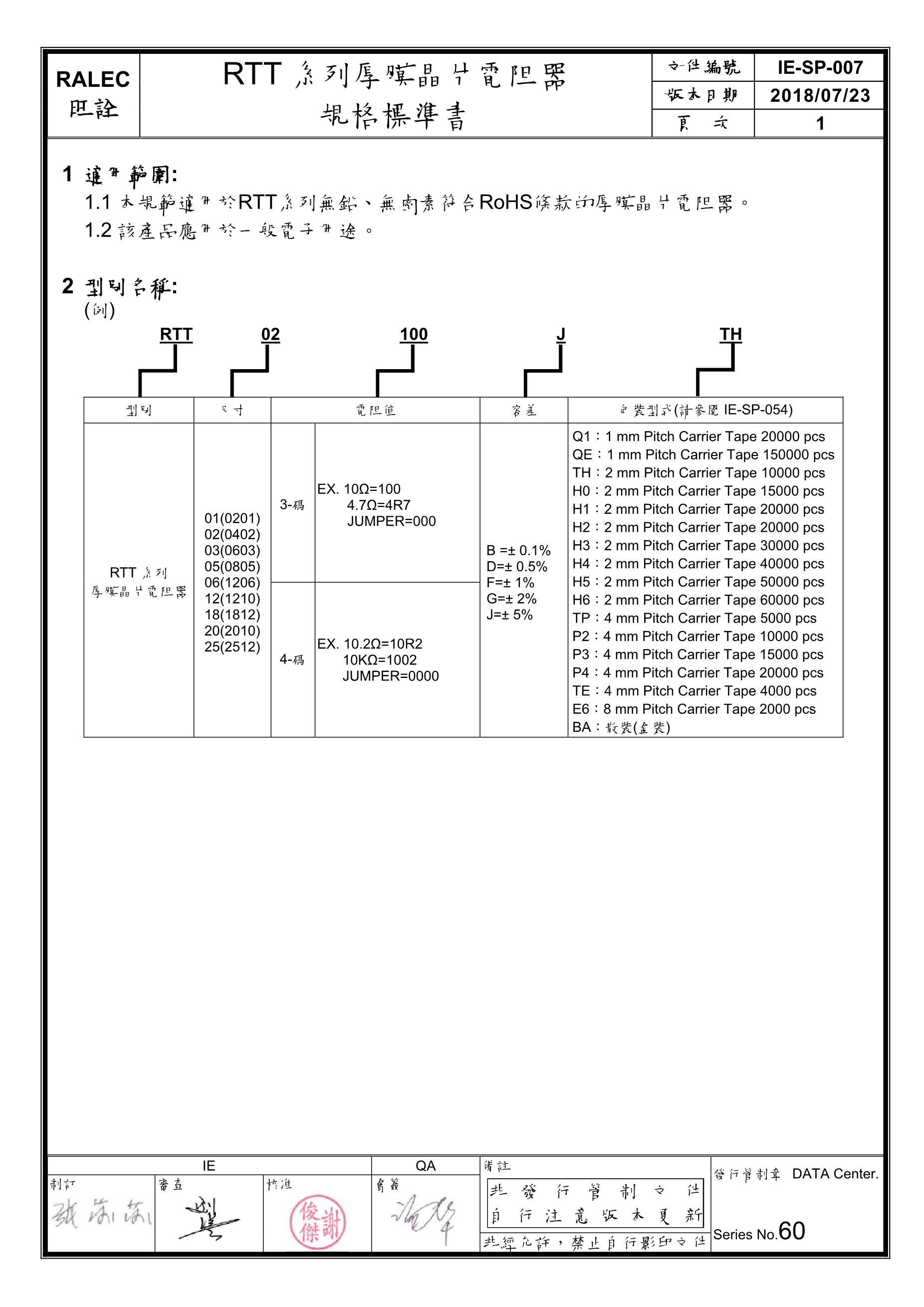
RALEC RTT2522R0FTE(20pcs)
JST Sales America SM09B-PASS-1-TBT(LF)(SN)
AVX TAJC226M025RNJ
Amphenol ICC C20-747916-2103
FSD210BM
Walsin Tech Corp 0805B392K500CT(20pcs)
MIKROE-2016
RALEC RTT2591R0FTE(10pcs)
PANASONIC ERJ2RKF6203X(50pcs)
Walsin Tech Corp WF04H1001DTL(50pcs)
ResistorToday EWWR0006J22R0T9
TyoHM RMC12065.11%N(50pcs)
YJYCOIN YP0503-221M(10pcs)
Guangdong Fenghua Advanced Tech RS-05L3R09FT(50pcs)