Cliquer ici pour visiter Utsource
Modèle
acheter(0)
Demandes d'offres (0)
Dear customers, due to the implementation of the GDPR policy in Europe, UTSOURCE has also made adjustment accordingly to meet the policy requirements. Please read the new privacy policy carefully and this window will no longer pop up after you accept it.
Delivery Address
+ Ajouter l'adresse
Nouvelle adresse de transport
* Veuillez remplir correctement le numéro de téléphone portable pour vous assurer que vous pouvez recevoir les informations de suivi à temps.
Code pays
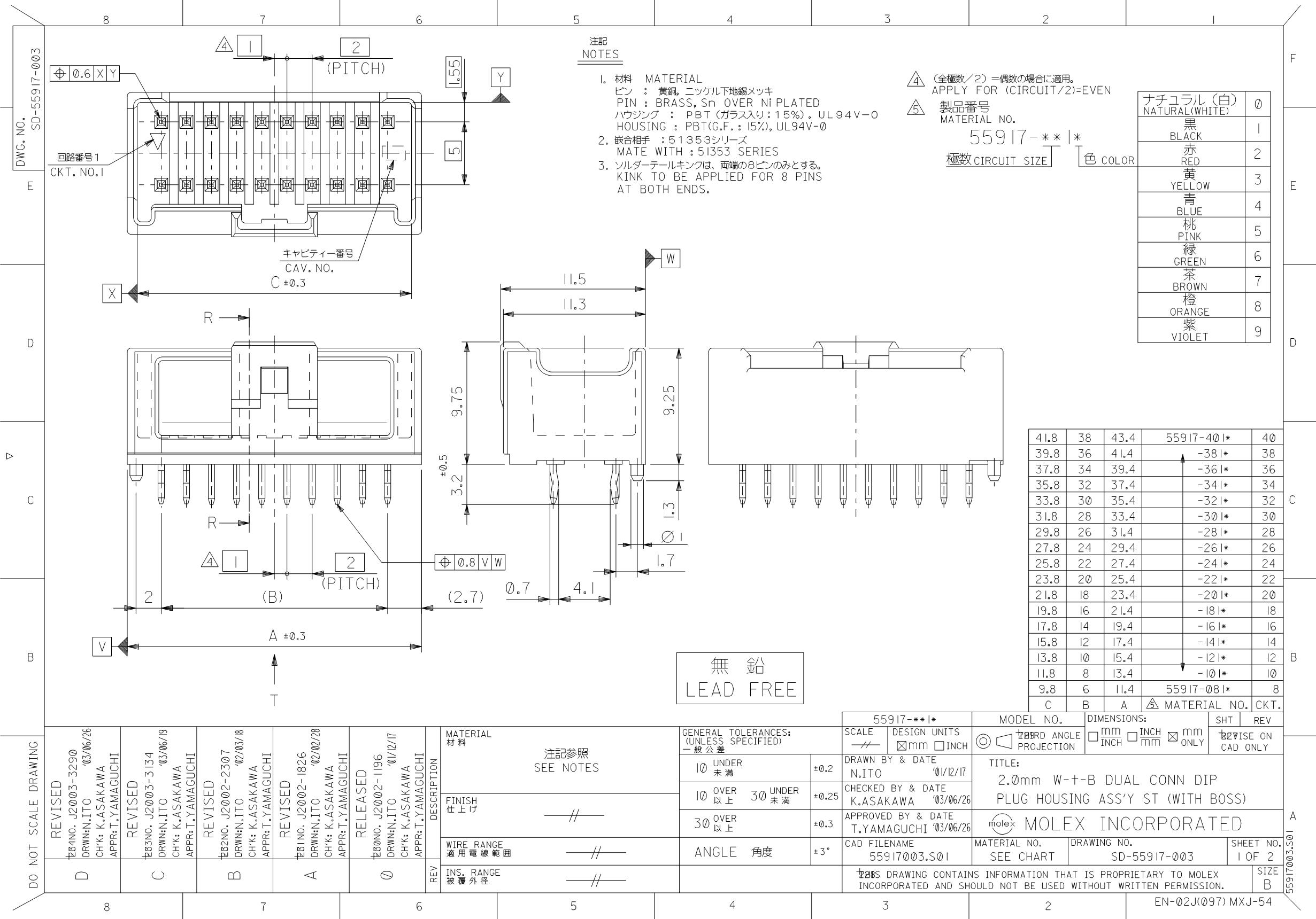
MOLEX 559172410
KOA Speer Elec RK73B1HTTC221J(100pcs)
-- XY2500V-C-5.08-3P(10pcs)
Coilmaster Elec SQH8040S-150M-LF
RALEC RAT02183JTH(100pcs)
CM1200HC-50H
Guangdong Fenghua Advanced Tech RC-02W132JT(100pcs)
MC8T26AP
TyoHM RMC120649.91%N(50pcs)
YAGEO RC0805FR-078M87L
Cybermax CMCC1608C6N8JSP(50pcs)
74HC4066DB
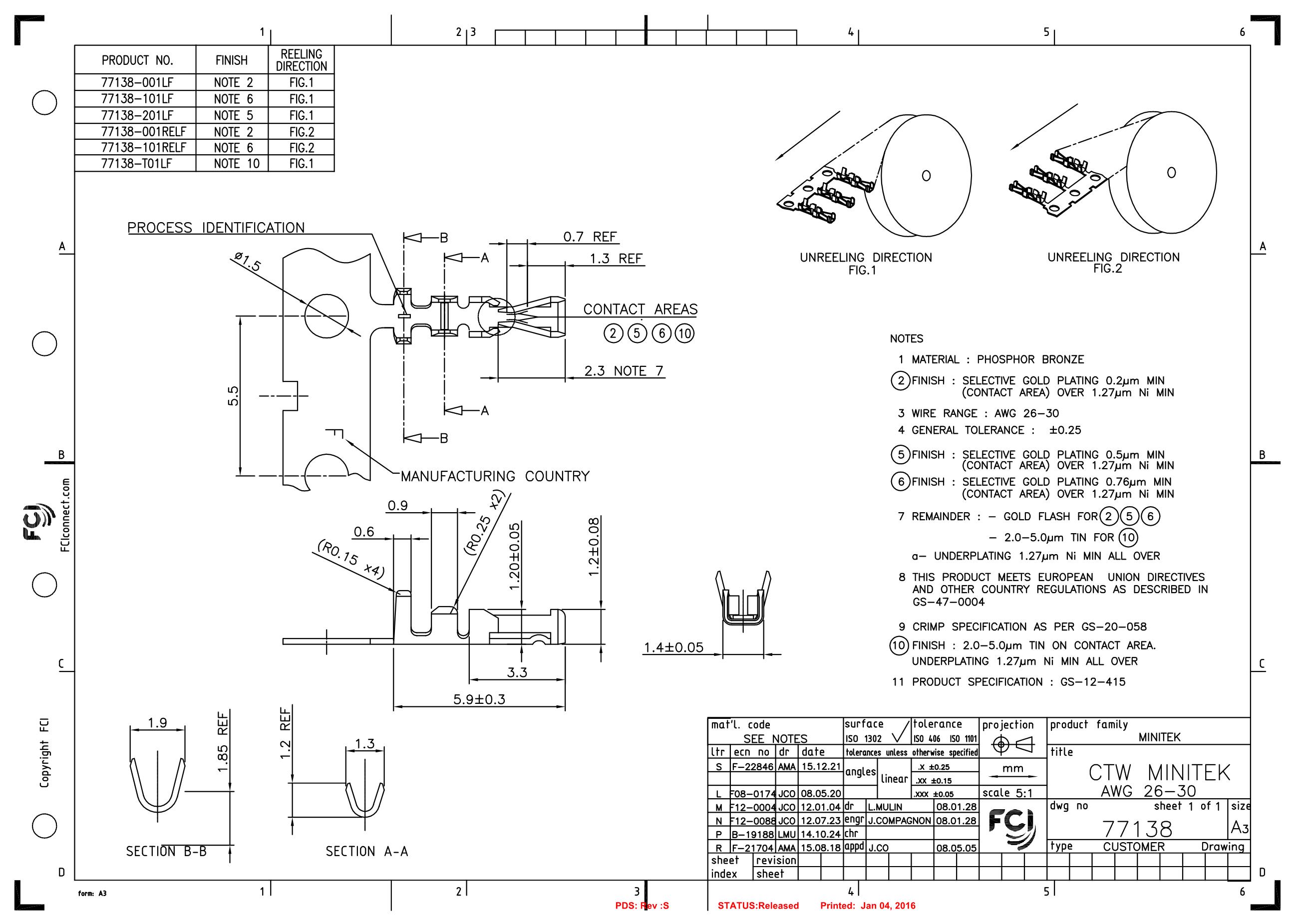
Amphenol ICC 77138-001LF(5pcs)
Walsin Tech Corp WR25X122 JTL(20pcs)
YAGEO CC0603BRNPO9BN1R1(50pcs)
Murata Electronics LQW15AN2N7D00D(10pcs)
Murata Electronics NFM21HC221R1H3D
Murata Electronics GCM21BR72A104JA37L(10pcs)