Cliquer ici pour visiter Utsource
Modèle
acheter(0)
Demandes d'offres (0)
Dear customers, due to the implementation of the GDPR policy in Europe, UTSOURCE has also made adjustment accordingly to meet the policy requirements. Please read the new privacy policy carefully and this window will no longer pop up after you accept it.
Delivery Address
+ Ajouter l'adresse
Nouvelle adresse de transport
* Veuillez remplir correctement le numéro de téléphone portable pour vous assurer que vous pouvez recevoir les informations de suivi à temps.
Code pays
Taiyo Yuden NRS5020T470MMGJ
PANASONIC ERJPA2J333X(20pcs)
microgate MGFI2012AR47KT-LF(20pcs)
25CTQ045PBF
KOA Speer Elec RK73B1JTTD2R0J(100pcs)
3L COILS SMTDR43-2R7M(5pcs)
PANASONIC ERJ6GEYJ820V(50pcs)
Guangdong Fenghua Advanced Tech RS-06K2052FT(50pcs)
UNI-ROYAL(Uniroyal Elec) 0201WMF5763TEE(100pcs)
Ever Ohms Tech CR0603F71R5P05(100pcs)
Sunlord MWSA0605S-470MT
FH(Guangdong Fenghua Advanced Tech) TD03G3320BT
Ymin LKME4502A331MF
Uniroyal Elec 201007F9100T4E(50pcs)
Guangdong Fenghua Advanced Tech RS-06K4873FT(50pcs)
DIBO DB2EKB-3.81-12P-GN-S
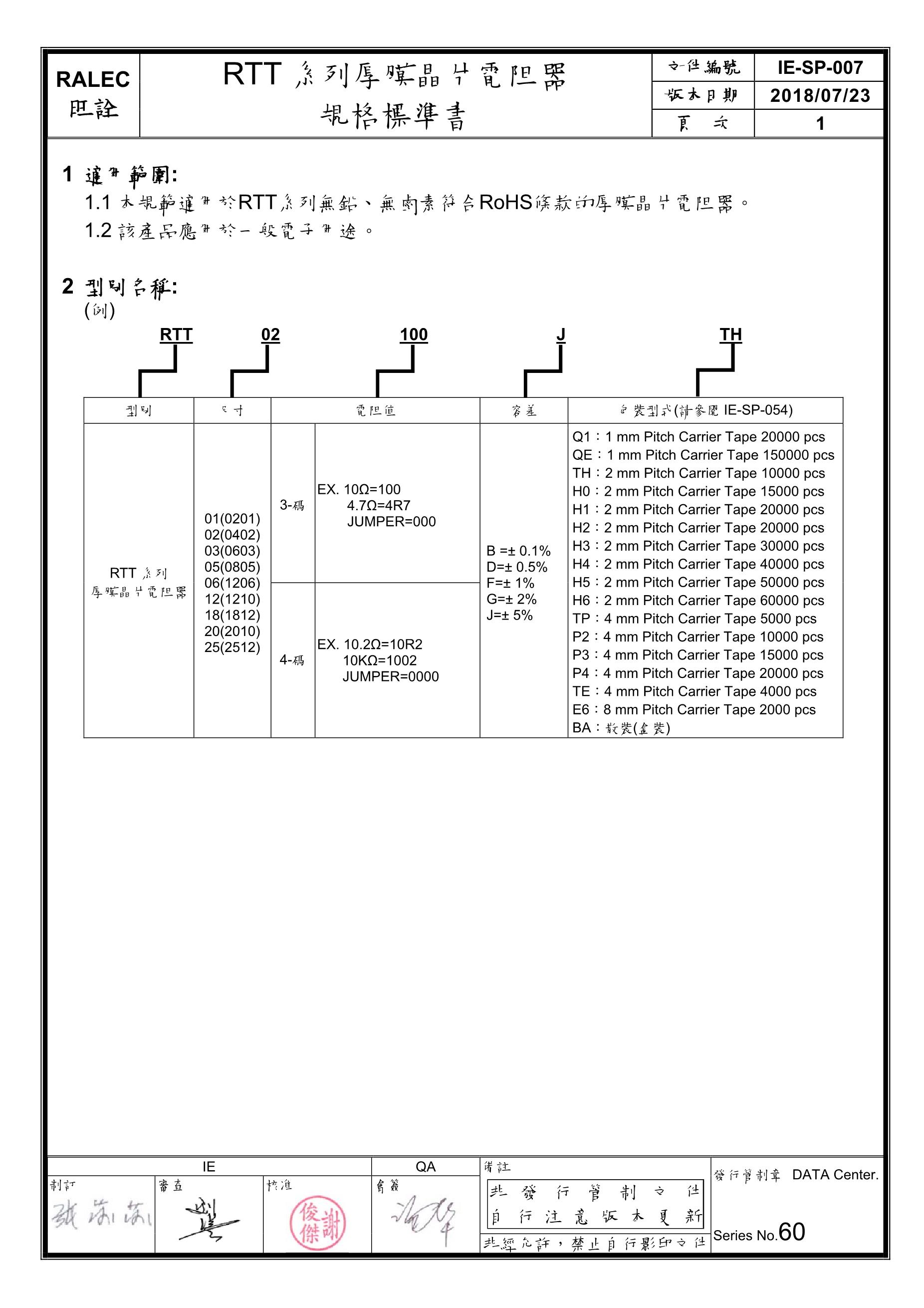
RALEC RTT254531FTE(10pcs)
J210