Cliquer ici pour visiter Utsource
Modèle
acheter(0)
Demandes d'offres (0)
Dear customers, due to the implementation of the GDPR policy in Europe, UTSOURCE has also made adjustment accordingly to meet the policy requirements. Please read the new privacy policy carefully and this window will no longer pop up after you accept it.
Delivery Address
+ Ajouter l'adresse
Nouvelle adresse de transport
* Veuillez remplir correctement le numéro de téléphone portable pour vous assurer que vous pouvez recevoir les informations de suivi à temps.
Code pays
Thunder Component MELF-MFR02041/4WS360ΩFT50(20pcs)
Harting Tech 09120123001
LM211DR
Walsin Tech Corp WR04X5113FTL(100pcs)
TA-I Tech RMS12FT1001(50pcs)
HX(Zhejiang Yueqing Hongxing Elec) HX20008-12Y(20pcs)
CHAMPION SMQP225K275F13XXB2815
Suzhou Liming Elec 49SSMD-9.509-20-10-10/B(5pcs)
Walsin Tech Corp 0201N2R2C250CT(100pcs)
JILN JL2EDGRM-50802G01(10pcs)
TyoHM RMC04022K1%N(100pcs)
YJYCOIN YPRH105R-4R7M
TXGA FHG10001-S12M2W1B(10pcs)
PANASONIC ERJ3EKF1241V(50pcs)
ResistorToday ETCR0603F8R20T9(50pcs)
UNI-ROYAL(Uniroyal Elec) 1210W2F470LT5E(50pcs)
TA-I Tech RMS10FT3R00(50pcs)
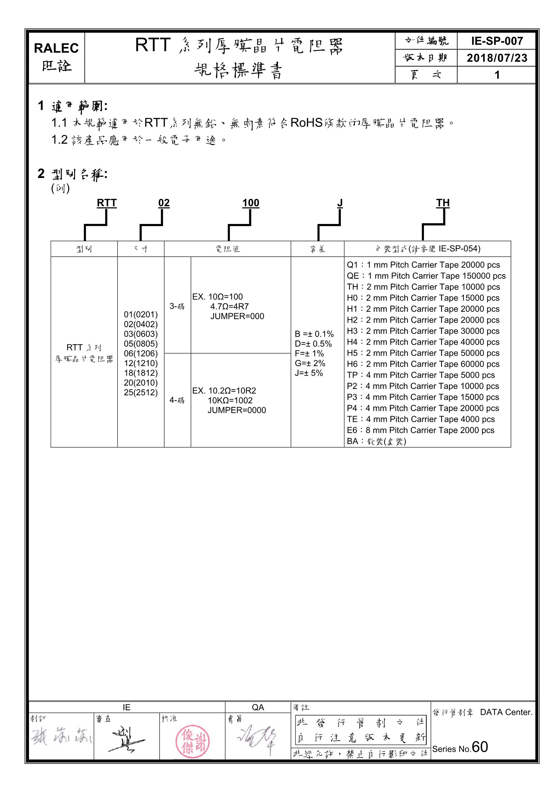
RALEC RTT202203FTE(20pcs)