Cliquer ici pour visiter Utsource
Modèle
acheter(0)
Demandes d'offres (0)
Dear customers, due to the implementation of the GDPR policy in Europe, UTSOURCE has also made adjustment accordingly to meet the policy requirements. Please read the new privacy policy carefully and this window will no longer pop up after you accept it.
Delivery Address
+ Ajouter l'adresse
Nouvelle adresse de transport
* Veuillez remplir correctement le numéro de téléphone portable pour vous assurer que vous pouvez recevoir les informations de suivi à temps.
Code pays
Walsin Tech Corp WF12P1002FTL(50pcs)
XCS30-4PQ208C
Shenzhen Yezhan Elec. ASR-K-5-1J-t
YAGEO AC0805FR-071M3L(50pcs)
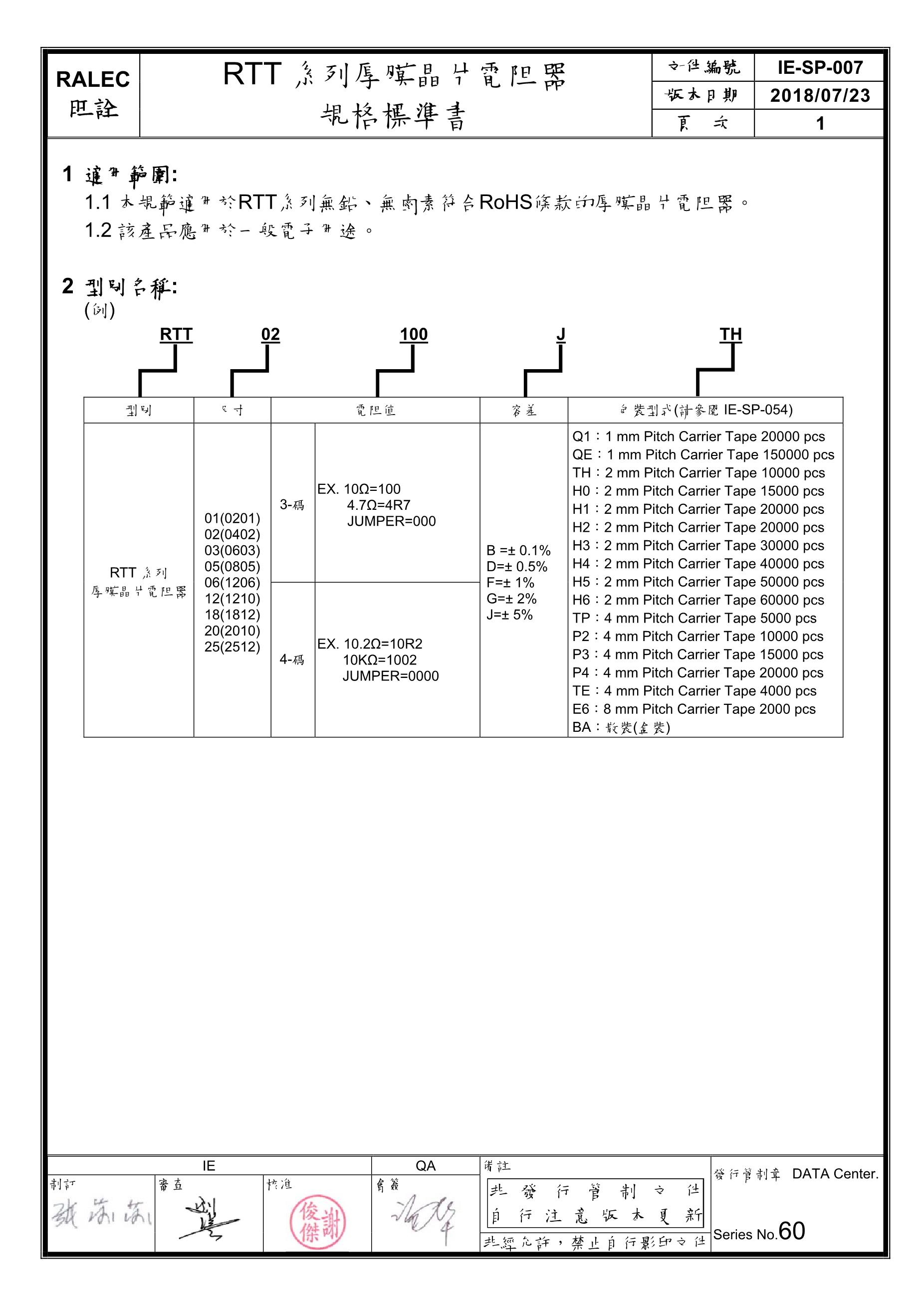
RALEC RTT1282R0FTP(50pcs)
AISHI(Aihua Group) ERJ1EM680D11C35T(20pcs)
Cixi Kefa Elec KF2EDGKAM-3.5-6P
CCTC TCC1206COG270J102DT(50pcs)
RALEC RTT201R6JTE(20pcs)
Cixi Kefa Elec KF2EDGVM-3.5-5P
PANASONIC ERJ8ENF51R0V(50pcs)
Viking Tech AR05BTCW0150(10pcs)
AISHI(Aihua Group) EGD2WM101M30OT
AISHI(Aihua Group) EGW2GM5R6G12C35T(5pcs)
Walsin Tech Corp WR08X2673FTL(100pcs)
TMP175AIDR
Coilcraft 026011C-33NXJRW
LM567CM