Cliquer ici pour visiter Utsource
Modèle
acheter(0)
Demandes d'offres (0)
Dear customers, due to the implementation of the GDPR policy in Europe, UTSOURCE has also made adjustment accordingly to meet the policy requirements. Please read the new privacy policy carefully and this window will no longer pop up after you accept it.
Delivery Address
+ Ajouter l'adresse
Nouvelle adresse de transport
* Veuillez remplir correctement le numéro de téléphone portable pour vous assurer que vous pouvez recevoir les informations de suivi à temps.
Code pays
Lelon VE-221M1VTR-1010
P2500SBL
YJYCOIN YP0402-330M(10pcs)
PANASONIC ERJ6ENF6191V(50pcs)
JST Sales America SM06B-PASS-1-TBT(LF)(SN)
Cixi Kefa Elec KF2EDGKA-3.81-9P
Walsin Tech Corp WR08X2260FTL(100pcs)
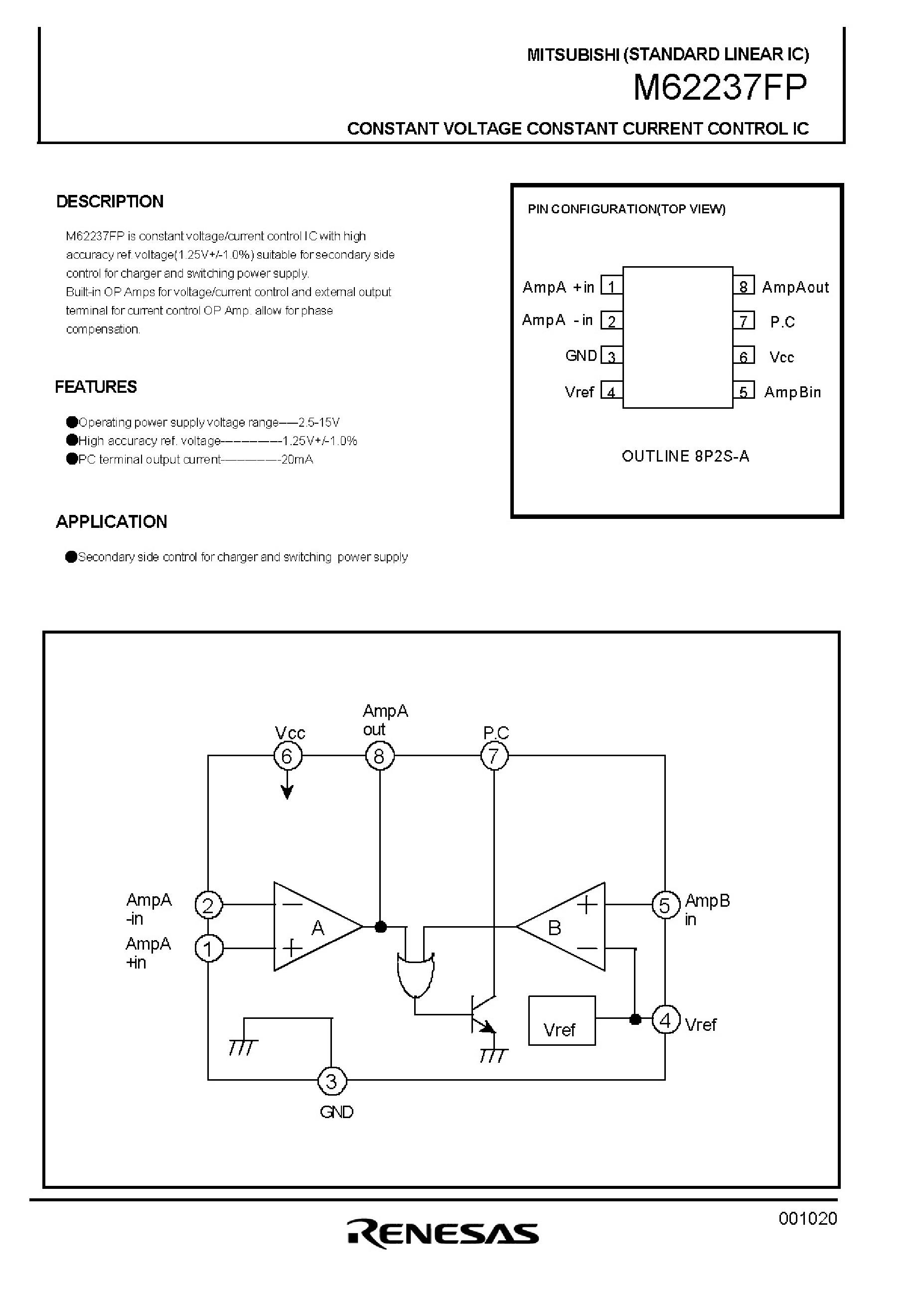
M62237FP
TOP210PFI
Taiyo Yuden NS12575T221MN
Sunlord SWPA8065S101MT
YAGEO CC0201BRNPO9BN2R2(100pcs)
SK60DTA08
8N4SV75BC-0019CDI
VIIYONG V332K0402X7R500NBT(100pcs)
DIBO DB2ERC-5.08-13P-GN
AVX 12062A471JAT2A(5pcs)
YAGEO AC1206FR-07124KL(50pcs)