Cliquer ici pour visiter Utsource
Modèle
acheter(0)
Demandes d'offres (0)
Dear customers, due to the implementation of the GDPR policy in Europe, UTSOURCE has also made adjustment accordingly to meet the policy requirements. Please read the new privacy policy carefully and this window will no longer pop up after you accept it.
Delivery Address
+ Ajouter l'adresse
Nouvelle adresse de transport
* Veuillez remplir correctement le numéro de téléphone portable pour vous assurer que vous pouvez recevoir les informations de suivi à temps.
Code pays
PANASONIC ERJ2GEJ241X(50pcs)
BSM100GB120DN2K
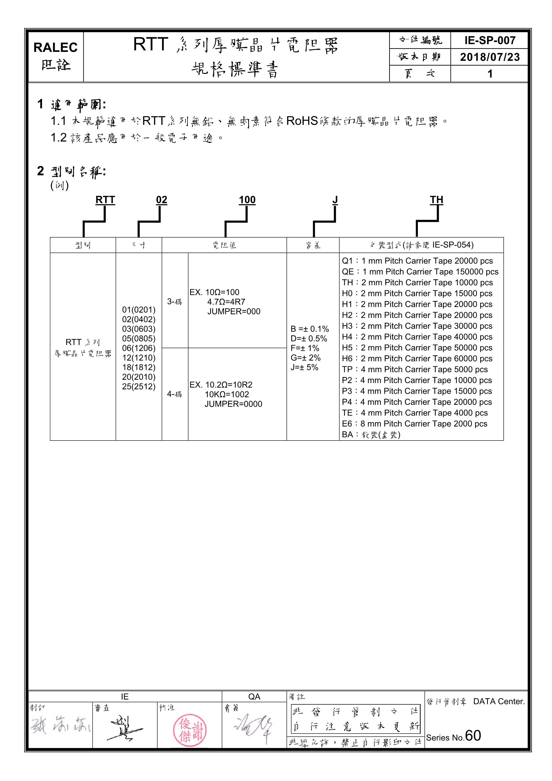
RALEC RTT011071FTH(100pcs)
BOURNS CR1206-FX-2493ELF(50pcs)
CNX62A
RALEC RTT02R100FTH(50pcs)
Walsin Tech Corp WR02X6340FAL(100pcs)
Viking Tech AR05DTC4302(20pcs)
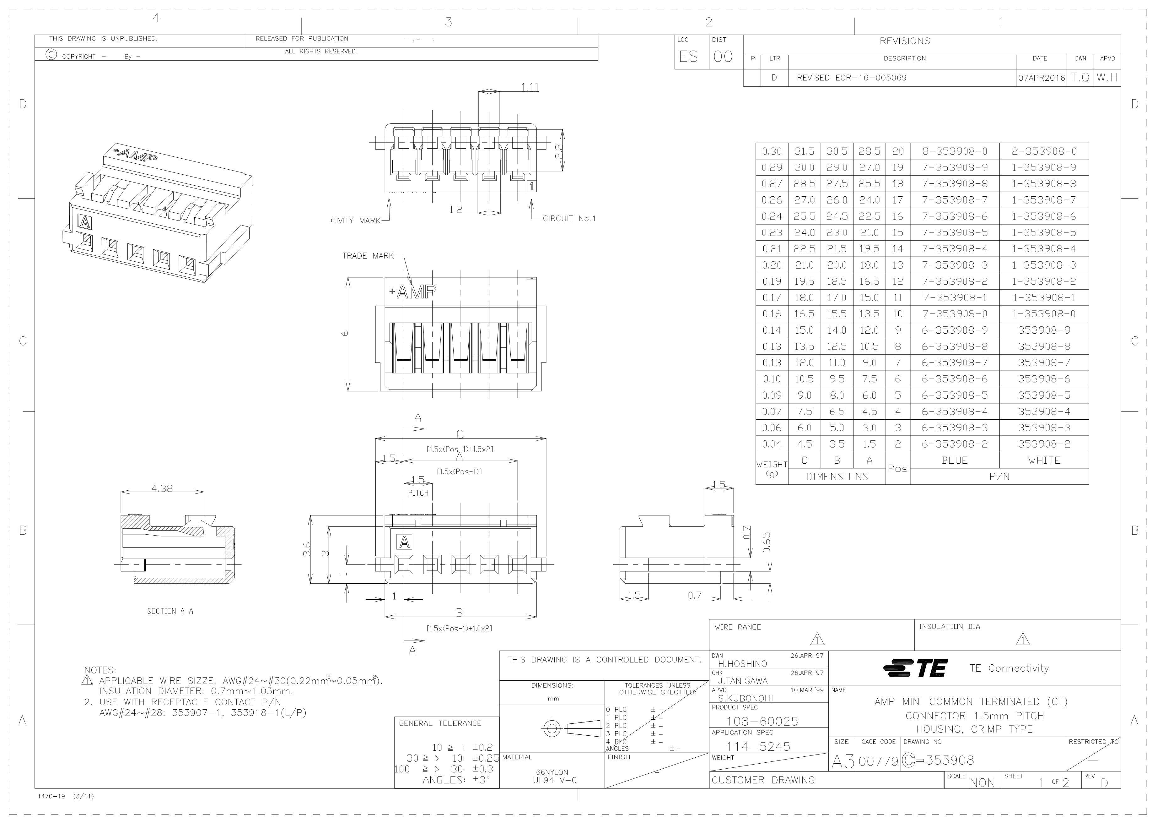
TE Connectivity 1-353908-0
KEMET C0402C105K9PAC7867(50pcs)
PANASONIC ECWH8473HA
TDK CGA2B2C0G1H6R8DT0Y0F(50pcs)
Ymin LKMI1602W330MF
Uniroyal Elec 25121WF6041T4E(100pcs)
KIA378R12PI
Capxon International Elec KM221M010E110A(20pcs)
AD7680ARM
UNI-ROYAL(Uniroyal Elec) MS061WF700NT5E(5pcs)