Clicca qui per visitare il sito Utsource
Tipo
Acquista(0)
Richiesta di prezzo (0)
Dear customers, due to the implementation of the GDPR policy in Europe, UTSOURCE has also made adjustment accordingly to meet the policy requirements. Please read the new privacy policy carefully and this window will no longer pop up after you accept it.
Delivery Address
+ Aggiungi l'indirizzo
Nuovo indirizzo di spedizione
* Si prega di inserire correttamente il numero di cellulare per assicurarsi di poter ricevere le informazioni di tracciamento in tempo.
Codice paese
YJYCOIN YNR6045-100M(5pcs)
YAGEO RC0805FR-07102RL(100pcs)
ROHM Semicon PMR100HZPJV1L0
CENKER CKCS252010-10uH/M(10pcs)
KOA Speer Elec RK73H1ETTP1333F(100pcs)
YAGEO AC0603FR-07576KL(100pcs)
SN74AHC374PW
Thunder Component MELF-MFR02041/4WS453KΩFT50(20pcs)
TyoHM RMC04025.1K5%N(100pcs)
YAGEO CC0201JRNPO9BN100(50pcs)
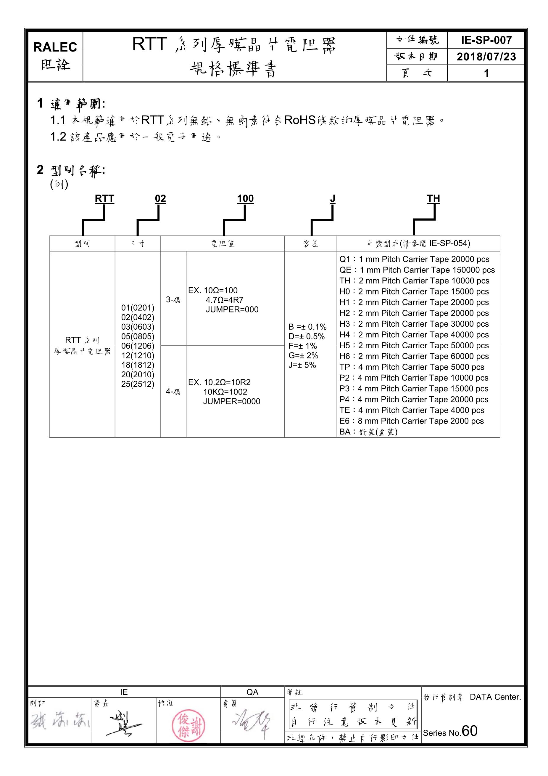
RALEC RTT12R036FTP(20pcs)
BOURNS CR0805-FX-1621ELF(50pcs)
AT24C256C-XHL-T
Viking Tech AR02DTD3002(50pcs)
Walsin Tech Corp WR04X2671FTL(100pcs)
Taiyo Yuden NRS8040T100MJGJ
AN7171K
PANASONIC ERA3AEB680V(5pcs)