Clicca qui per visitare il sito Utsource
Tipo
Acquista(0)
Richiesta di prezzo (0)
Dear customers, due to the implementation of the GDPR policy in Europe, UTSOURCE has also made adjustment accordingly to meet the policy requirements. Please read the new privacy policy carefully and this window will no longer pop up after you accept it.
Delivery Address
+ Aggiungi l'indirizzo
Nuovo indirizzo di spedizione
* Si prega di inserire correttamente il numero di cellulare per assicurarsi di poter ricevere le informazioni di tracciamento in tempo.
Codice paese
Sunlord SDWL1608C47NKSTF(10pcs)
Chian Chia Elec CR-L5W-30KΩJ(5pcs)
PANASONIC EEEFKC220UAR
Ever Ohms Tech TR0603B475KP0525Z(20pcs)
AD8510ARMZ-R2
SRD(Shenzhen Sincerity Tech) MPP124J2130307LC(10pcs)
PANASONIC ERJ3EKF46R4V(50pcs)
KOA Speer Elec RK73H2BTTD6800F(50pcs)
PANASONIC ERJ3EKF21R0V(50pcs)
TAITEC HPC5040NF-1R0M(5pcs)
Walsin Tech Corp WR08X88R7FTL(100pcs)
Murata Electronics GRM31AR72H102KW01D(10pcs)
Walsin Tech Corp WR12X3091FTL(50pcs)
TDK CGA4J2X7R1C105KT0Y0N(10pcs)
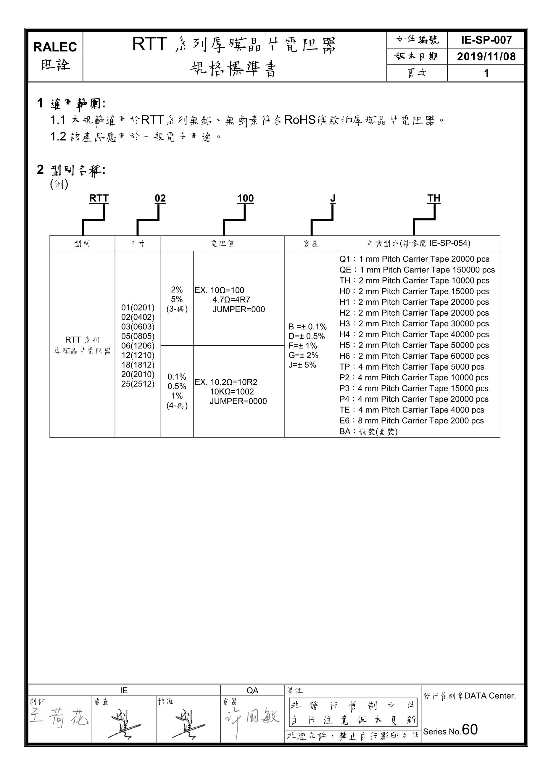
RALEC RTT12225JTP(50pcs)
MHPM7B16A120B
Ymin VKME2102C680MV
AD5160BRJZ5-RL7