UTSOURCE()サイトは、ここをクリック
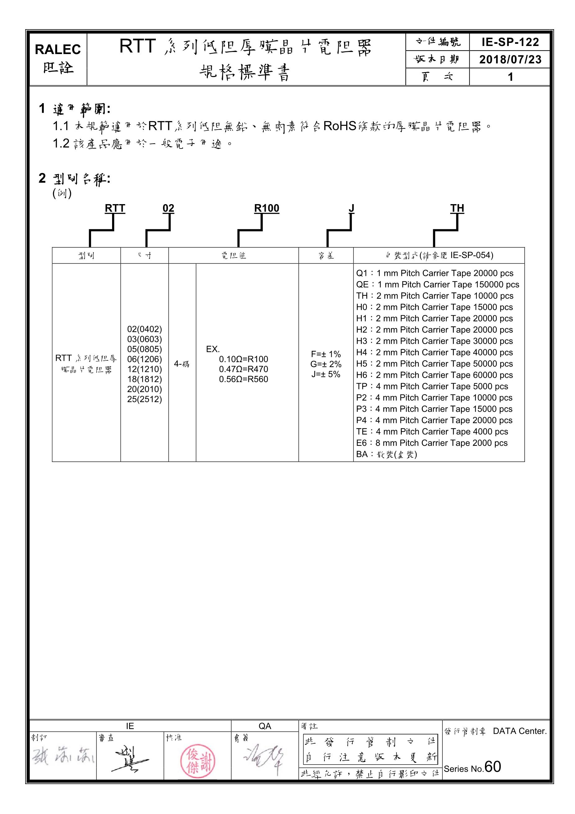
種類
購入(0)
引き合い(0)
Dear customers, due to the implementation of the GDPR policy in Europe, UTSOURCE has also made adjustment accordingly to meet the policy requirements. Please read the new privacy policy carefully and this window will no longer pop up after you accept it.
Delivery Address
+ アドレスの追加
新運送先
*追跡情報を時間内に受信できるように、携帯電話番号を正しく入力してください。
国コード
Uniroyal Elec 1210W2F4120T5E(50pcs)
RALEC RTT12R680FTP(20pcs)
XKB Enterprise X3025WVS-2*01D-LPSW
HX(Zhejiang Yueqing Hongxing Elec) HX12501-6AWB(10pcs)
Guangdong Fenghua Advanced Tech RC-01W5762FT(100pcs)
ResistorToday PTFR0603B200KN9
Me-TECH CD54-2R2M-T(10pcs)
TyoHM RMC060313K1%N(100pcs)
Sunlord SDCL0603Q6N2JT02B03(50pcs)
TA-I Tech RLP25FEGR080(5pcs)
Taiyo Yuden NRS5030T2R2NMGJ
PANASONIC ETQP8M4R7JFA
ResistorToday PTFR0603B49R9P9(5pcs)
LM109K
STM32F107VCT6
Sunltech Tech SCL2012LR47KSP(50pcs)
MC3363DW
TA-I Tech RMS10FT3923(50pcs)