Utsource 사이트에 들어가려면 여기를 클릭하세요
형식
구입(0)
가격문의(0)
Dear customers, due to the implementation of the GDPR policy in Europe, UTSOURCE has also made adjustment accordingly to meet the policy requirements. Please read the new privacy policy carefully and this window will no longer pop up after you accept it.
Delivery Address
+ 주소추가
새로운화물운송주소
* 추적 정보를 제때받을 수 있도록 휴대폰 번호를 정확하게 입력하십시오.
국가 코드
ResistorToday EWWR0006J2R20T9
YAGEO RT0402DRE07100KL(50pcs)
Ningbo Kangnex Elec WJ15EDGKA-3.81-15P
YAGEO CC0603KRX7R8BB563(50pcs)
Cixi Kefa Elec KF2EDGKM-3.81-3P
PANASONIC ERJP03J751V(10pcs)
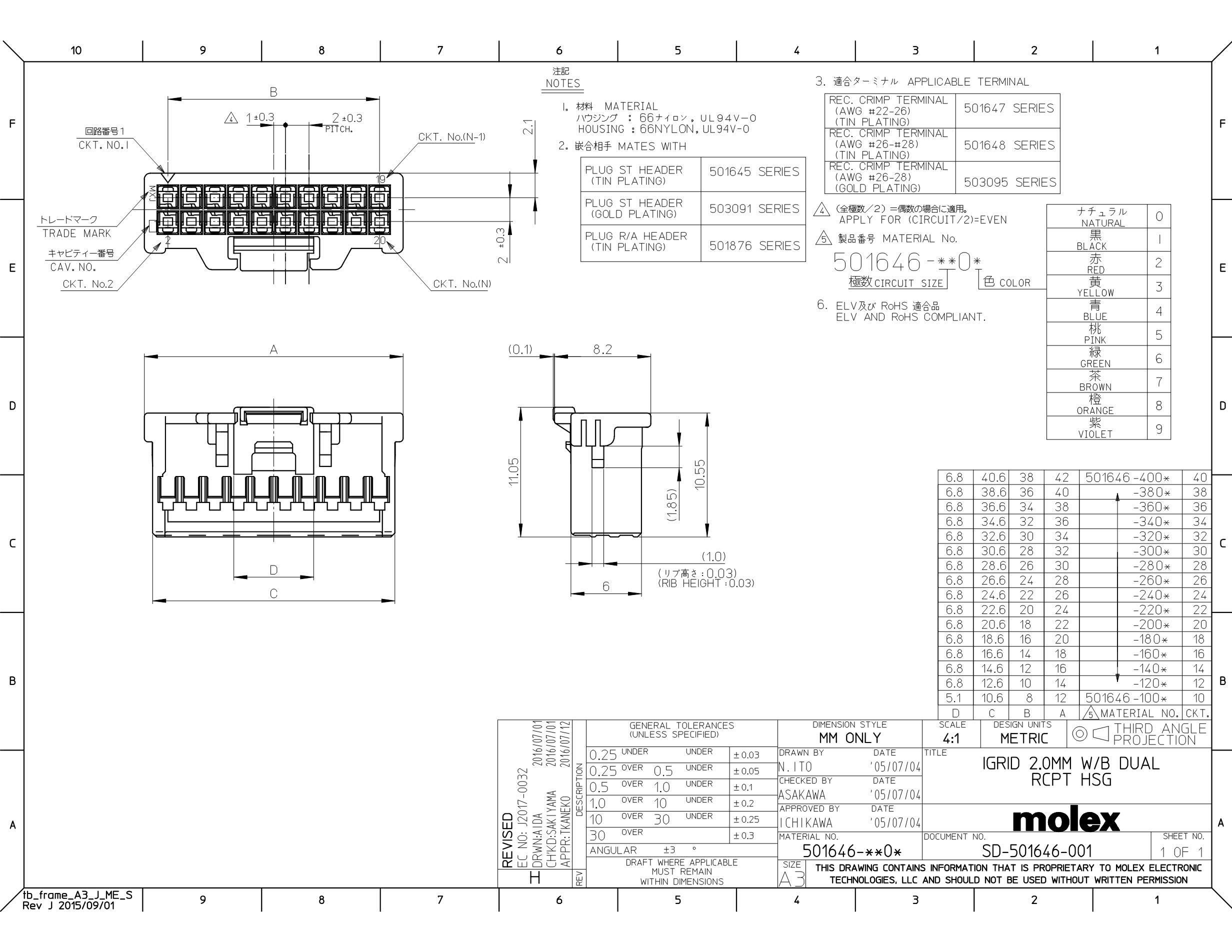
MOLEX 5016463200
Sunlord SDWL1005C9N9JSTFM01(10pcs)
LM324DT
SN75ALS194DR
Sunlord SDWL1005C4N9SSTFM01(10pcs)
Uniroyal Elec 201007J091KT4E(50pcs)
Uniroyal Elec 201007F620JT4E(50pcs)
CRC RS3092
YAGEO RC0805FR-07215KL(100pcs)
SL1611
Changjiang Connectors A1255HA-4P(10pcs)
PANASONIC EEUFS0J272