Utsource 사이트에 들어가려면 여기를 클릭하세요
형식
구입(0)
가격문의(0)
Dear customers, due to the implementation of the GDPR policy in Europe, UTSOURCE has also made adjustment accordingly to meet the policy requirements. Please read the new privacy policy carefully and this window will no longer pop up after you accept it.
Delivery Address
+ 주소추가
새로운화물운송주소
* 추적 정보를 제때받을 수 있도록 휴대폰 번호를 정확하게 입력하십시오.
국가 코드
ResistorToday EWWR0006J10R0T9
MAX6325CSA
PANASONIC ERJ2RKF5600X(50pcs)
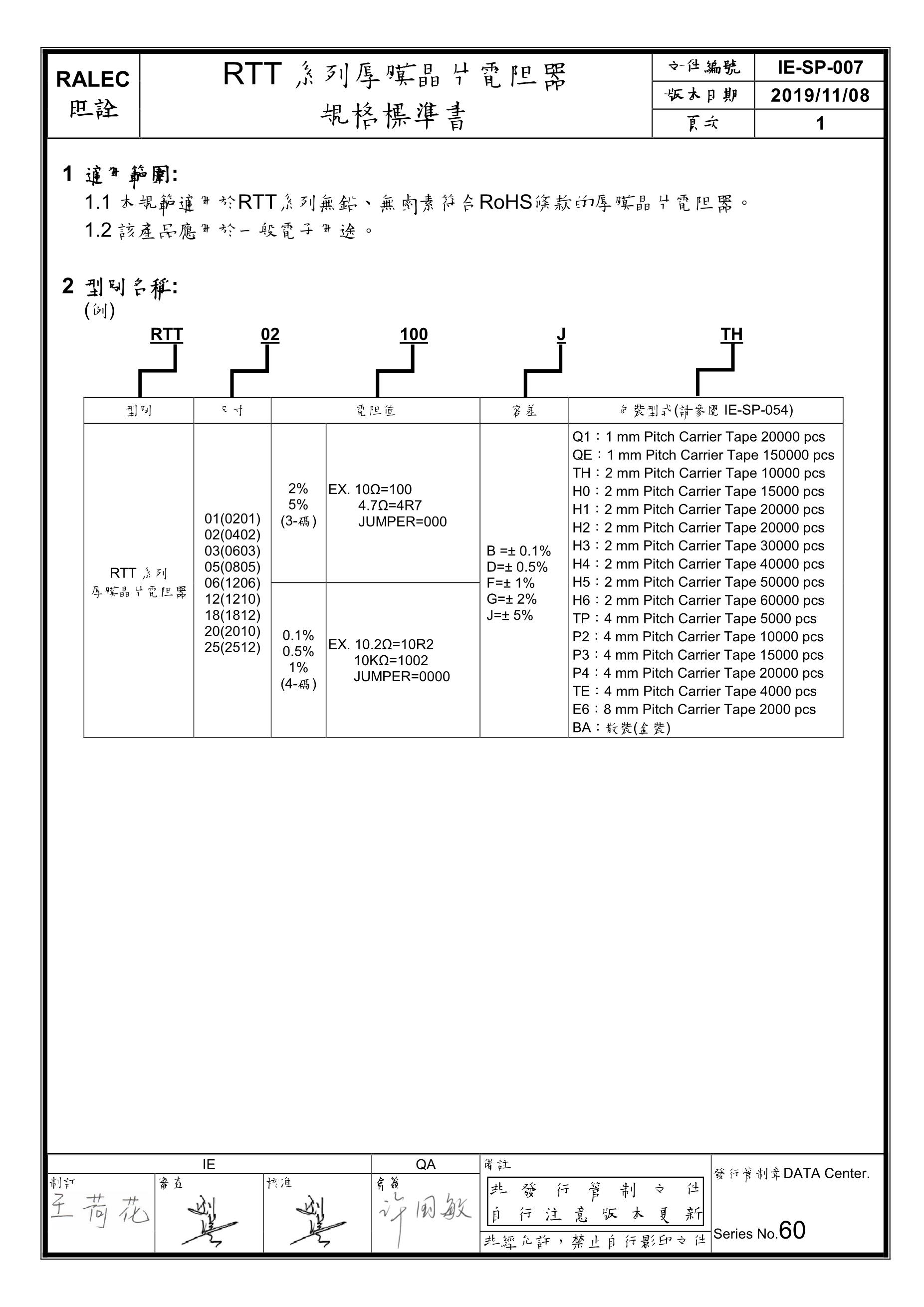
RALEC RTT204300FTE(20pcs)
MACH110-15JC
LT1072HVCT
PANASONIC ERJ3EKF1431V(50pcs)
Songtian Elec STE05D270K1BN0FSB0R0(10pcs)
SP491CN
TDK VLCF5020T-470MR51-1
Walsin Tech Corp WR02X330 JAL(100pcs)
Viking Tech AR06FTCV6800(50pcs)
ZheJiang East Crystal Elec M24000J054(5pcs)
Hirose/HRS BM24-40DP/2-0.35V(51)
RALEC RTT20R012JTE(20pcs)
YAGEO CC0603FRNPO9BN430(10pcs)
YAGEO CC0805JRNPO9BN271(50pcs)
YAGEO AC1210FR-071K05L(20pcs)