Click Here to enter Utsource site
Category
Buy(0)
Inquiry(0)
Dear customers, due to the implementation of the GDPR policy in Europe, UTSOURCE has also made adjustment accordingly to meet the policy requirements. Please read the new privacy policy carefully and this window will no longer pop up after you accept it.
Delivery Address
+ Add Address
The new shipping address
* Please fill in the cell phone number correctly to make sure that you can receive the tracking info in time.
Country Code
Sunlord SDWL1005C51NJSTFM01(10pcs)
Viking Tech ARG06DTC0100(50pcs)
Cybermax CMLW5012S4R7MST
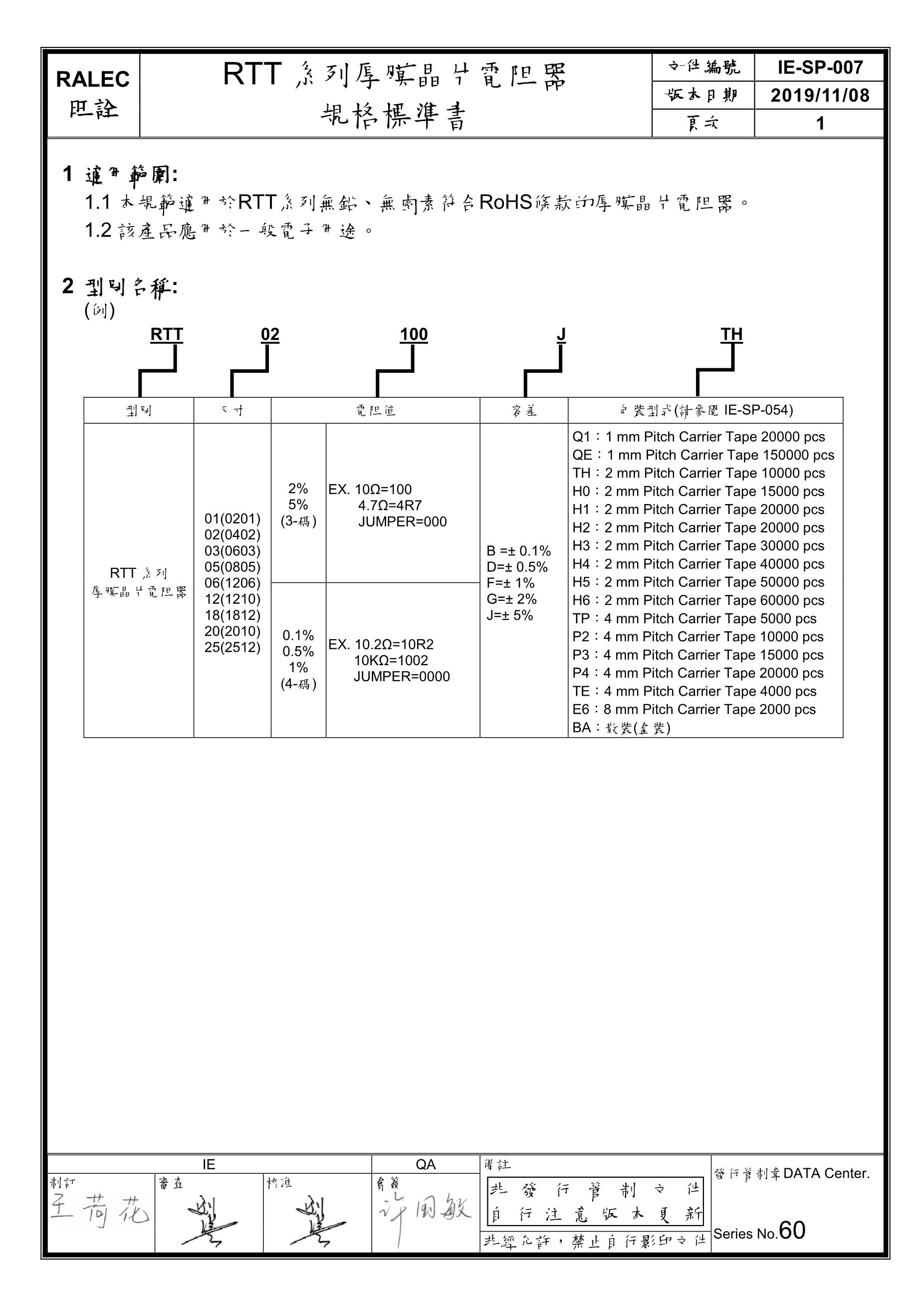
RALEC RTT12245JTP(50pcs)
IS42S16100E-7TLI-TR
TyoHM RN 1/4W 1R6 F T/B A1(50pcs)
Coilmaster Elec SQH4018S-330M-LF
HXT 25000-02Y-12B2(50pcs)
MM3Z43VC
Viking Tech AR03FTC1651(50pcs)
UNI-ROYAL(Uniroyal Elec) 201007J010JT4E(50pcs)
Rubycon 63YXM47MEFC8X11.5(5pcs)
Changjiang Connectors A3961H-9P(10pcs)
XFCN T34008
YAGEO RC0402FR-07191KL(100pcs)
TC2000
Guangdong Fenghua Advanced Tech RS-05L4R02FT(100pcs)
PACVGA203QR