Clique Aqui para entrar no site da Utsource
Tipo
Comprar(0)
Inquérito(0)
Dear customers, due to the implementation of the GDPR policy in Europe, UTSOURCE has also made adjustment accordingly to meet the policy requirements. Please read the new privacy policy carefully and this window will no longer pop up after you accept it.
Delivery Address
+ Adicionar endereço
Novo endereço de transporte de carga
* Por favor, preencha o número do telefone celular corretamente para ter certeza de que você pode receber as informações de rastreamento a tempo.
Código do país
COILANK INTERNATIONAL AHSC201212JR47(5pcs)
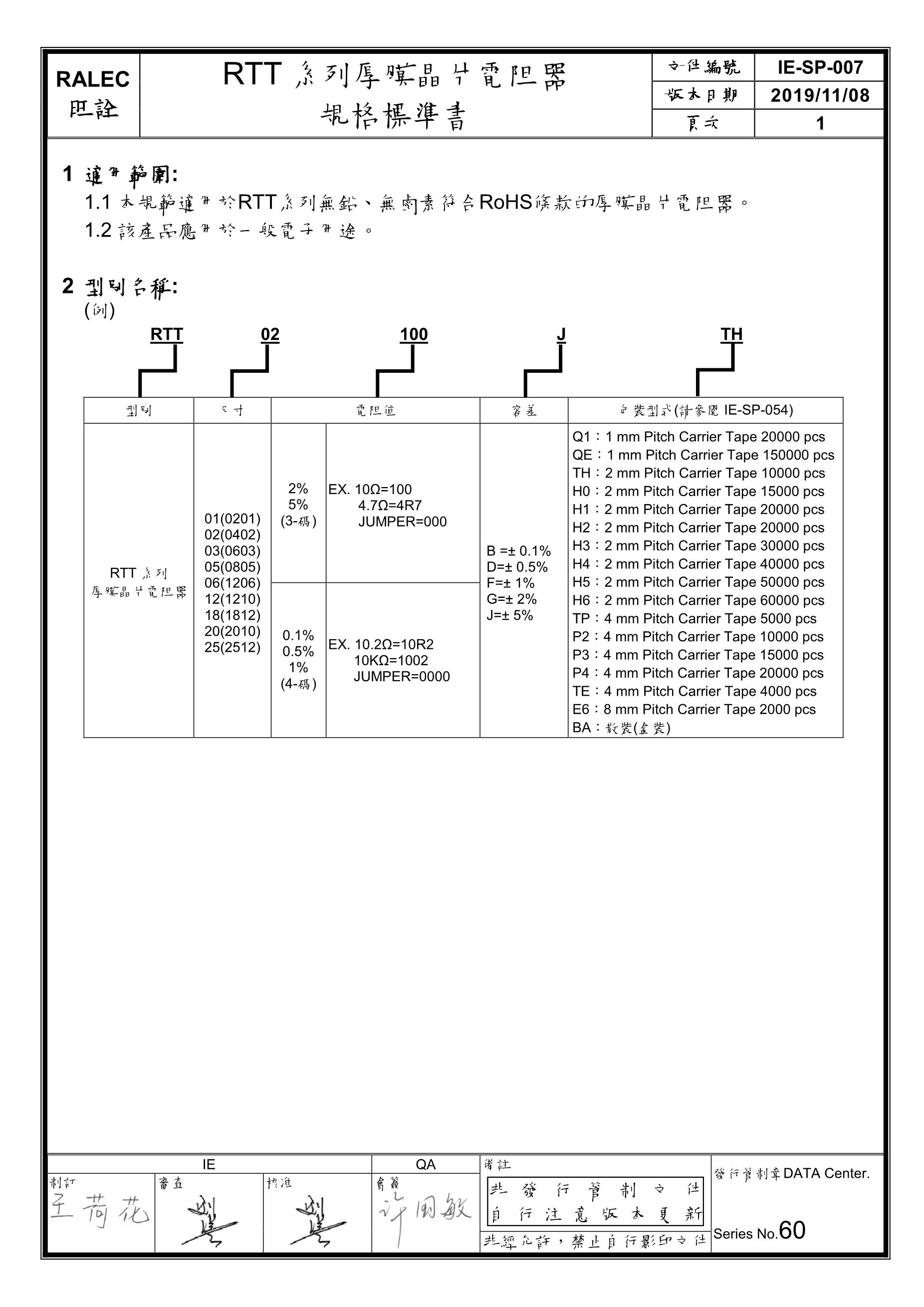
RALEC RTT12114JTP(50pcs)
Walsin Tech Corp WR12W3R01FTL(50pcs)
BD3426K
Thunder Component MELF-MFR02041/4WS36KΩFT50(20pcs)
Darfon Elec SPS20162R2MPCA(5pcs)
Rubycon 100ZLH33MEFC8X11.5
8N3Q001KG-1088CDI
Guangdong Fenghua Advanced Tech RS-10L2R00FT(50pcs)
ResistorToday AECR0603F360RK9(50pcs)
JST Sales America S08B-PASK-2(LF)(SN)
IRF634
YAGEO RC1206FR-0730R1L(100pcs)
JGHC 49SAC27120102040(5pcs)
KAMAYA RMC1/16SK203FTH-M(100pcs)
YAGEO AC0603FR-07402RL(100pcs)
Guangdong Fenghua Advanced Tech RS-05K4220FT(50pcs)
6N136SV