คลิกที่นี่เพื่อเข้าสู่เว็บไซต์ Utsource
หมวดหมู่
ซื้อ(0)
การสอบถาม(0)
Dear customers, due to the implementation of the GDPR policy in Europe, UTSOURCE has also made adjustment accordingly to meet the policy requirements. Please read the new privacy policy carefully and this window will no longer pop up after you accept it.
Delivery Address
+ เพิ่มที่อยู่
ที่อยู่จัดส่งใหม่
* กรุณากรอกหมายเลขโทรศัพท์มือถือให้ถูกต้องเพื่อให้แน่ใจว่าคุณจะได้รับข้อมูลการติดตามตรงเวลา.
รหัสประเทศ
Shenzhen Yezhan Elec. YLR12-2-45F-W(5pcs)
EMTEK CMF4532F-900-2P-Tms
BOURNS CR0603-FX-7321ELF(50pcs)
Viking Tech AR02BTD5102(20pcs)
8N4DV85AC-0168CDI8
ResistorToday AECR1210F24K0K9(10pcs)
YAGEO RC0805FR-0719R1L(100pcs)
Uniroyal Elec 1206W4F4750T5E(50pcs)
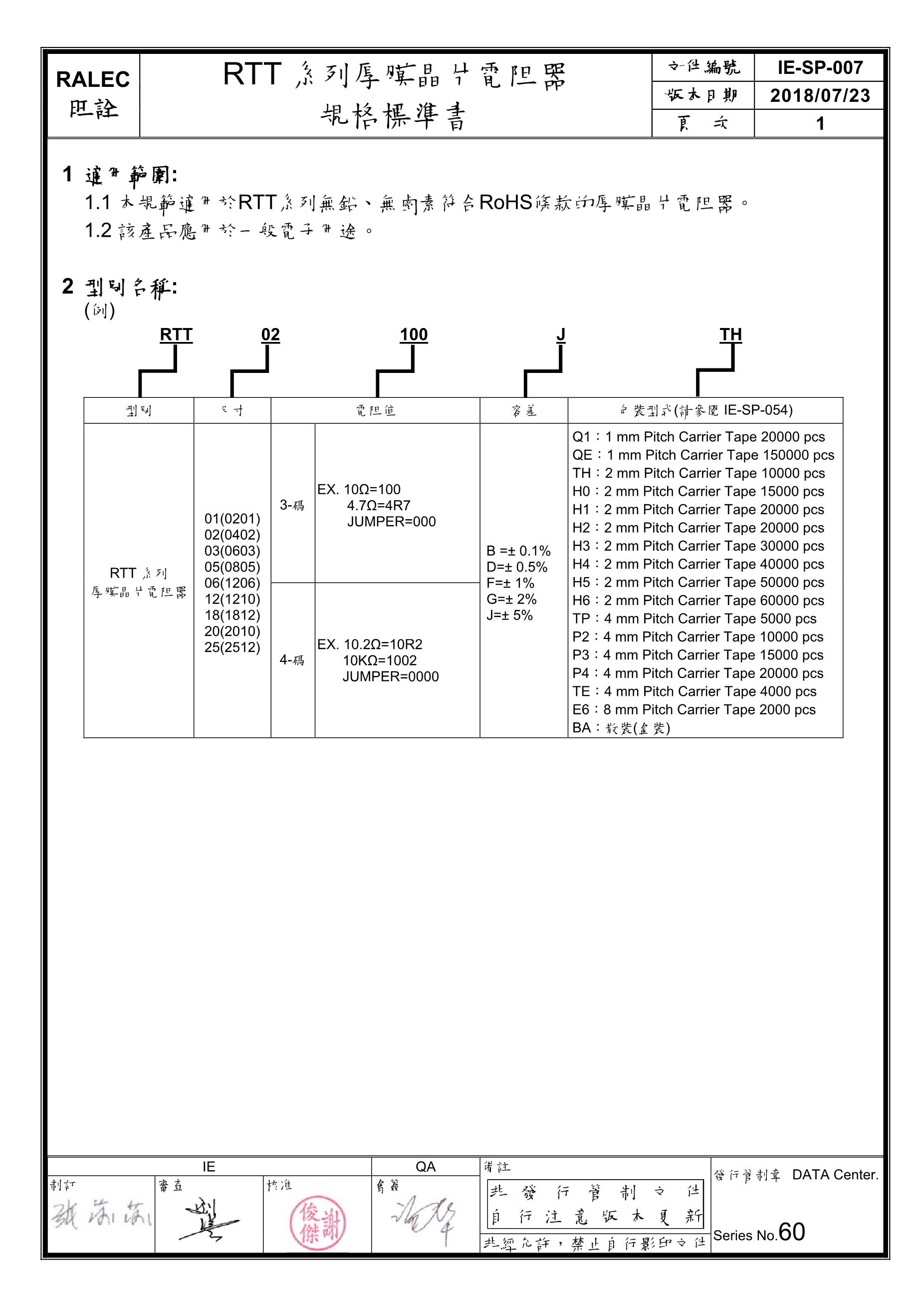
RALEC RTT022154FTH(100pcs)
DIBO DB2EK-3.5-4P
FH(Guangdong Fenghua Advanced Tech) RC-12K111JT(20pcs)
PANASONIC EEEFC1E220P
TE Connectivity 967632-1
Rubycon 25ZLJ1200M10X25
TDG TMAX-1365-4R7-M
Guangdong Fenghua Advanced Tech RS-03K91R0FT(100pcs)
SHOU HAN 1.25-2P WT(20pcs)
RALEC RTT02R300FTH(50pcs)