คลิกที่นี่เพื่อเข้าสู่เว็บไซต์ Utsource
หมวดหมู่
ซื้อ(0)
การสอบถาม(0)
Dear customers, due to the implementation of the GDPR policy in Europe, UTSOURCE has also made adjustment accordingly to meet the policy requirements. Please read the new privacy policy carefully and this window will no longer pop up after you accept it.
Delivery Address
+ เพิ่มที่อยู่
ที่อยู่จัดส่งใหม่
* กรุณากรอกหมายเลขโทรศัพท์มือถือให้ถูกต้องเพื่อให้แน่ใจว่าคุณจะได้รับข้อมูลการติดตามตรงเวลา.
รหัสประเทศ
Walsin Tech Corp MR08X1003FTL(100pcs)
PHP44N06T
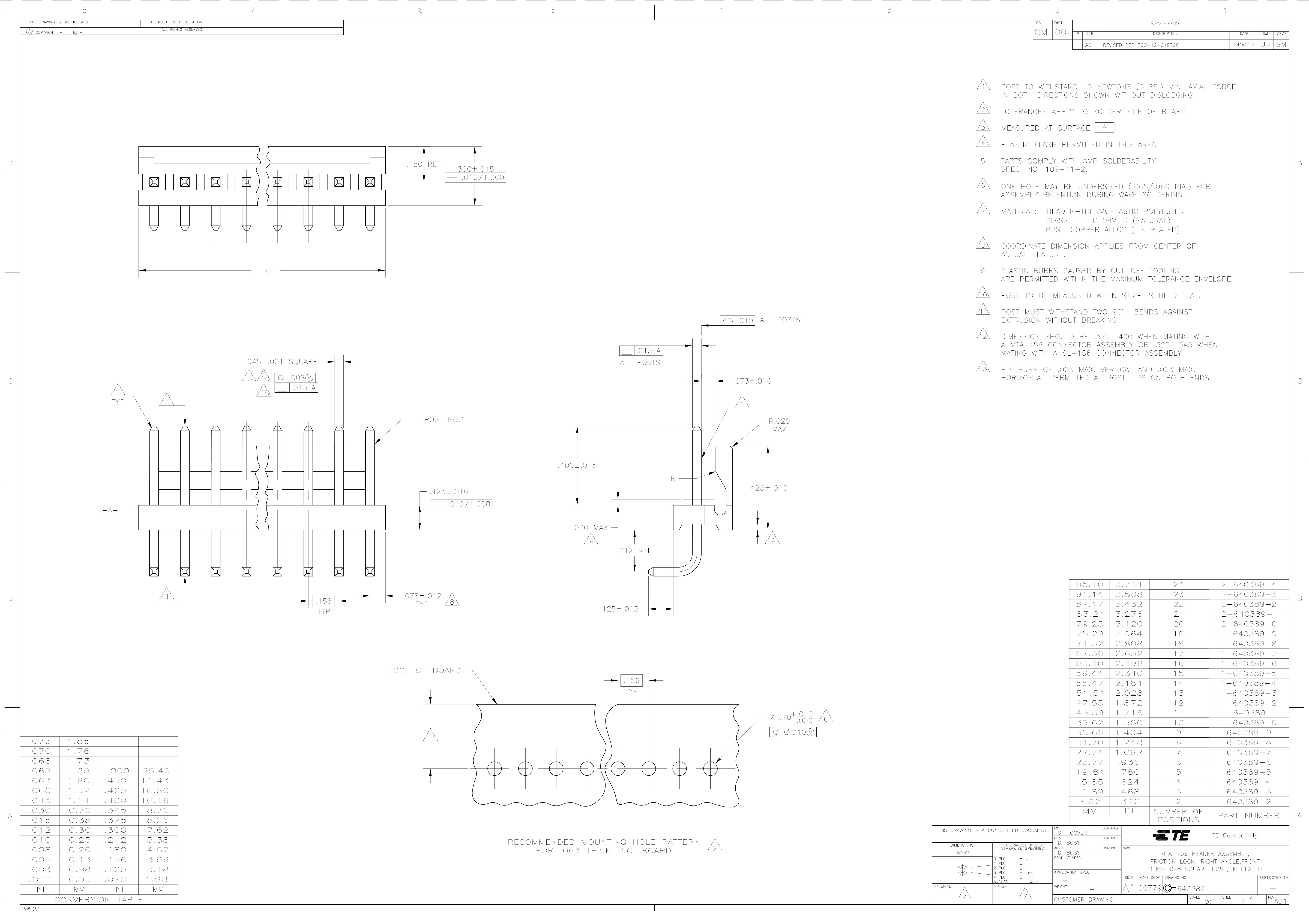
TE Connectivity 640389-6
PANASONIC ERJ6ENF1873V(50pcs)
Thunder Component MELF-MFR02041/4WS681ΩFT50(20pcs)
MPC860DTCVR50D4
Murata Electronics GRM032R60J104KE15D(10pcs)
Walsin Tech Corp WR06W3R32FTL(100pcs)
ROHM Semicon KTR25JZPJ513(20pcs)
TDG TMAX-1365-2R2-M
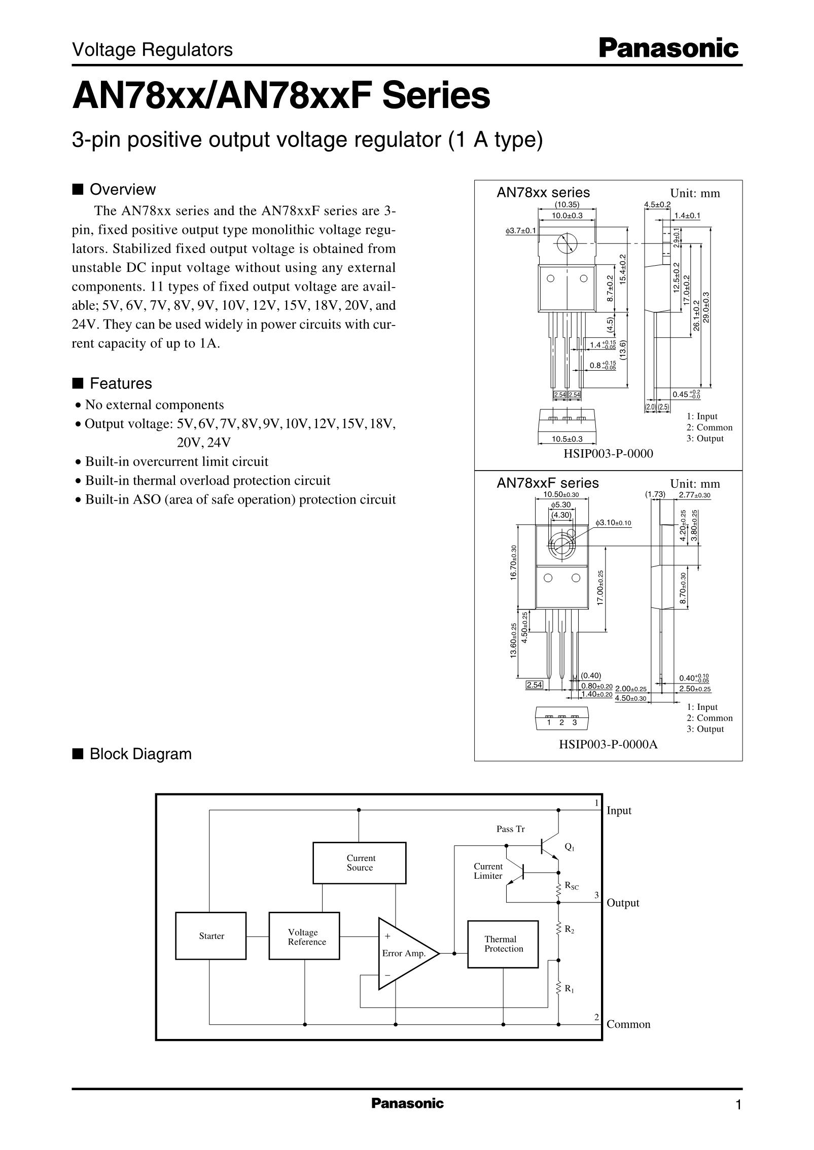
AN7805
Guangdong Fenghua Advanced Tech RS-06L5R49FT(50pcs)
Hanbo Electronic TF-015
MOLEX 5023510900
CM300DY-12H
YAGEO AC0603JR-0712KL(100pcs)
TyoHM RMC0603335%N(100pcs)
TyoHM RMC12061201%N(50pcs)