คลิกที่นี่เพื่อเข้าสู่เว็บไซต์ Utsource
หมวดหมู่
ซื้อ(0)
การสอบถาม(0)
Dear customers, due to the implementation of the GDPR policy in Europe, UTSOURCE has also made adjustment accordingly to meet the policy requirements. Please read the new privacy policy carefully and this window will no longer pop up after you accept it.
Delivery Address
+ เพิ่มที่อยู่
ที่อยู่จัดส่งใหม่
* กรุณากรอกหมายเลขโทรศัพท์มือถือให้ถูกต้องเพื่อให้แน่ใจว่าคุณจะได้รับข้อมูลการติดตามตรงเวลา.
รหัสประเทศ
Sunlord SPH3010H100MT(10pcs)
YAGEO CC0402JRX7R9BB562(50pcs)
KOA Speer Elec RK73H2ATTD2201F(50pcs)
Changjiang Connectors A2005H-2x2P(20pcs)
Guangdong Fenghua Advanced Tech RS-05K3482FT(50pcs)
Walsin Tech Corp 0603B104J160CT(20pcs)
YAGEO AC0603FR-0735R7L(50pcs)
CD4055BE
Guangdong Fenghua Advanced Tech RS-06L2R21FT(50pcs)
Nichicon UPM1H010MDD(10pcs)
JST Sales America SMP-02V-NC(10pcs)
YJYCOIN YSPI0420-100M
PANASONIC EEEFK1V4R7R
IRS2092S
OPA350UA/2K5G4
Uniroyal Elec 0805W8D2431T5E(50pcs)
PANASONIC ERJ2GEJ2R0X(50pcs)
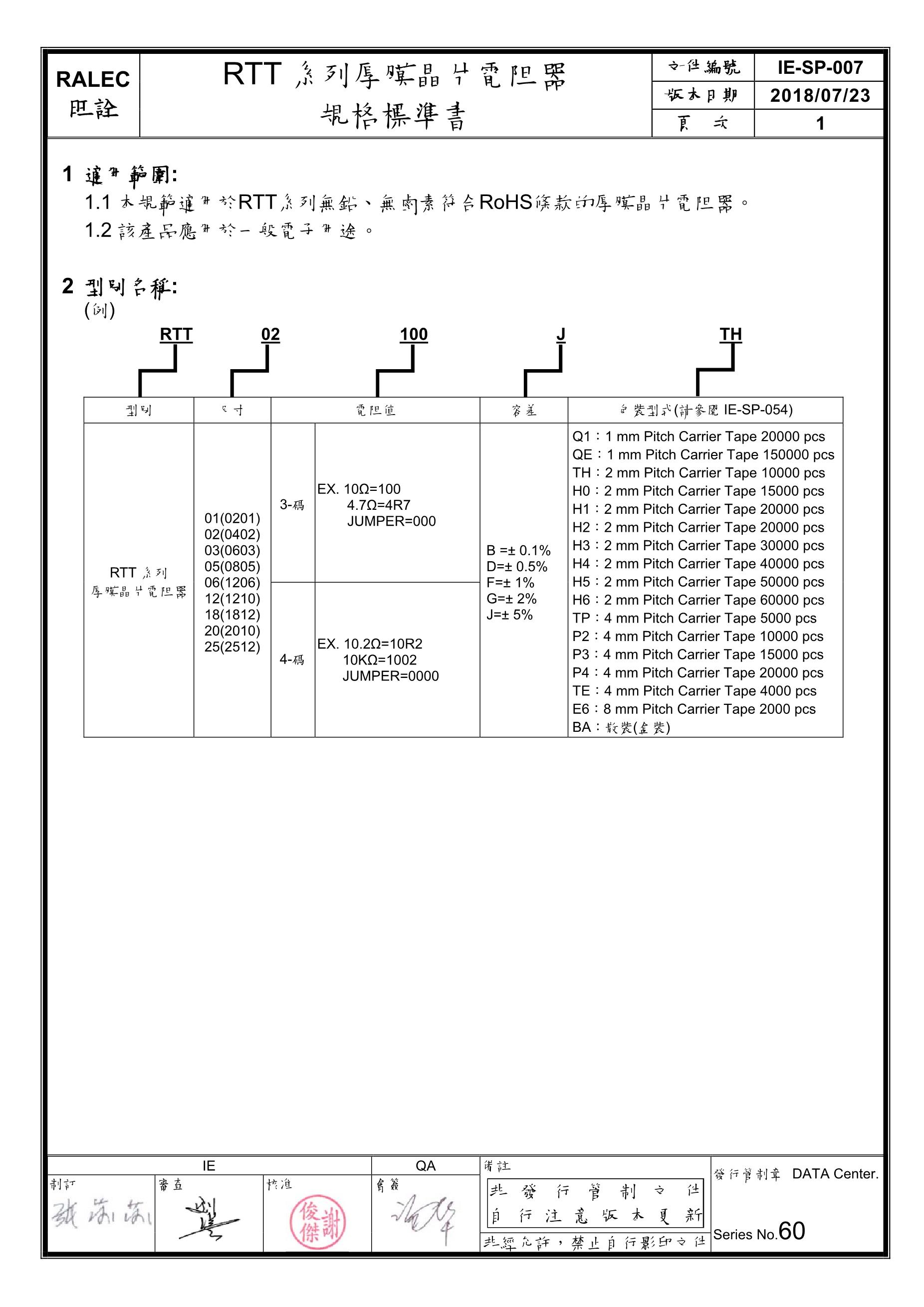
RALEC RTT2556R0FTE(10pcs)