Utsource sitesine girmek için Buraya Tıklayın
Kategori
Satın Al(0)
Sorgulama(0)
Dear customers, due to the implementation of the GDPR policy in Europe, UTSOURCE has also made adjustment accordingly to meet the policy requirements. Please read the new privacy policy carefully and this window will no longer pop up after you accept it.
Delivery Address
+ Adres Ekle
Yeni Gönderi Adresi
* Takip bilgilerini zamanında alabileceğinizden emin olmak için lütfen cep telefonu numarasını doğru bir şekilde doldurun.
Ülke Kodu
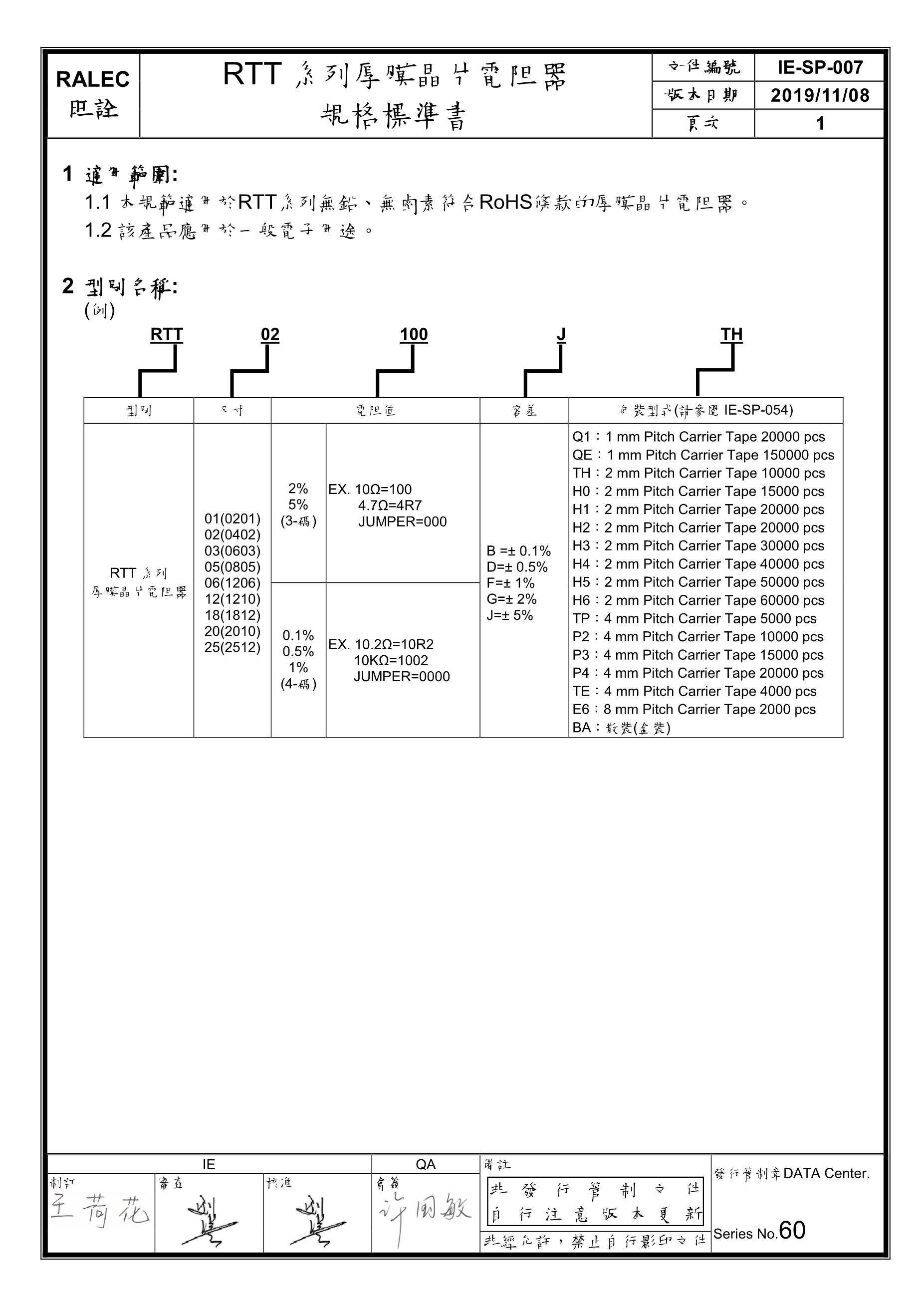
RALEC RTT03R033FTP(50pcs)
Uniroyal Elec 0805W8D270KT5E(50pcs)
XKB Enterprise X1515WVS-06-LPSW
PROD Tech PSPNAQ5020-4R7M(5pcs)
AM26LS31CNG4
LT1684CN
3L COILS SMTDRRI0804-6R8N
Thunder Component MELF-MFR02041/4WS909ΩFT50(20pcs)
Murata Electronics GJM0335C1E220JB01D(50pcs)
PSA(Prosperity Dielectrics) FN18N471J500PSG(50pcs)
Viking Tech CR-05JL7---2R2(100pcs)
YAGEO RC0805FR-077M68L(100pcs)
LT1881CN8
TDK CGA3E2C0G1H470JT0Y0N(20pcs)
TXC Corp 7V27000012
TA-I Tech RMS04FT8062(100pcs)
XUNPU DC-092-A130
HOAUC 2543U-103CNG1SNT01(47pcs)