Utsource sitesine girmek için Buraya Tıklayın
Kategori
Satın Al(0)
Sorgulama(0)
Dear customers, due to the implementation of the GDPR policy in Europe, UTSOURCE has also made adjustment accordingly to meet the policy requirements. Please read the new privacy policy carefully and this window will no longer pop up after you accept it.
Delivery Address
+ Adres Ekle
Yeni Gönderi Adresi
* Takip bilgilerini zamanında alabileceğinizden emin olmak için lütfen cep telefonu numarasını doğru bir şekilde doldurun.
Ülke Kodu
LIZ Elec CR0402FF1473G(100pcs)
DS1820
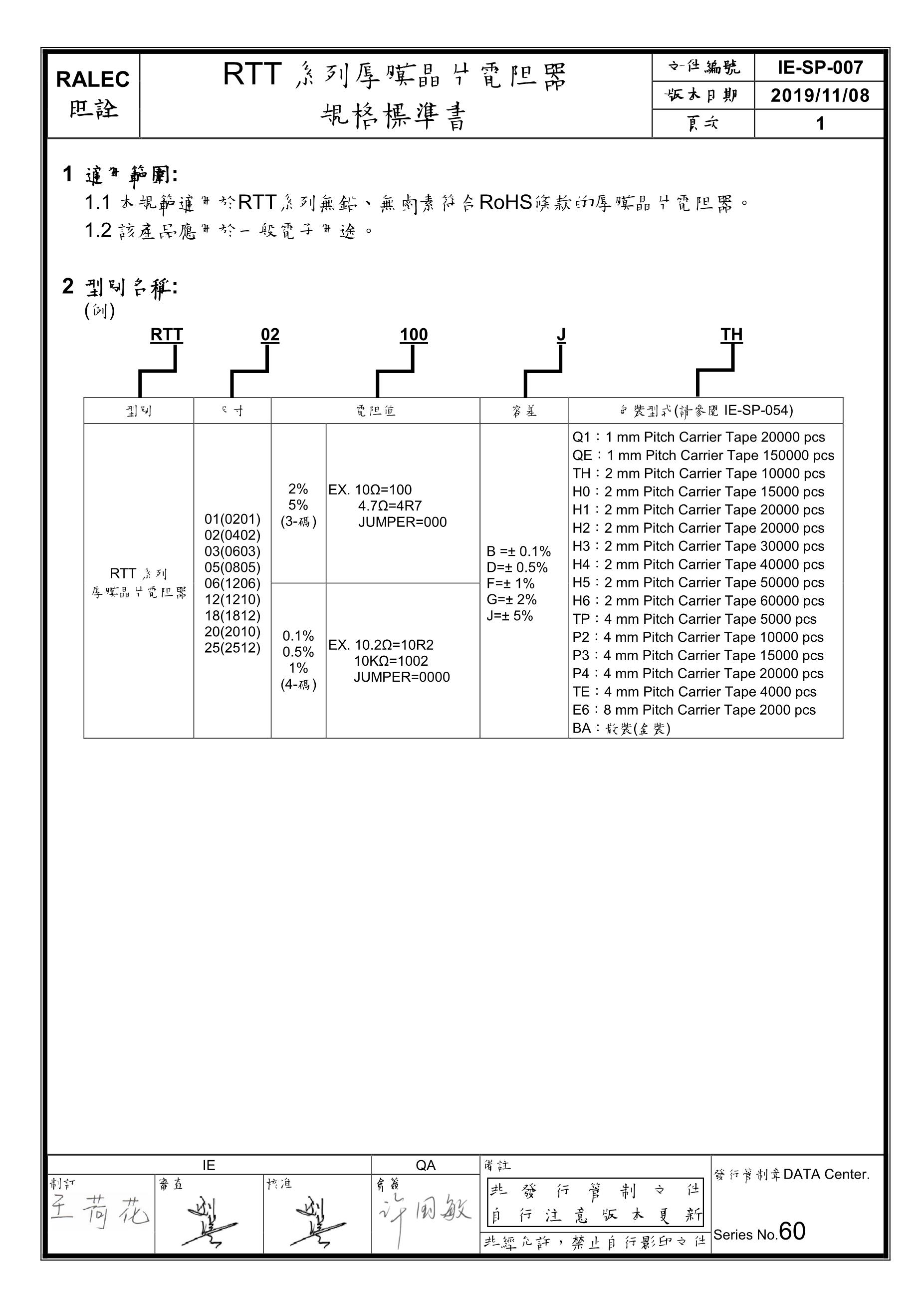
RALEC RTT255R90FTE(20pcs)
MAX3085CPA+
Viking Tech AR02DTD0510(50pcs)
Shenzhen Yezhan Elec. ASR-K-3-1.5F
Sunltech Tech SCC1608CR22JSP(20pcs)
YAGEO AC0805FR-079K31L(50pcs)
TAITEC TMPC1205HP-150MG-D
Nippon Chemi-Con EKXG201ELL101ML20S
YAGEO AC0805FR-0726R7L(50pcs)
CND-tek G2015D
DIBO DB2EVM-3.5-4P-GN
Uniroyal Elec 25121WF1204T4E(20pcs)
Guangdong Fenghua Advanced Tech RC-12K120JT(20pcs)
Rubycon 50YXF10MEFCT15X11(5pcs)
MC1558
TDK SPM10054T-470M-HZ