Nhấp vào đây để truy cập trang web Utsource
Loại
Mua(0)
Câu hỏi(0)
Dear customers, due to the implementation of the GDPR policy in Europe, UTSOURCE has also made adjustment accordingly to meet the policy requirements. Please read the new privacy policy carefully and this window will no longer pop up after you accept it.
Delivery Address
+ Thêm địa chỉ
Địa chỉ giao hàng mới
* Vui lòng điền chính xác số điện thoại di động để đảm bảo rằng bạn có thể nhận được thông tin theo dõi kịp thời.
Mã quốc gia
Nichicon UUR1A331MNL1GS(5pcs)
ResistorToday AECR1210F56K0K9(10pcs)
Shenzhen SCTF Elec S7D18.432000A20F30T
Changjiang Connectors A2012H-8P(10pcs)
Lelon VZS102M1CTR-1010
HIN207CA
YAGEO AC1210FR-0790R9L(20pcs)
Ymin LKMJ3152A821MF
YAGEO RC0805FR-07549KL(100pcs)
Walsin Tech Corp WR06W1R58FTL(100pcs)
776463-1
DIBO DB2EKB-5.08-9P-GN-S
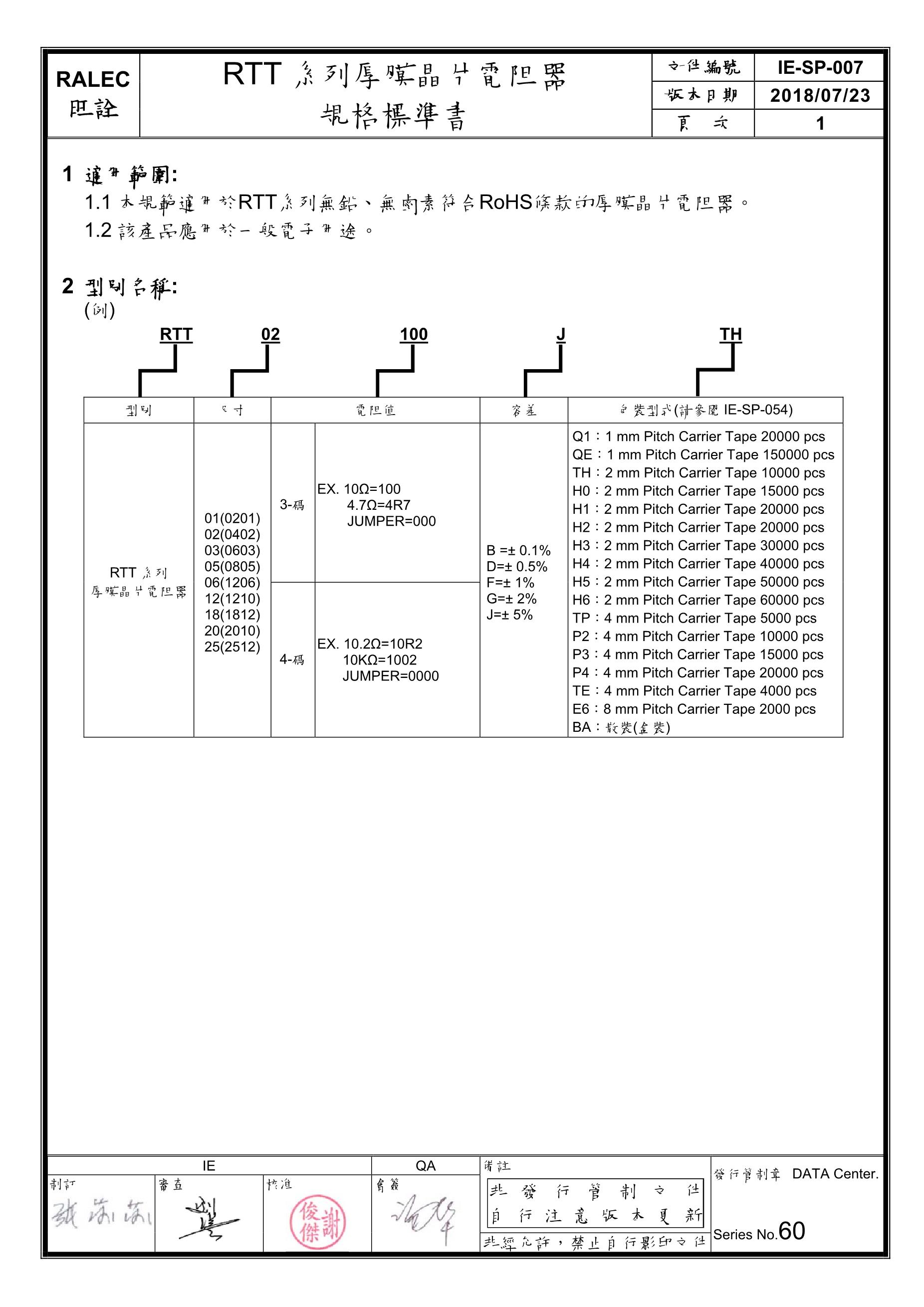
RALEC RTT126190FTP(50pcs)
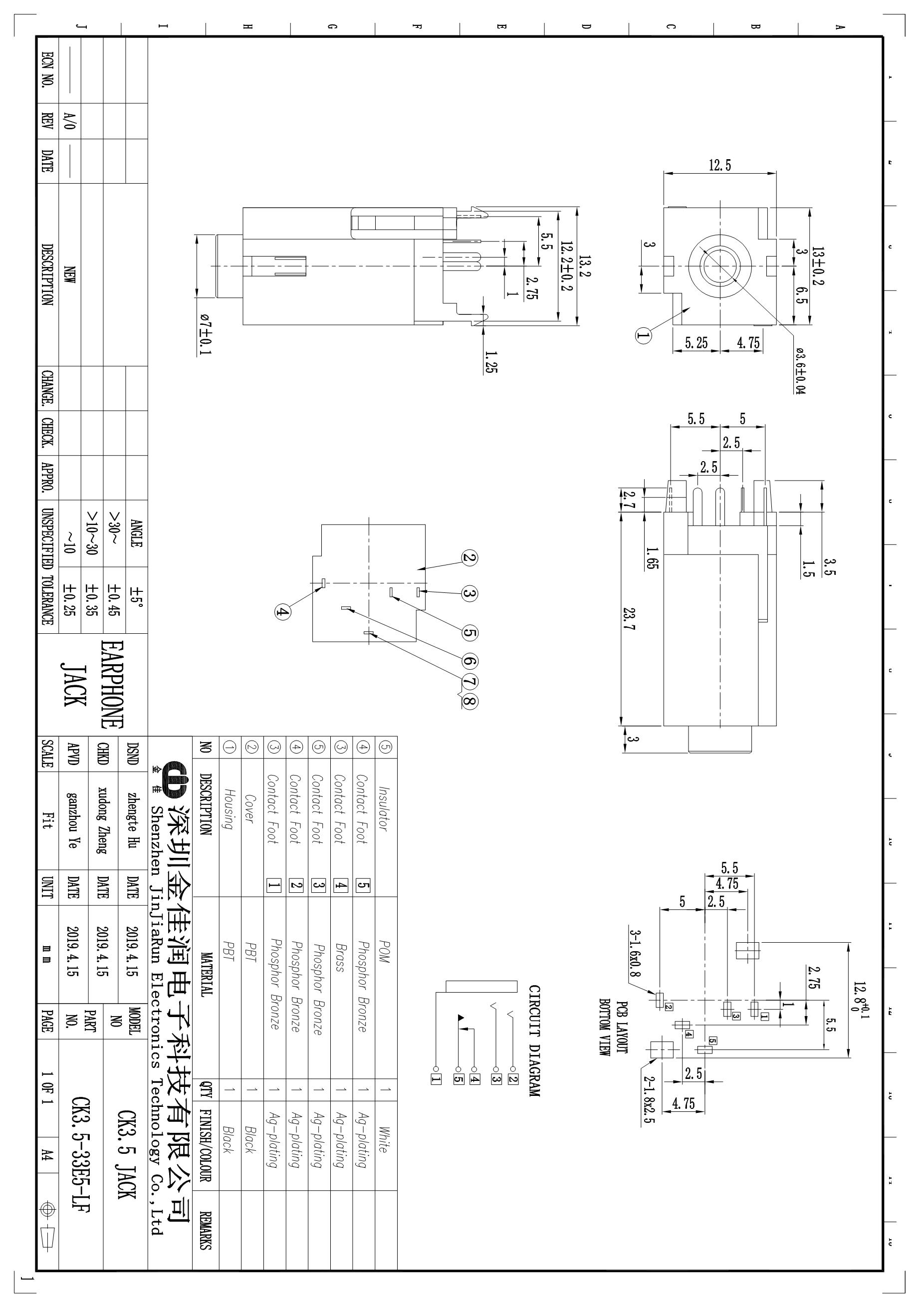
JINJIA CK3.5-33E5-LF
UNI-ROYAL(Uniroyal Elec) 0402WGD3003TCE(50pcs)
YJYCOIN YPRH6D38-6R8M
Guangdong Fenghua Advanced Tech RS-03K95R3FT(100pcs)
LS7223