请点击进入网站
类型
购买(0)
询价(0)
Delivery Address
+ 添加地址
新的货运地址
*为了您能及时收到到货信息,请正确填写手机号。
国家代码
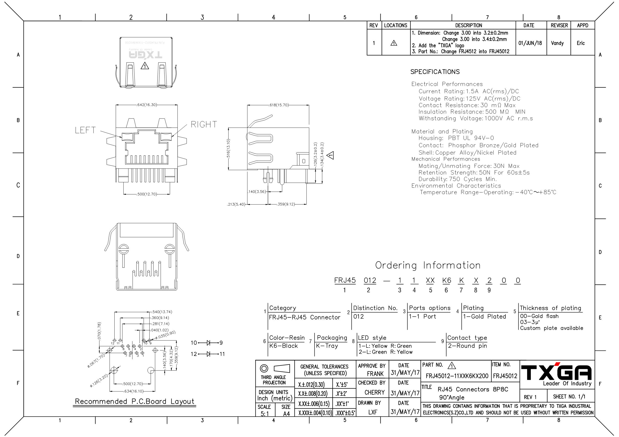
TXGA FRJ45012-1100K6K1200
Rubycon 100ZLH220MEFC12.5X25
TDG TMAX-1040-R36-M
PANASONIC ERJ2RKF1200X(50pcs)
ResistorToday AECR1206F3K90K9(50pcs)
Walsin Tech Corp WR02X151JAL(100pcs)
RB160L-60
PANASONIC ERJ2RKF2153X(50pcs)
TyoHM RN 1WS 39R F T/B A1(50pcs)
TE Connectivity 178964-3
Johanson Dielectrics 101R15W272KV4T(20pcs)
LIZ Elec CR1206F43573G(100pcs)
Guangdong Fenghua Advanced Tech RC-02W8453FT(100pcs)
XIAMEN FARATRONIC C242A333J20A201(10pcs)
PANASONIC EEHZA1J220XV
ADA4051-1ARJZ-R7
Holy Stone Enterprise C1210X473K631T
2N5638