请点击进入网站
类型
购买(0)
询价(0)
Delivery Address
+ 添加地址
新的货运地址
*为了您能及时收到到货信息,请正确填写手机号。
国家代码
Taiyo Yuden NRS3015T4R7MNGH(5pcs)
GT60M323
YAGEO AC0402JR-071M6L(100pcs)
XKB Enterprise X9862H-03A-N0(50pcs)
YAGEO CC0201KRX7R7BB472(100pcs)
Ymin VKMB1001E470MV(10pcs)
Sunlord SDCL0603Q3N1ST02B01(100pcs)
AT25320-10PI-2.7
Xunda TM2281VMN252RB
LIZ Elec CR0603FA3403G(100pcs)
YAGEO AC0603FR-075M9L(100pcs)
Joint Tech Elec A2211WV-2X12P
TyoHM RN 1/2WS 1M F T/B A1(50pcs)
PANASONIC ERJ6ENF5903V(50pcs)
Shenzhen Yezhan Elec. YLR28-4-5F-W
Coilcraft 0603AF-222XJEW
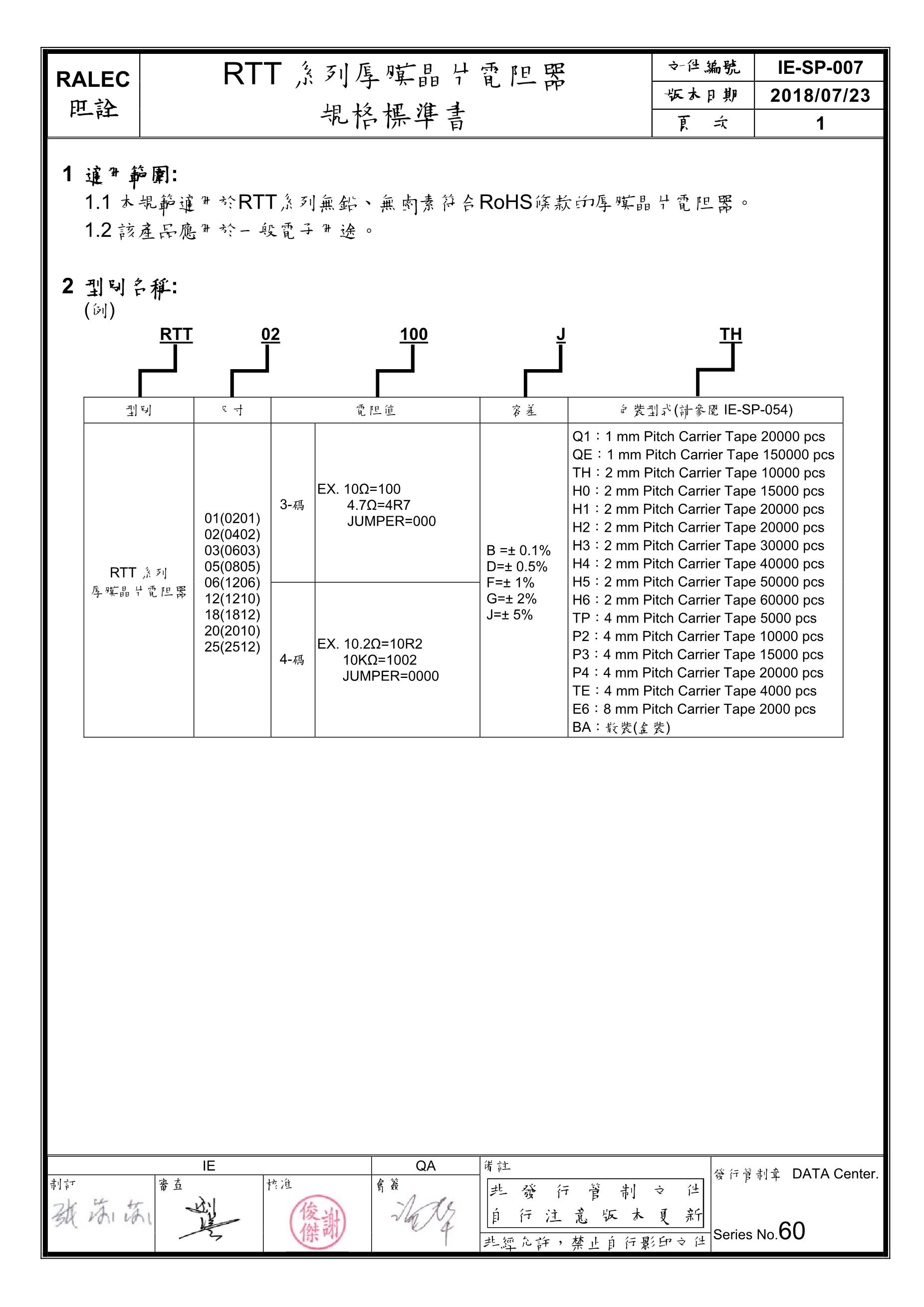
RALEC RTT204993FTE(20pcs)
YAGEO RC0805FR-072M1L(100pcs)