Click Here to enter Utsource site
Category
Buy(0)
Inquiry(0)
Dear customers, due to the implementation of the GDPR policy in Europe, UTSOURCE has also made adjustment accordingly to meet the policy requirements. Please read the new privacy policy carefully and this window will no longer pop up after you accept it.
Delivery Address
+ Add Address
The new shipping address
* Please fill in the cell phone number correctly to make sure that you can receive the tracking info in time.
Country Code
3L COILS SMTDR43-330M(5pcs)
UNI-ROYAL(Uniroyal Elec) 201007F470LT4E(20pcs)
Sunlord SWRH5D28S-3R3MT
Ever Ohms Tech CR1206F196KP05(100pcs)
HX(Zhejiang Yueqing Hongxing Elec) HX20007-6WAD(20pcs)
FH(Guangdong Fenghua Advanced Tech) RC-12K181JT(20pcs)
Nichicon UVZ1J100MDD(10pcs)
UCD9080RHBR
KOA Speer Elec RK73B1HTTC120J(100pcs)
TyoHM RN 1/4W 6K2 F T/B A1(50pcs)
PI5USB30216CXUAEX
MR301-3HS
CCTC TCC0402X7R104K250AT(100pcs)
Ever Ohms Tech CR0603F698KP05(100pcs)
TDK MHQ0603W0N6BT000(50pcs)
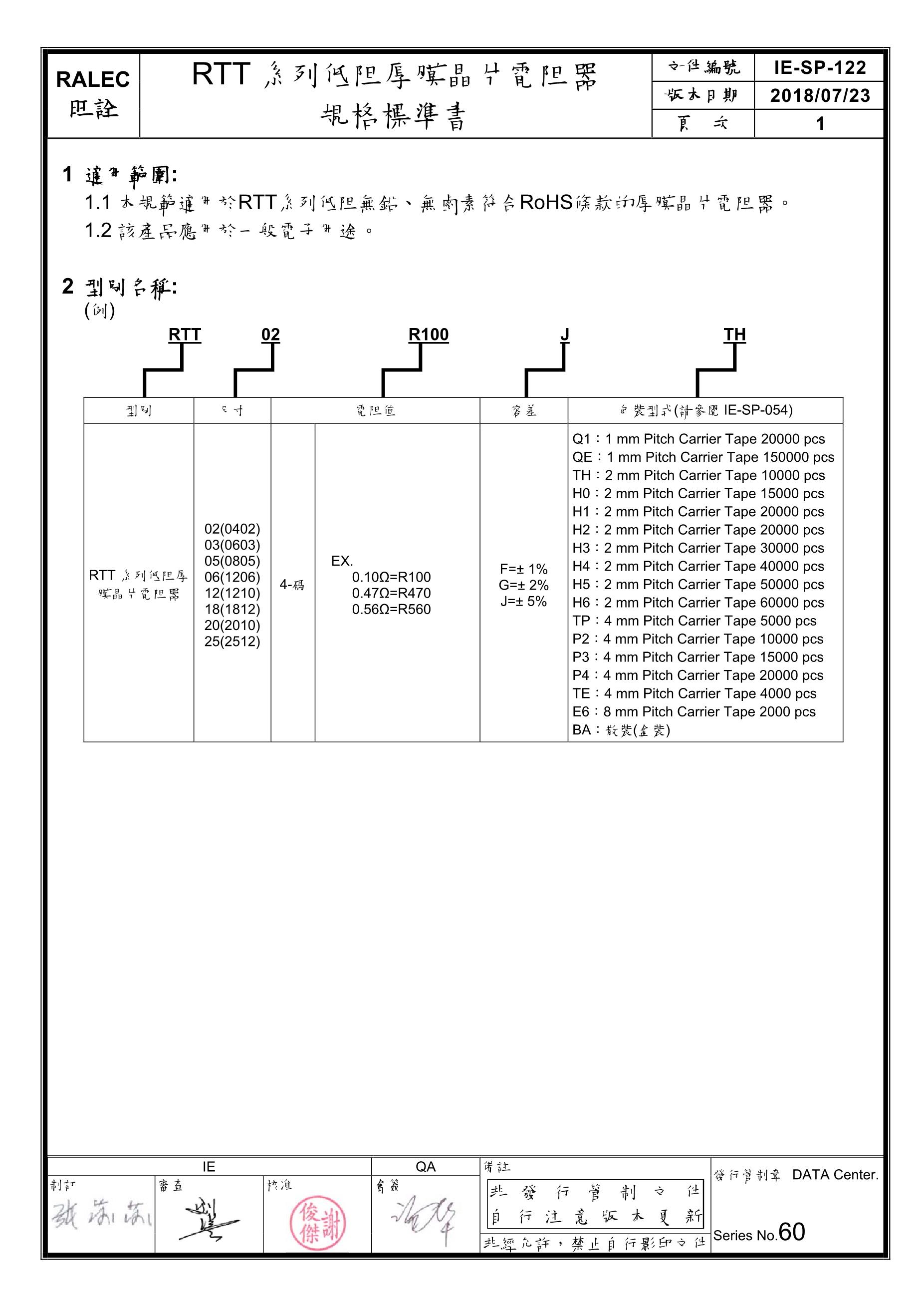
RALEC RTT25R51JTE(10pcs)
SamYoung Electronics NXH 10V220 6.3*11(10pcs)
AISHI(Aihua Group) ERR1VM102W20OT