Click Here to enter Utsource site
Category
Buy(0)
Inquiry(0)
Dear customers, due to the implementation of the GDPR policy in Europe, UTSOURCE has also made adjustment accordingly to meet the policy requirements. Please read the new privacy policy carefully and this window will no longer pop up after you accept it.
Delivery Address
+ Add Address
The new shipping address
* Please fill in the cell phone number correctly to make sure that you can receive the tracking info in time.
Country Code
ZXT790AKTC
TDK MLF1608A1R5KTA00
CITIZEN HC-49/U-S20000000ABJB
Nichicon UVZ1J100MDD(10pcs)
EP20K100CQ240C7ES
TPA6030A4PWPR
Lelon VEJ330M2DTR-1316
PANASONIC ERJ3EKF3922V(50pcs)
MAX1674EUA
PANASONIC ERJ3EKF5623V(50pcs)
Viking Tech AR02BTD5600(20pcs)
XFCN M1250V-04P(20pcs)
74HC595N,112
COV 14D270K(5pcs)
TLE2082IPG4
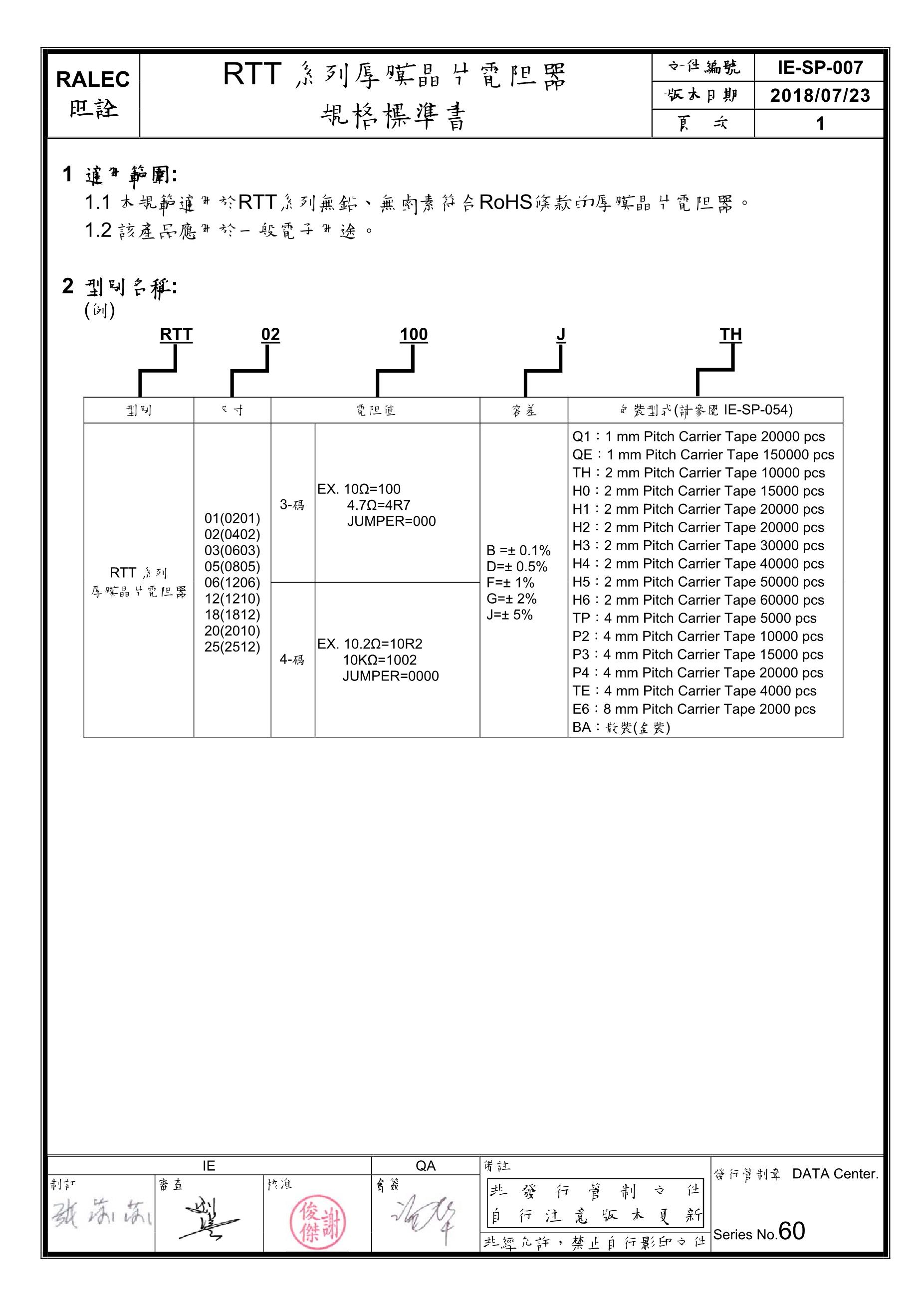
RALEC RTT06R402FTP(50pcs)
TA7805AF
Sunlord SDWL1608CR22JSTFM01(10pcs)