Clique Aqui para entrar no site da Utsource
Tipo
Comprar(0)
Inquérito(0)
Dear customers, due to the implementation of the GDPR policy in Europe, UTSOURCE has also made adjustment accordingly to meet the policy requirements. Please read the new privacy policy carefully and this window will no longer pop up after you accept it.
Delivery Address
+ Adicionar endereço
Novo endereço de transporte de carga
* Por favor, preencha o número do telefone celular corretamente para ter certeza de que você pode receber as informações de rastreamento a tempo.
Código do país
DLK DPT22A-20BM4YN12
KOA Speer Elec RK73H2ETTD1200F(10pcs)
FJL6920TU
UAA1016
XKB Enterprise X10B25U13T
Thunder Component MELF-MFR02041/4WS226KΩFT50(20pcs)
Uniroyal Elec 1210W2F887JT5E(50pcs)
Murata Electronics GCM188R72A222KA37D(20pcs)
Chilisin Elec MHCI06030-2R2M-R8A
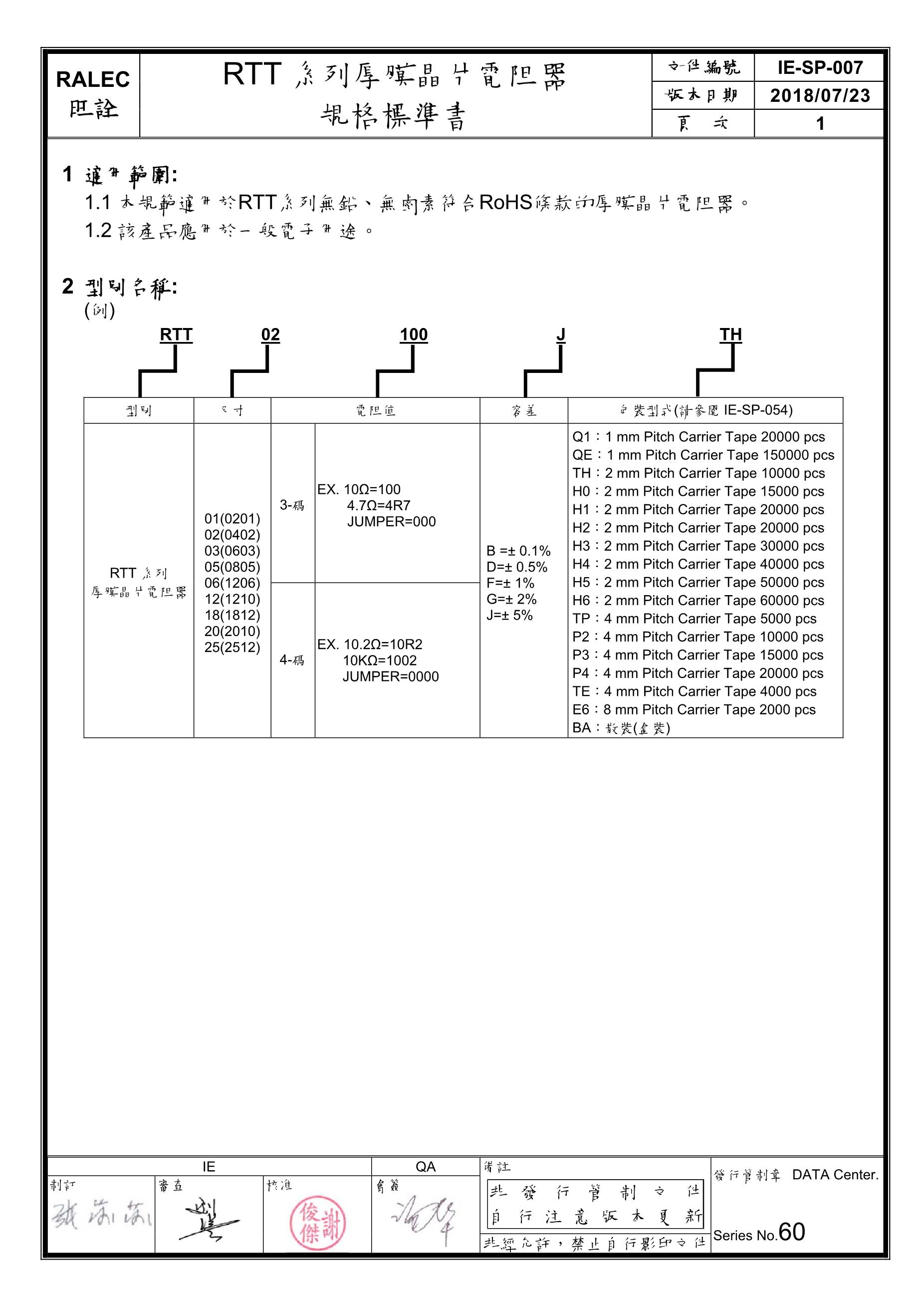
RALEC RTT2543R2FTE(10pcs)
KNSCHA MMK224J3AESAJ208G0
Chian Chia Elec CR-L5W-150ΩJ(5pcs)
Walsin Tech Corp WR06X135JTL(100pcs)
Walsin Tech Corp HH18N560J500CT(50pcs)
Cixi Kefa Elec KF2EDGKAM-3.81-7P
Changjiang Connectors A2005H-7P(10pcs)
PS21869-AP
JST Sales America S5B-ZR-3.4(LF)(SN)