Clique Aqui para entrar no site da Utsource
Tipo
Comprar(0)
Inquérito(0)
Dear customers, due to the implementation of the GDPR policy in Europe, UTSOURCE has also made adjustment accordingly to meet the policy requirements. Please read the new privacy policy carefully and this window will no longer pop up after you accept it.
Delivery Address
+ Adicionar endereço
Novo endereço de transporte de carga
* Por favor, preencha o número do telefone celular corretamente para ter certeza de que você pode receber as informações de rastreamento a tempo.
Código do país
Viking Tech CR-05FA7---6K8(100pcs)
7MBR25NF120
JGHC 49SAC08000202060(5pcs)
Uniroyal Elec 25121WF2803T4E(20pcs)
Ever Ohms Tech CR0603J6R2P05(100pcs)
KOA Speer Elec RK73H2BTTD5600F(50pcs)
BYV27-600-TAP
MX7534JN
Shenzhen SCTF Elec S3D2.048000D20F30T
FH(Guangdong Fenghua Advanced Tech) VHF060303HQ0N6BT(100pcs)
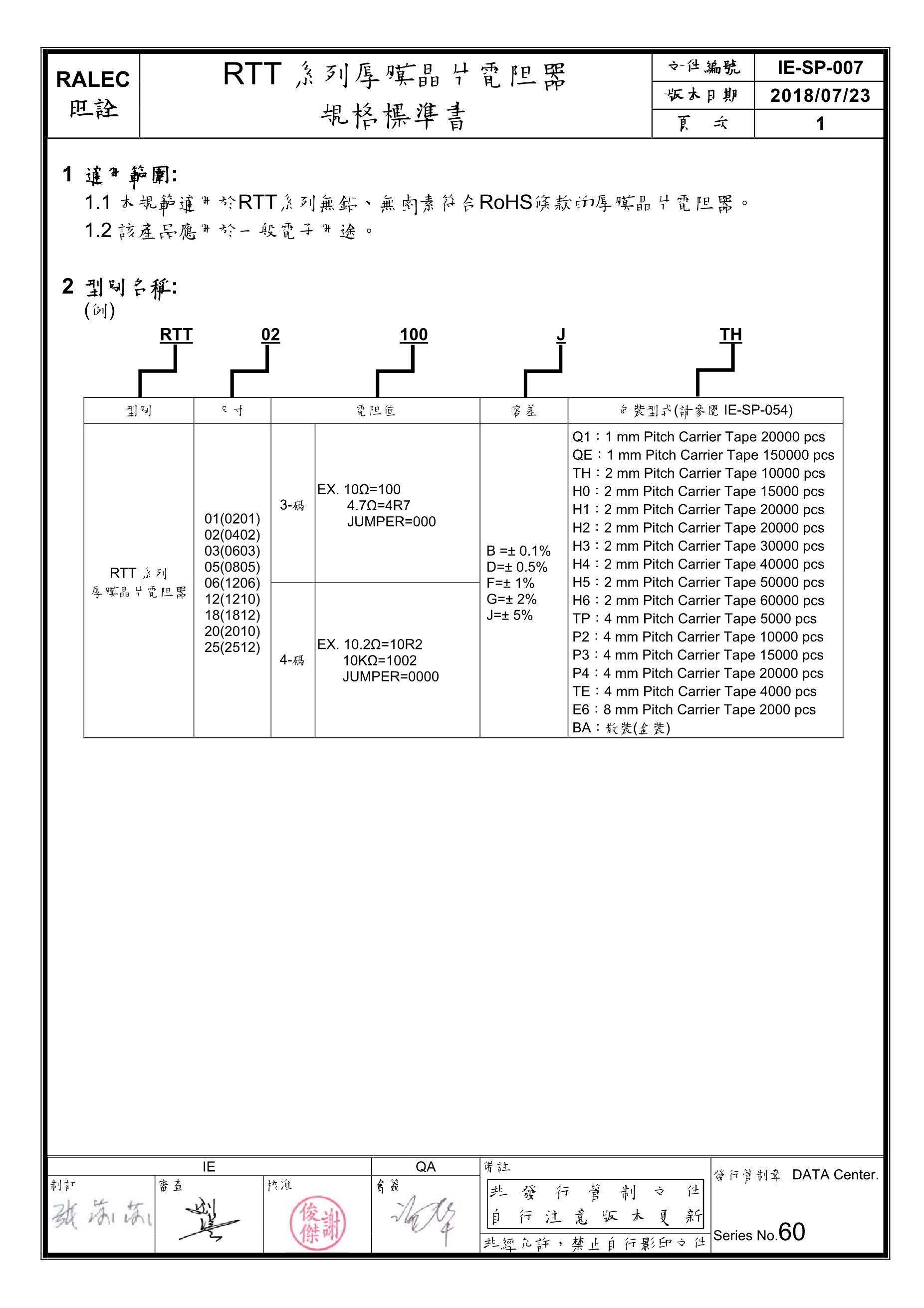
RALEC RTT20R025FTE(10pcs)
PANASONIC ERJ6ENF3652V(50pcs)
KOA Speer Elec RK73B1JTTD820J(100pcs)
Viking Tech AR06BTCV4752(5pcs)
PS2701-1-F3
TDK SLF10165T-4R7N4R73PF
ResistorToday EWWR0006J10K0T9
XKB Enterprise DC-C023D