Cliquer ici pour visiter Utsource
Modèle
acheter(0)
Demandes d'offres (0)
Dear customers, due to the implementation of the GDPR policy in Europe, UTSOURCE has also made adjustment accordingly to meet the policy requirements. Please read the new privacy policy carefully and this window will no longer pop up after you accept it.
Delivery Address
+ Ajouter l'adresse
Nouvelle adresse de transport
* Veuillez remplir correctement le numéro de téléphone portable pour vous assurer que vous pouvez recevoir les informations de suivi à temps.
Code pays
Murata Electronics GRM033R61C333KE84D(50pcs)
XFCN M2020R-2x4P(10pcs)
E28F800B5B70
Guangdong Fenghua Advanced Tech VHF060303H10NKT(100pcs)
74AC11008N
Taiyo Yuden NRH3010T4R7MN(5pcs)
YAGEO RC0805FR-076M81L(100pcs)
KNSCHA MMK104J3AESAJ208G0
Joint Tech Elec A2501WV-05P2(10pcs)
火炬 CC4-0805-CG-100V-100PF-J(10pcs)
YAGEO AC0603FR-07422KL(100pcs)
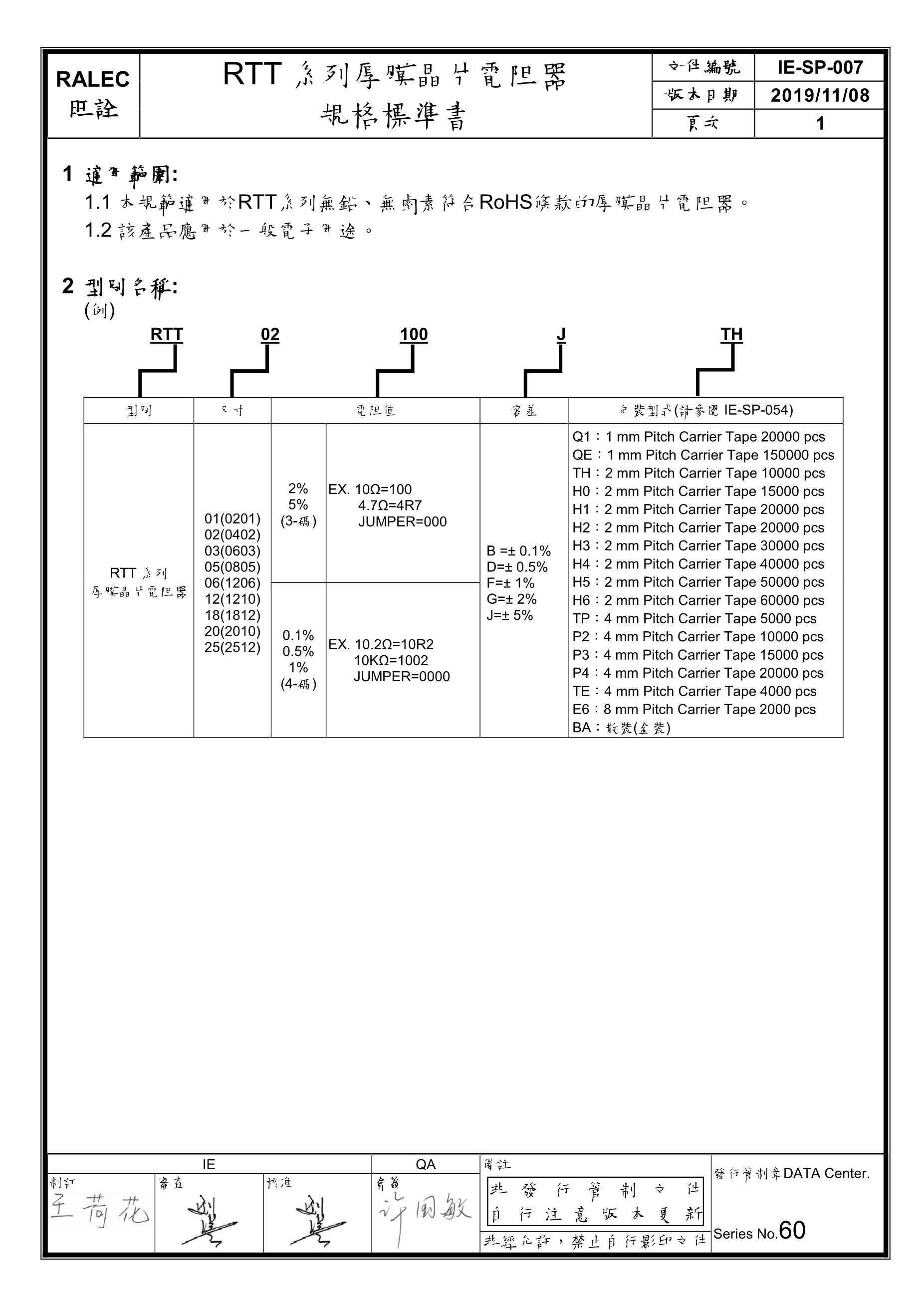
RALEC RTT12R047JTP(50pcs)
Uniroyal Elec 1206W4F124JT5E(100pcs)
PANASONIC ERJ2RKF7681X(50pcs)
Viking Tech AR03DTC2743(50pcs)
LNK563DG
Guangdong Fenghua Advanced Tech VHF060303HQ2N6ST(100pcs)
XC6119C38ANR-G