Utsource 사이트에 들어가려면 여기를 클릭하세요
형식
구입(0)
가격문의(0)
Dear customers, due to the implementation of the GDPR policy in Europe, UTSOURCE has also made adjustment accordingly to meet the policy requirements. Please read the new privacy policy carefully and this window will no longer pop up after you accept it.
Delivery Address
+ 주소추가
새로운화물운송주소
* 추적 정보를 제때받을 수 있도록 휴대폰 번호를 정확하게 입력하십시오.
국가 코드
Cixi Kefa Elec KF2EDGKAM-3.81-6P
YAGEO AC1206JR-07360KL(50pcs)
Yanchuang SCMI201209U3R3KT(50pcs)
AVX TACR105M025XTA
YAGEO AC1210FR-0756R2L(20pcs)
Guangdong Fenghua Advanced Tech RC-02U2R0JT(100pcs)
H11A617BS
TDK C1005C0G1H010BT000F(50pcs)
YAGEO CC0201KRX7R9BB271(100pcs)
Viking Tech AR05FTDW3303(50pcs)
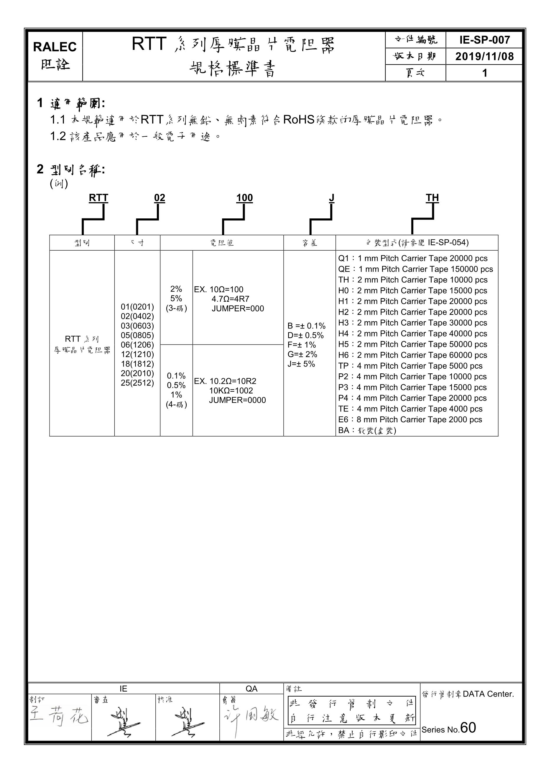
RALEC RTT062320FTP(50pcs)
WEIPU WS16K9/ZQ
RALEC RTT20R16JTE(20pcs)
KUM MT025-23030(20pcs)
microgate MPIT5020-2R2M-LF(5pcs)
Shenzhen SCTF Elec S3B27.000000F1210F30(5pcs)
JST Sales America PHDR-28VS
2SK2201