Clique Aqui para entrar no site da Utsource
Tipo
Comprar(0)
Inquérito(0)
Dear customers, due to the implementation of the GDPR policy in Europe, UTSOURCE has also made adjustment accordingly to meet the policy requirements. Please read the new privacy policy carefully and this window will no longer pop up after you accept it.
Delivery Address
+ Adicionar endereço
Novo endereço de transporte de carga
* Por favor, preencha o número do telefone celular corretamente para ter certeza de que você pode receber as informações de rastreamento a tempo.
Código do país
Walsin Tech Corp WR04X14R3FTL(100pcs)
YAGEO RC0603FR-078R06L(100pcs)
TDK SPM3012T-1R0M-LR
YAGEO AC1210FR-073K65L(20pcs)
Sunltech Tech SCC0603C82NJSP(50pcs)
LH1540AAB
SiTime SiT8008BI-81-33E-24.000000
Walsin Tech Corp WR02X39R0FAL(100pcs)
AD7417AR
TDK NLV32T-015J-EFD
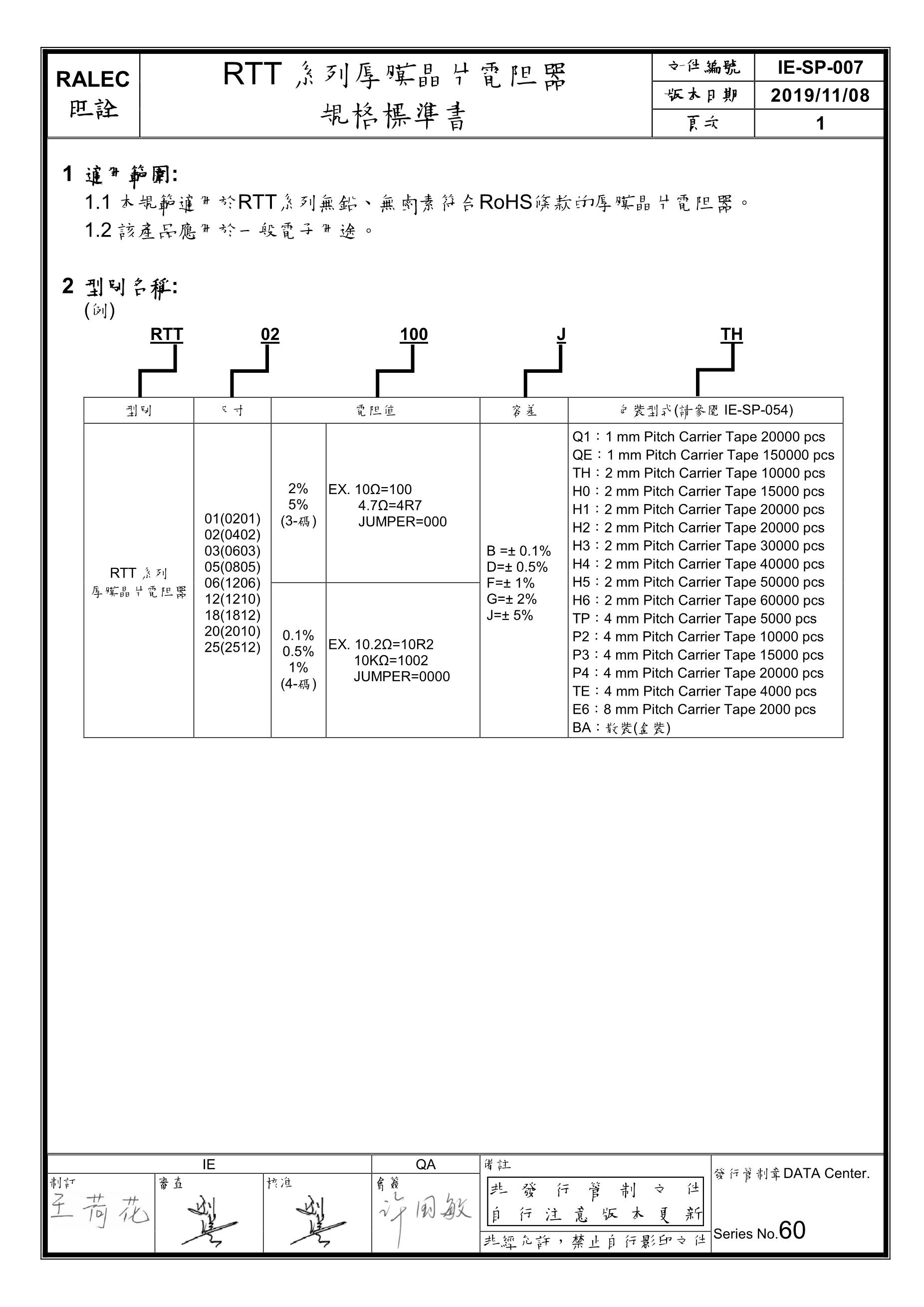
RALEC RTT255600FTE(20pcs)
2SA1349
UDE Corp RB4-Q1KFAM1A
YAGEO AC0201FR-0751KL(100pcs)
Viking Tech AR03FTC5233(50pcs)
BOURNS CR0805-FX-6801ELF(50pcs)
Walsin Tech Corp WR02X914JAL(100pcs)
Joint Tech Elec A2211H-2X04P(10pcs)