Clique Aqui para entrar no site da Utsource
Tipo
Comprar(0)
Inquérito(0)
Dear customers, due to the implementation of the GDPR policy in Europe, UTSOURCE has also made adjustment accordingly to meet the policy requirements. Please read the new privacy policy carefully and this window will no longer pop up after you accept it.
Delivery Address
+ Adicionar endereço
Novo endereço de transporte de carga
* Por favor, preencha o número do telefone celular corretamente para ter certeza de que você pode receber as informações de rastreamento a tempo.
Código do país
LP2985AIM5-4.5/NOPB
Nichicon UHE1J821MHD6
Ymin VKMB1001H1ROMV(10pcs)
TDA4605
PANASONIC ERJ3EKF6201V(50pcs)
MM74C906M
TXC Corp 7M20700003
Chilisin Elec SLF1255T-470M-N
ADG3123BRUZ
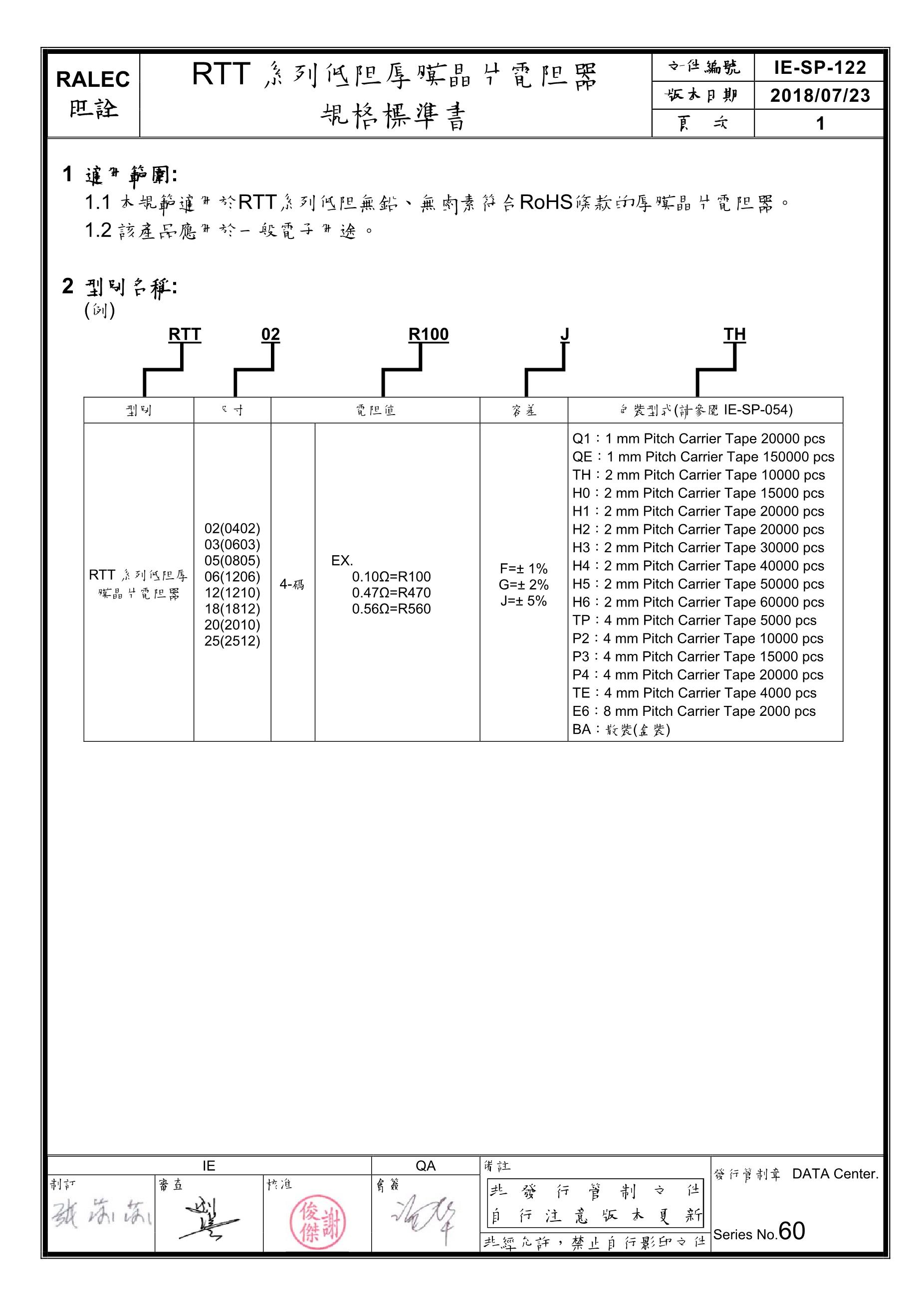
RALEC RTT255101FTE(20pcs)
SamYoung Electronics NXH 25V680 10*16(5pcs)
TyoHM RMC04026.04K1%N(100pcs)
TDK CGA3E2C0G2A330JT0Y0N(20pcs)
Cixi Kefa Elec KF2EDGVM-5.0-7P
PANASONIC EEEFK1V221P
RALEC RTT254531FTE(10pcs)
Sunlord SDWL2520C4R7JSTF(5pcs)
TA1287P