Clique Aqui para entrar no site da Utsource
Tipo
Comprar(0)
Inquérito(0)
Dear customers, due to the implementation of the GDPR policy in Europe, UTSOURCE has also made adjustment accordingly to meet the policy requirements. Please read the new privacy policy carefully and this window will no longer pop up after you accept it.
Delivery Address
+ Adicionar endereço
Novo endereço de transporte de carga
* Por favor, preencha o número do telefone celular corretamente para ter certeza de que você pode receber as informações de rastreamento a tempo.
Código do país
Guangdong Fenghua Advanced Tech RC-02W16R2FT(100pcs)
PANASONIC ERJ3EKF1622V(50pcs)
Resistor.Today LCSR2512FR006Q9L(5pcs)
KOA Speer Elec RK73H2ATTD8204F(50pcs)
Viking Tech ARG06DTC9530(50pcs)
TL16C552APN
YAGEO AC1210FR-0784R5L(20pcs)
XKB Enterprise X3025WR-02-N0SN
TA-I Tech RMS12FT4703(50pcs)
TDK NLV32T-471J-EFD
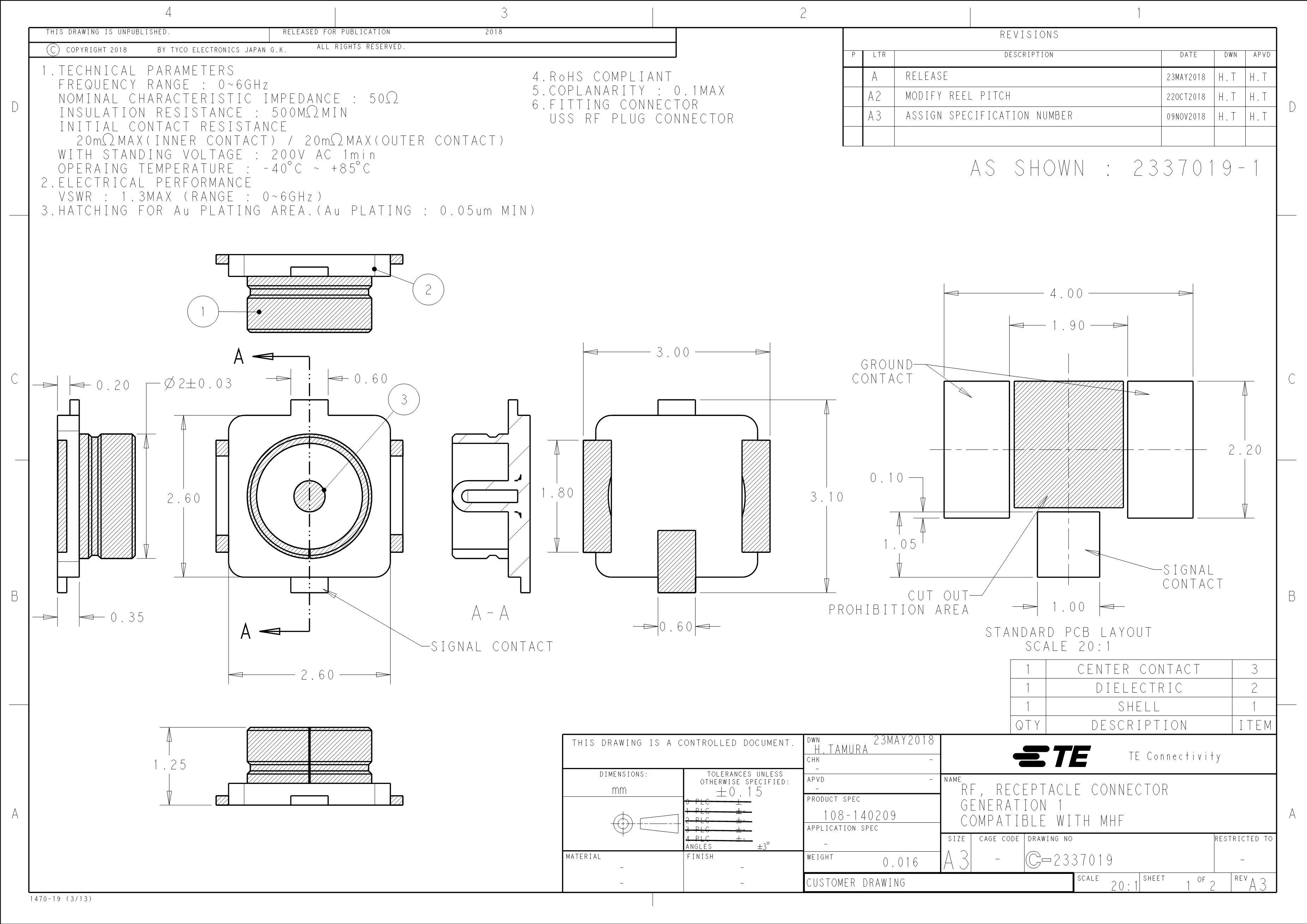
TE Connectivity 2337019-1
X9317US8IT1
Taiyo Yuden HK16081N8S-T(20pcs)
Guangdong Fenghua Advanced Tech RC-02W1152FT(100pcs)
Rubycon 400TXW56MLCT10X50
1438521-1
YJYCOIN YSPI1050-1R0M
YAGEO RL1210FR-070R05L(10pcs)