Clique Aqui para entrar no site da Utsource
Tipo
Comprar(0)
Inquérito(0)
Dear customers, due to the implementation of the GDPR policy in Europe, UTSOURCE has also made adjustment accordingly to meet the policy requirements. Please read the new privacy policy carefully and this window will no longer pop up after you accept it.
Delivery Address
+ Adicionar endereço
Novo endereço de transporte de carga
* Por favor, preencha o número do telefone celular corretamente para ter certeza de que você pode receber as informações de rastreamento a tempo.
Código do país
DIBO DB2ERM-5.08-10P
Jing Extension of the Electronic Co. 916-462A202EY10201
RALEC RTT052494FTP(50pcs)
HR(Joint Tech Elec) A7921WR-03P
TDK CS10-B2GA102KYVSA(5pcs)
Yangxing Tech O9503220MADA4SI
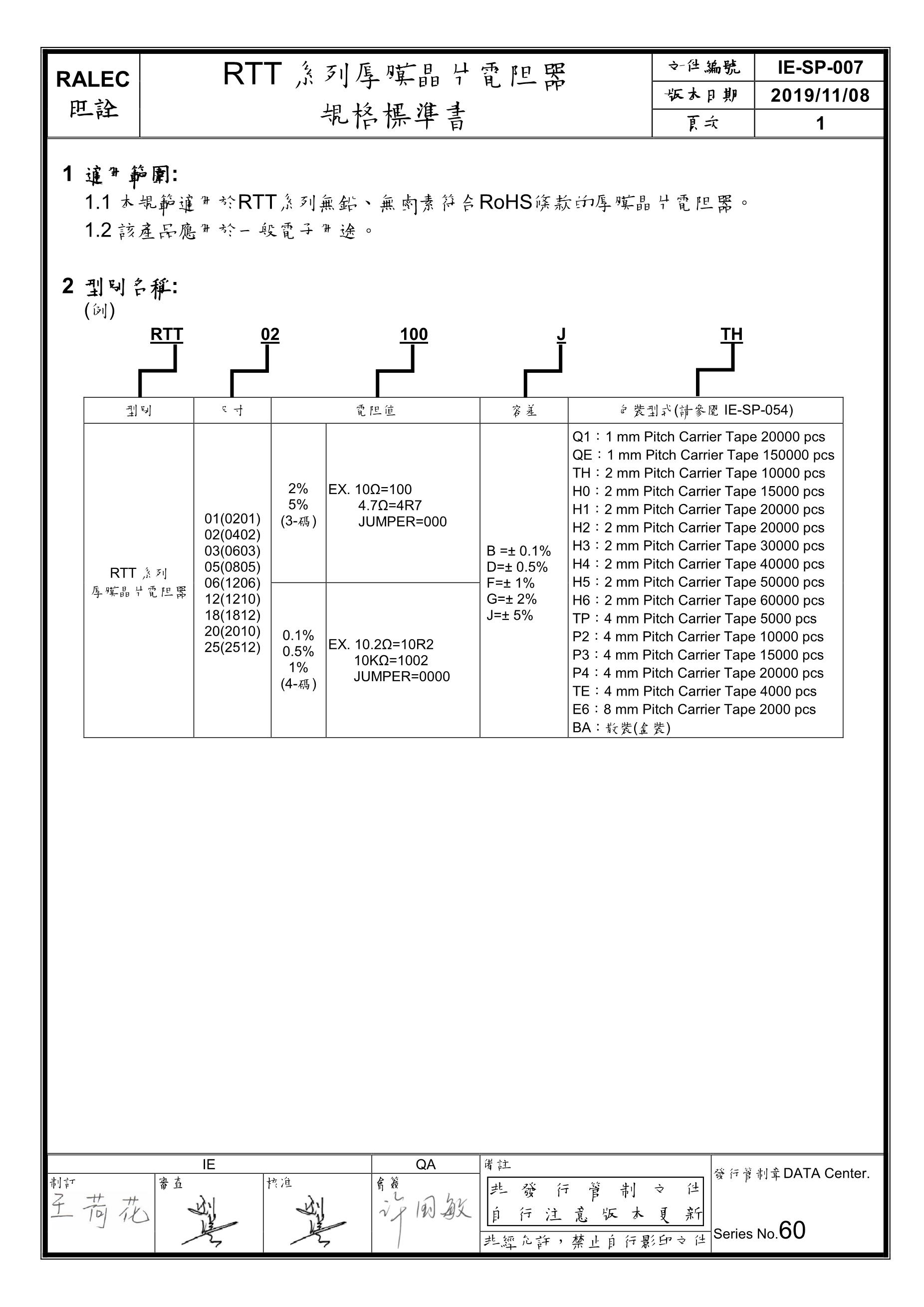
RALEC RTT25685JTE(20pcs)
DIBO DB2EV-5.08-4P(5pcs)
PANASONIC ERJ3EKF1331V(50pcs)
1.5KE56A
CEC KC-F-24.000M-10-1010-2070-100
AW002R2-12
YAGEO AC0603JR-073M9L(100pcs)
AN214
PANASONIC ERJ6GEYJ1R5V(50pcs)
KAMAYA RMC1/16S-472JTH-M(100pcs)
KOA Speer Elec RK73H1JTTD4423F(100pcs)
XFCN F0501-B-20-20T-R(5pcs)