คลิกที่นี่เพื่อเข้าสู่เว็บไซต์ Utsource
หมวดหมู่
ซื้อ(0)
การสอบถาม(0)
Dear customers, due to the implementation of the GDPR policy in Europe, UTSOURCE has also made adjustment accordingly to meet the policy requirements. Please read the new privacy policy carefully and this window will no longer pop up after you accept it.
Delivery Address
+ เพิ่มที่อยู่
ที่อยู่จัดส่งใหม่
* กรุณากรอกหมายเลขโทรศัพท์มือถือให้ถูกต้องเพื่อให้แน่ใจว่าคุณจะได้รับข้อมูลการติดตามตรงเวลา.
รหัสประเทศ
Cixi Kefa Elec KF2EDGR-2.5-9P
KOA Speer Elec RK73H1ETTP36R5F(100pcs)
Viking Tech AR06DTDV2491(20pcs)
BGY588
K6T4008C1C-GF55
ResistorToday AECR2512F2K00K9(5pcs)
SJK(SHENZHEN CRYSTAL TECH) 7E27120E10UCG
Ever Ohms Tech CR1206F4K12P05(100pcs)
XKB Connectivity X9862H-07A-N0(20pcs)
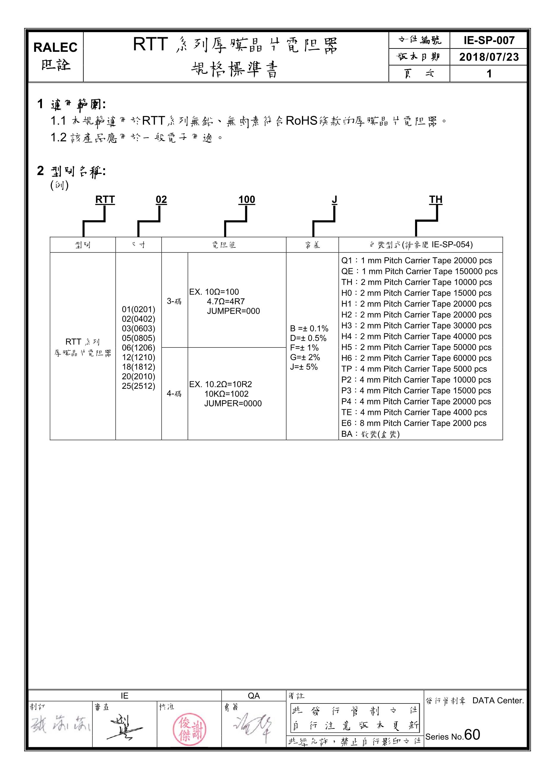
RALEC RTT204R3JTE(20pcs)
Coilcraft PFL1609-471MEW
LV76223
Rubycon 35ZL1000MEFCG412.5X25
AD204JN
8N4Q001LG-1111CDI
Changjiang Connectors A2004H-3P(20pcs)
YAGEO RC1210FR-07100KL(50pcs)
Viking Tech CR-02JL6--680K(100pcs)