Nhấp vào đây để truy cập trang web Utsource
Loại
Mua(0)
Câu hỏi(0)
Dear customers, due to the implementation of the GDPR policy in Europe, UTSOURCE has also made adjustment accordingly to meet the policy requirements. Please read the new privacy policy carefully and this window will no longer pop up after you accept it.
Delivery Address
+ Thêm địa chỉ
Địa chỉ giao hàng mới
* Vui lòng điền chính xác số điện thoại di động để đảm bảo rằng bạn có thể nhận được thông tin theo dõi kịp thời.
Mã quốc gia
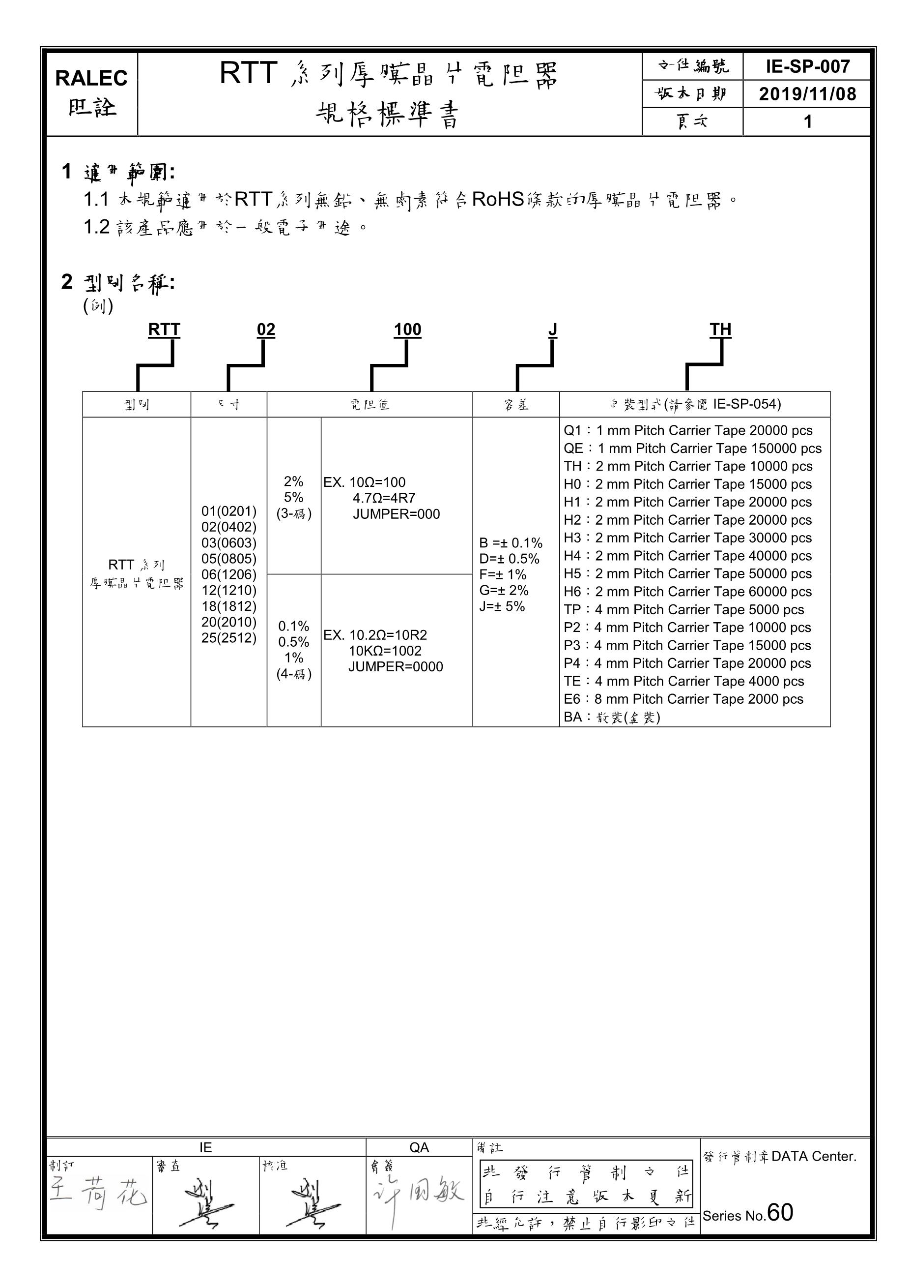
RALEC RTT12R039JTP(50pcs)
Walsin Tech Corp WR02X2701FTL(100pcs)
YAGEO AC1210FR-071K78L(20pcs)
Walsin Tech Corp 0603N751J500CT(50pcs)
PANASONIC ERJ2RKF49R9X(50pcs)
Resistor.Today TCTR0603F47K0F3960T(5pcs)
1871745-1
YAGEO AC0805FR-075R9L(50pcs)
Guangdong Fenghua Advanced Tech FHW1008IF180JST(5pcs)
Walsin Tech Corp 0402N750J500CT(100pcs)
ALPS Electric RK11K1130A2X
BOURNS CR0402-JW-124GLF(50pcs)
TE Connectivity 350436-2(10pcs)
2SK2201
microgate MPIT5040-470M-LF(5pcs)
PANASONIC ERJ2RHD2262X(50pcs)
AD7899BR-1
ResistorToday AECR1210F330KK9(10pcs)