Nhấp vào đây để truy cập trang web Utsource
Loại
Mua(0)
Câu hỏi(0)
Dear customers, due to the implementation of the GDPR policy in Europe, UTSOURCE has also made adjustment accordingly to meet the policy requirements. Please read the new privacy policy carefully and this window will no longer pop up after you accept it.
Delivery Address
+ Thêm địa chỉ
Địa chỉ giao hàng mới
* Vui lòng điền chính xác số điện thoại di động để đảm bảo rằng bạn có thể nhận được thông tin theo dõi kịp thời.
Mã quốc gia
82V2042EPFG8
RALEC RTT208202FTE(50pcs)
Chilisin Elec SLF0755T-220M-N
Viking Tech AR03FTC9090(50pcs)
Guangdong Fenghua Advanced Tech RS-06L1R87FT(50pcs)
JGHC O3232768155033
Uniroyal Elec 1210W2F3651T5E(50pcs)
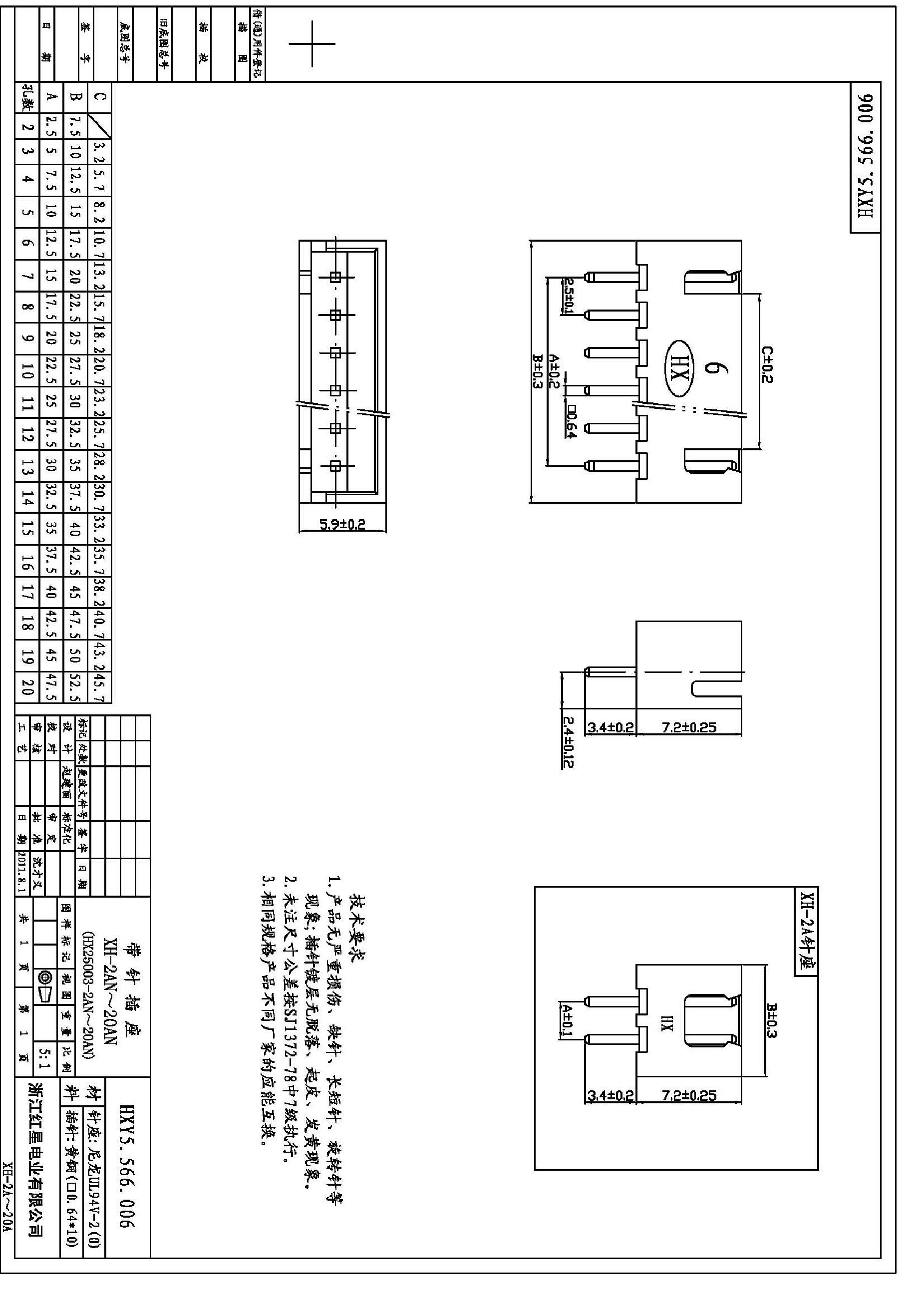
HX(Zhejiang Yueqing Hongxing Elec) HX25003-20AN(5pcs)
NM27C256Q200
PANASONIC ERJ3GEYJ3R6V(50pcs)
Ymin VKMD1252G5R6MV(5pcs)
3L COILS SMTDRRI0804-100M
Murata Electronics GJM1555C1H8R7BB01D(20pcs)
Zhejiang Yueqing Hongxing Elec HX25035-5WAP(10pcs)
TyoHM WMZ11A-75L500-800AP750B3.5-E5B(10pcs)
Walsin Tech Corp 1206F105Z160CT(20pcs)
Viking Tech CR-05FL7--750R(100pcs)
HR(Joint Tech Elec) C3030WR-F-2X06P