UTSOURCE()サイトは、ここをクリック
種類
購入(0)
引き合い(0)
Dear customers, due to the implementation of the GDPR policy in Europe, UTSOURCE has also made adjustment accordingly to meet the policy requirements. Please read the new privacy policy carefully and this window will no longer pop up after you accept it.
Delivery Address
+ アドレスの追加
新運送先
*追跡情報を時間内に受信できるように、携帯電話番号を正しく入力してください。
国コード
PANASONIC ERA3AEB683V(5pcs)
PANASONIC ERJ3EKF1181V(50pcs)
TyoHM RMC121005%N(50pcs)
2098164-4
Uniroyal Elec 201007J056KT4E(50pcs)
YAGEO RC0805FR-0715K8L(100pcs)
YAGEO AC0402FR-074R99L(100pcs)
Thunder Component MELF-MFR02041/4WS140ΩFT50(20pcs)
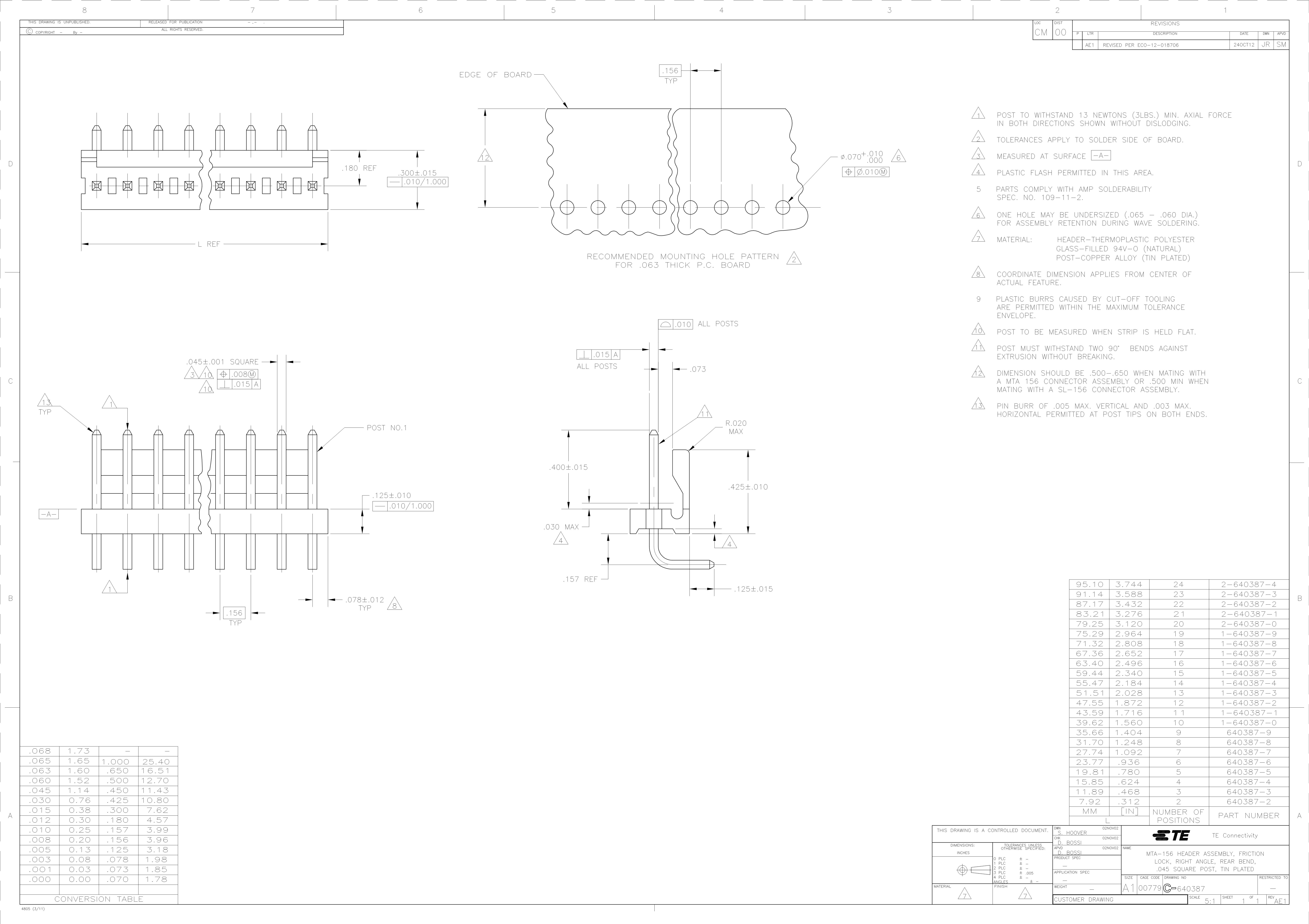
TE Connectivity 640387-2
Murata Electronics GRM1552C1H100JA01D(50pcs)
PANASONIC ERJ3EKF51R0V(50pcs)
Viking Tech AR06DTCV0150(20pcs)
HKR(Hong Kong Resistors) RCT051KFLF(100pcs)
YJYCOIN YSLF6028-4R7M
BUZ42
AD7393ARU
AISHI(Aihua Group) ERJ1HM471G20CB0T
Jimson MEA225K250D02