Click Here to enter Utsource site
Category
Buy(0)
Inquiry(0)
Dear customers, due to the implementation of the GDPR policy in Europe, UTSOURCE has also made adjustment accordingly to meet the policy requirements. Please read the new privacy policy carefully and this window will no longer pop up after you accept it.
Delivery Address
+ Add Address
The new shipping address
* Please fill in the cell phone number correctly to make sure that you can receive the tracking info in time.
Country Code
Uniroyal Elec 201007F392KT4E(20pcs)
Ymin LKMD1152C180MF(5pcs)
PANASONIC ERA6AEB101V(5pcs)
Viking Tech CR-12FL4---33K(10pcs)
PSA(Prosperity Dielectrics) FV31X102K102ECG(50pcs)
Uniroyal Elec 1210W2F1473T5E(50pcs)
ResistorToday AECR0603F24R0K9(50pcs)
TyoHM RMC06033M5%N(100pcs)
PANASONIC ERJ3EKF8873V(50pcs)
DCP010505DBP-U
Uniroyal Elec 201007F1303T4E(50pcs)
KOA Speer Elec RK73H1ETTP1183F(100pcs)
Walsin Tech Corp WR08X3R3JTL(100pcs)
PANASONIC ERJ3EKF1582V(50pcs)
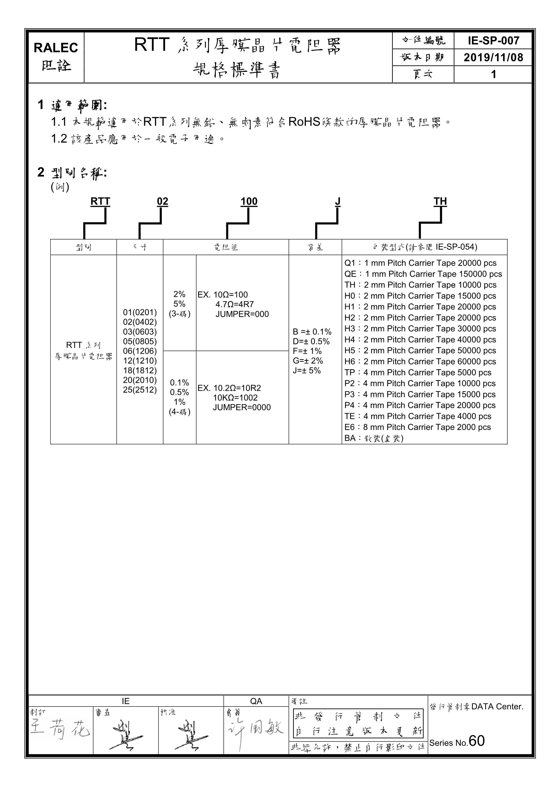
RALEC RTT051R02FTP(100pcs)
ResistorToday AECR1210F120KK9(10pcs)
RALEC RTT251603FTE(10pcs)
JST Sales America B7B-ZR-SM4-TF(LF)(SN)