Click Here to enter Utsource site
Category
Buy(0)
Inquiry(0)
Dear customers, due to the implementation of the GDPR policy in Europe, UTSOURCE has also made adjustment accordingly to meet the policy requirements. Please read the new privacy policy carefully and this window will no longer pop up after you accept it.
Delivery Address
+ Add Address
The new shipping address
* Please fill in the cell phone number correctly to make sure that you can receive the tracking info in time.
Country Code
YAGEO CC0603FRNPO9BN160(10pcs)
TDK MLG1005S36NJT000(50pcs)
Ymin LKMD0901K390MF(10pcs)
KOA Speer Elec RK73H2ATTD7503F(50pcs)
YAGEO AC2010JK-07470RL(50pcs)
Chian Chia Elec CR-L10W-10ΩJ
Coilmaster Elec SQH3015S-1R5N-LF
Amphenol ICC LPT02SE12-8P-023-LC
BOURNS CR0805-FX-2053ELF(50pcs)
YAGEO RSF3WSJT-73-22K(10pcs)
Coilmaster Elec SQH4012S-150M-LF
XC6108N12CGR-G
Sunlord SDWL1005C5N1SSTFM01(10pcs)
Viking Tech AR02BTC0470(20pcs)
Guangdong Fenghua Advanced Tech RC-02W93R1FT(100pcs)
2N7002K-T1-E3
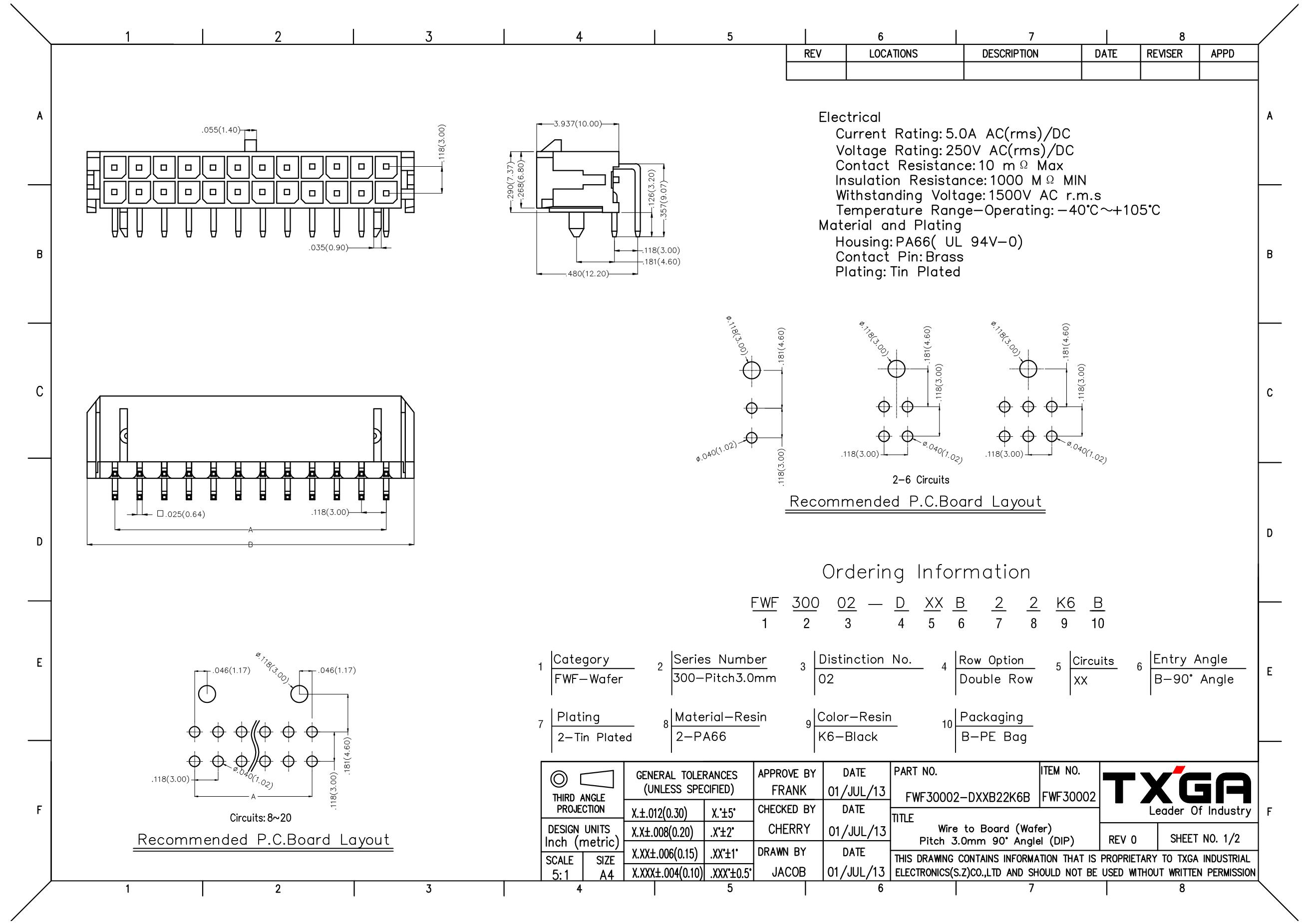
TXGA FWF30002-D10B22K6B
TDK VLS252012HBX-4R7M-1(5pcs)