Click Here to enter Utsource site
Category
Buy(0)
Inquiry(0)
Dear customers, due to the implementation of the GDPR policy in Europe, UTSOURCE has also made adjustment accordingly to meet the policy requirements. Please read the new privacy policy carefully and this window will no longer pop up after you accept it.
Delivery Address
+ Add Address
The new shipping address
* Please fill in the cell phone number correctly to make sure that you can receive the tracking info in time.
Country Code
ROHM Semicon MCR03EZPFX5100(50pcs)
PCF8593T
Joint Tech Elec A1001WV-S-06PD01
Viking Tech CR-05FL7--3K09(100pcs)
Walsin Tech Corp MR06X1302FTL(100pcs)
LVC125A
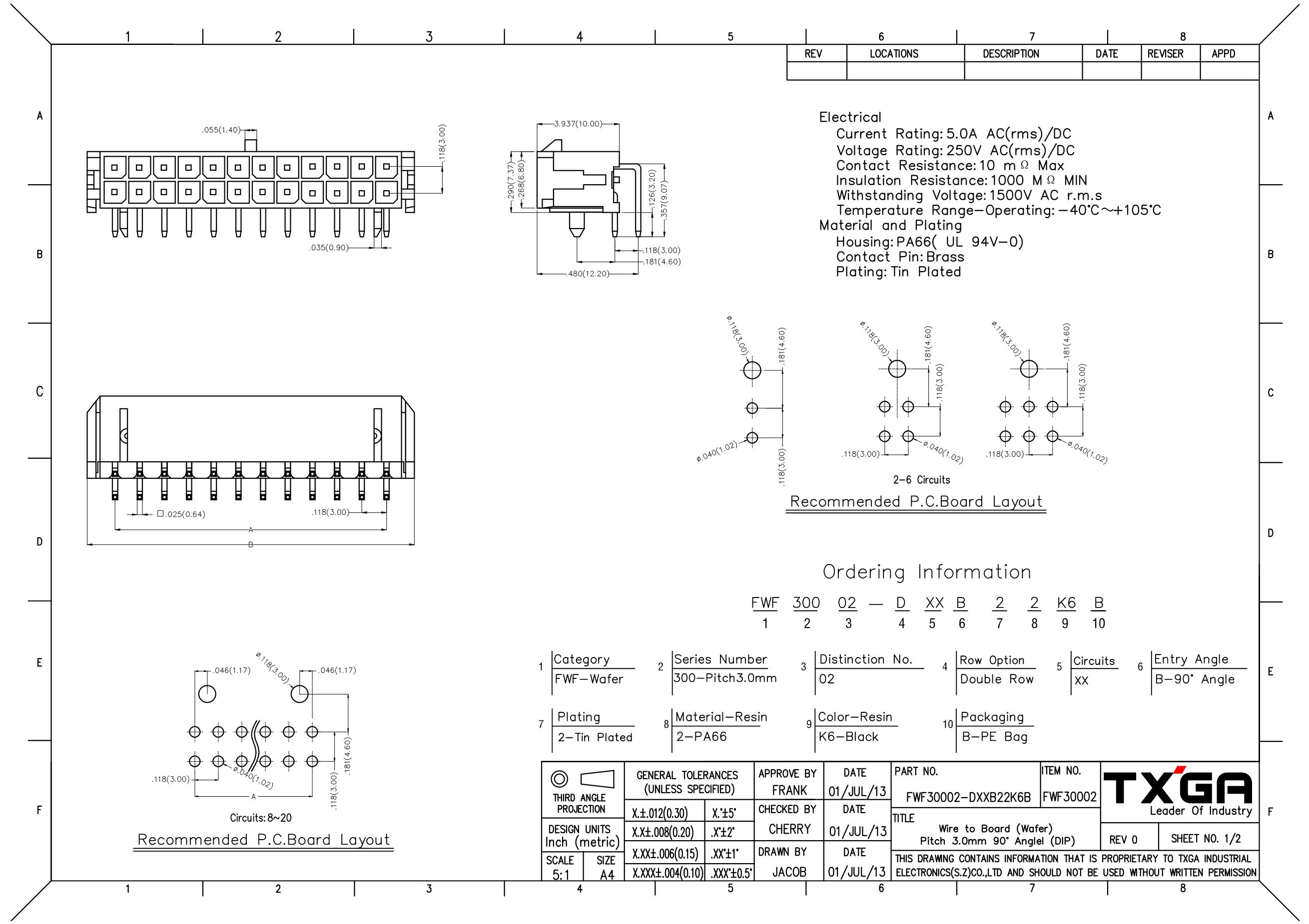
TXGA FWF30002-D02B22K6B
PANASONIC ERJ3EKF14R0V(50pcs)
TAITEC TMPA0603S-2R2MN-D(5pcs)
Lelon VZH332M0JTR-1316
ULN2002AN
Songtian Elec STE05D390K1BQ0FST0R0(10pcs)
YAGEO AC0603KRX7R0BB104(20pcs)
Xunda RK2262GMJ202RB
GA1L4Z
Johanson Dielectrics 201R18N5R1CV4T(10pcs)
Rubycon 25YXM47MEFR5X11(10pcs)
Chilisin Elec SSL1306T-471M-N