Click Here to enter Utsource site
Category
Buy(0)
Inquiry(0)
Dear customers, due to the implementation of the GDPR policy in Europe, UTSOURCE has also made adjustment accordingly to meet the policy requirements. Please read the new privacy policy carefully and this window will no longer pop up after you accept it.
Delivery Address
+ Add Address
The new shipping address
* Please fill in the cell phone number correctly to make sure that you can receive the tracking info in time.
Country Code
SANYEAR SY0402FN0RP(100pcs)
Walsin Tech Corp WR12X6811FTL(50pcs)
PANASONIC ERJ2GEJ3R6X(50pcs)
Guangdong Fenghua Advanced Tech FHW0402UC1N2KST(10pcs)
AISHI(Aihua Group) EL71HM4R7C07OT(50pcs)
FH(Guangdong Fenghua Advanced Tech) RC-06L6R8JT(10pcs)
KOA Speer Elec RK73G1JTTD1000F(20pcs)
TyoHM RMC06039.09K1%N(100pcs)
PANASONIC ERJ3GEYJ392V(50pcs)
KOA Speer Elec RK73H1JTTD1400F(100pcs)
FH(Guangdong Fenghua Advanced Tech) RCML08W202JT(50pcs)
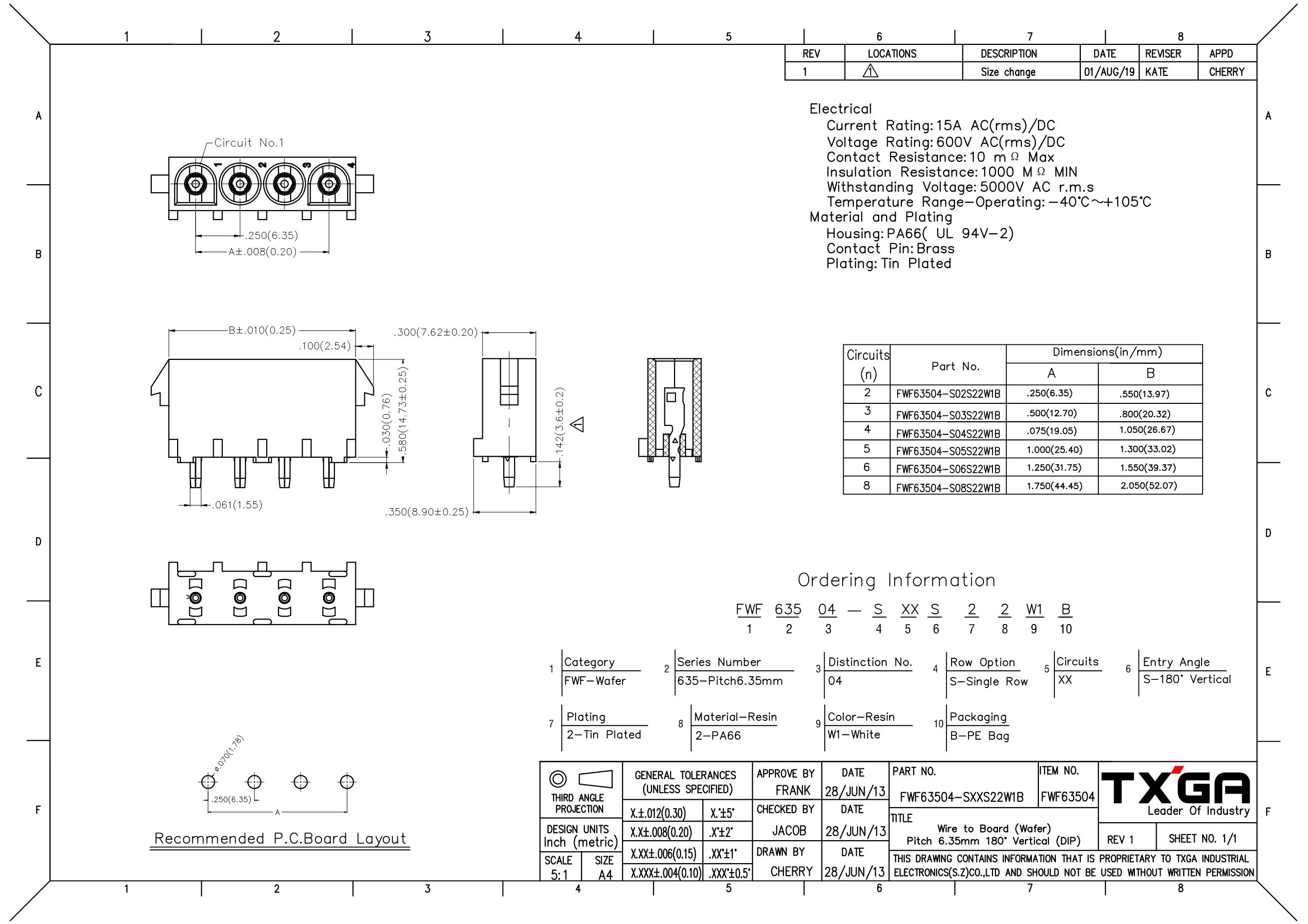
TXGA FWF63504-S02S22W1B
Shenzhen Yezhan Elec. ASR-M-5-0.38F
UNI-ROYAL(Uniroyal Elec) 0201WMF220KTEE(100pcs)
YAGEO RC1206FR-07110RL(100pcs)
Johanson Dielectrics 250R15W105KV4E(10pcs)
MOLEX 191210026(5pcs)
Guangdong Fenghua Advanced Tech RS-03K5233FT(100pcs)