Click Here to enter Utsource site
Category
Buy(0)
Inquiry(0)
Dear customers, due to the implementation of the GDPR policy in Europe, UTSOURCE has also made adjustment accordingly to meet the policy requirements. Please read the new privacy policy carefully and this window will no longer pop up after you accept it.
Delivery Address
+ Add Address
The new shipping address
* Please fill in the cell phone number correctly to make sure that you can receive the tracking info in time.
Country Code
Rubycon 50SEV47M8X10.5
WEIPU WS28K8/Z
BT145-800R
AD534TH
Uniroyal Elec 25121WF1400T4E(20pcs)
Walsin Tech Corp WR12X1071FTL(50pcs)
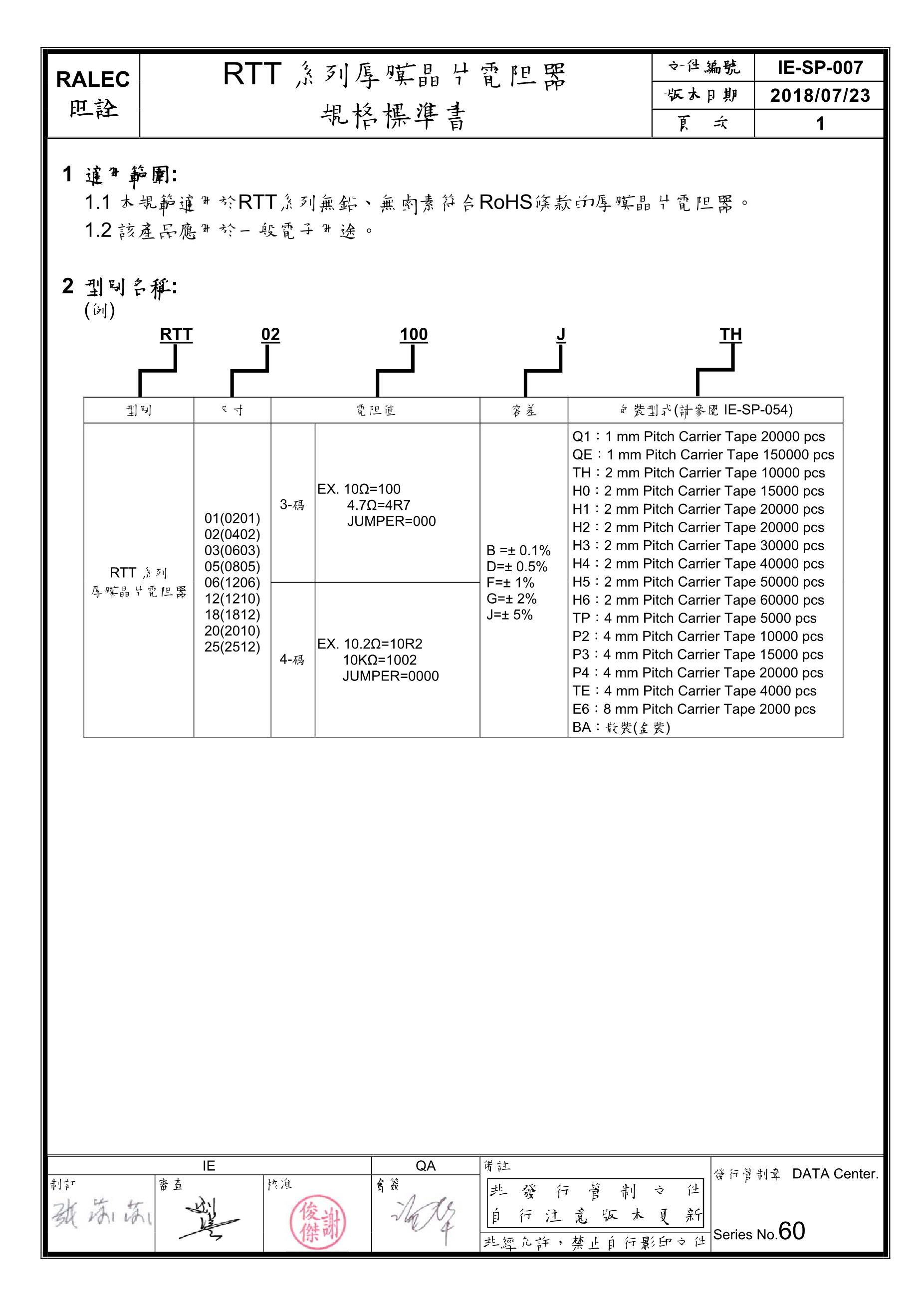
RALEC RTT20R400FTE(10pcs)
CM100DU-12H
Uniroyal Elec HQ0707J0684T5E(20pcs)
TA7280P
Walsin Tech Corp WR06W6R98FTL(100pcs)
YAGEO AC0402DR-07130KL(50pcs)
Chengdu Guosheng Tech 3386P-1-103
Hirose/HRS BM28B0.6-20DP/2-0.35V(51)
Murata Electronics LQW15AN7N6C10D(10pcs)
Murata Electronics 1255AY-1R0N=P3
XIAMEN FARATRONIC D43Q1224KB0C000
CM2009-02QR